Power windows do not work

Tiny
DENNISLL
  • MEMBER
  • 1986 DODGE VAN
  • 2.3L
  • V8
  • 2WD
  • AUTOMATIC
  • 185,000 MILES
Power window fuse.
Wednesday, November 3rd, 2021 AT 2:58 PM

3 Replies

Tiny
CARADIODOC
  • MECHANIC
  • 34,490 POSTS
Fuses aren't used in safety systems. That includes power windows. They're protected by an auto-resetting thermal circuit breaker. The reason is if a fuse blows due to an intermittent short, such as during a crash, the system will be totally out. With an auto-resetting circuit breaker, there's a chance it can reset and allow a way to get out after a crash.

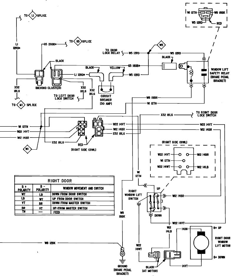
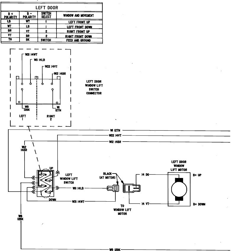
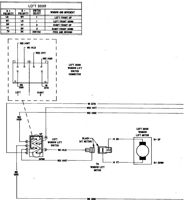
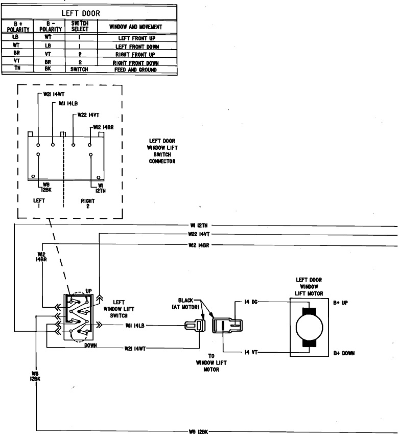
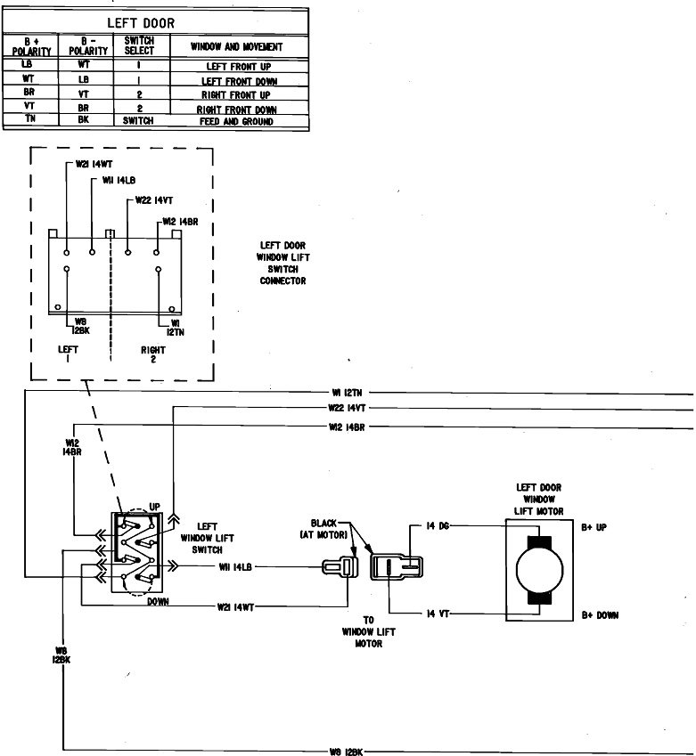
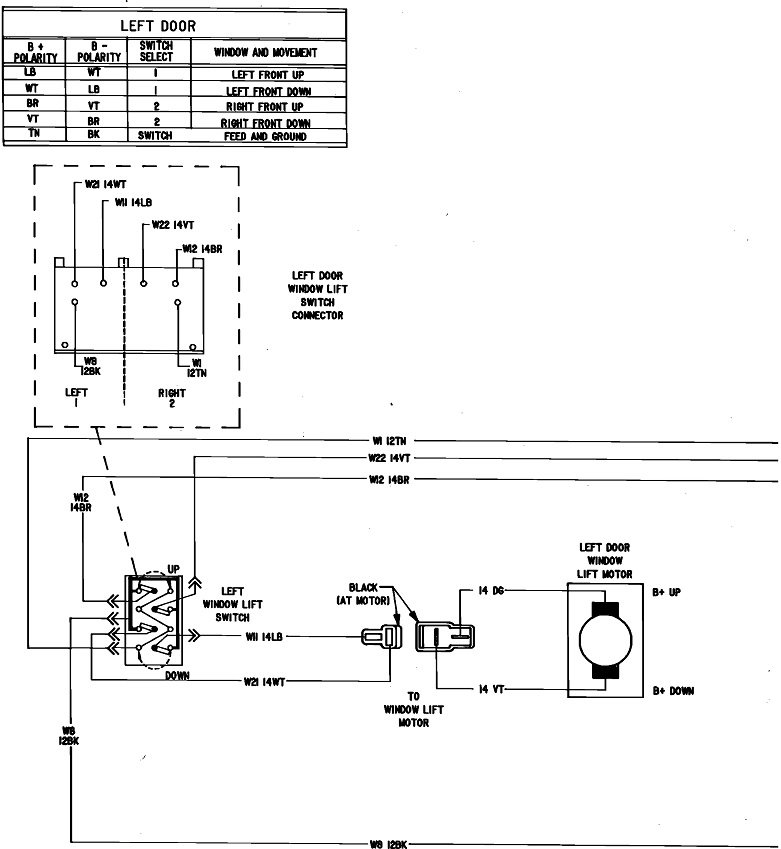
The place to start with this problem is to inspect the wires between the driver's door hinges. If you find any that are broken or frayed, we'll need to start with repairing those.

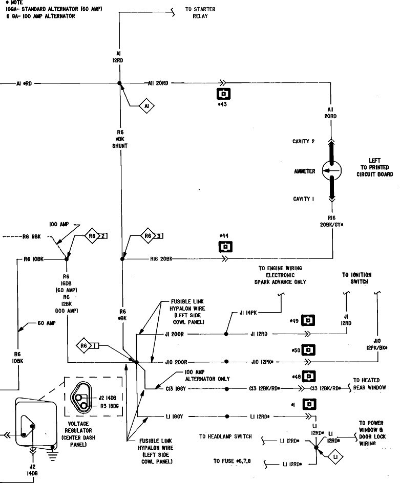
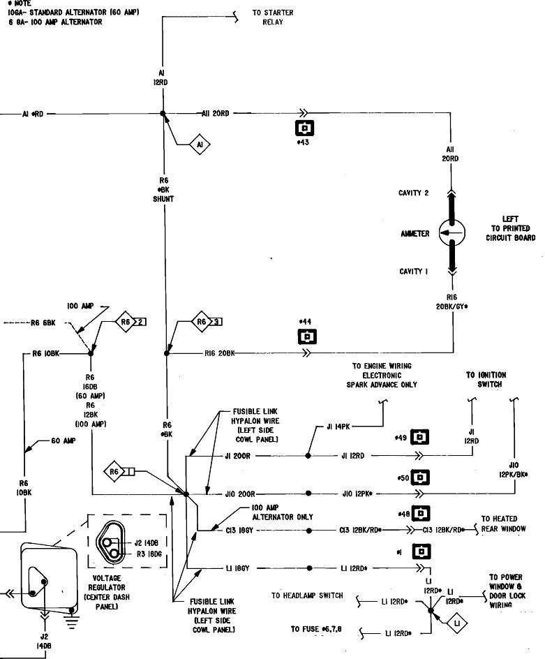
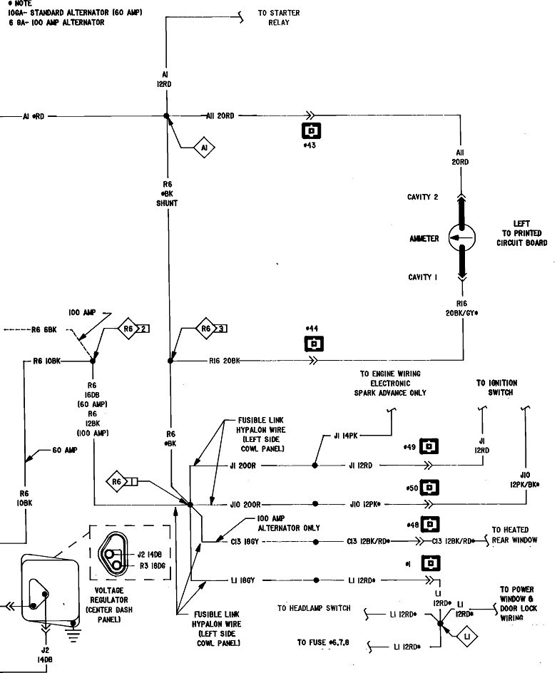
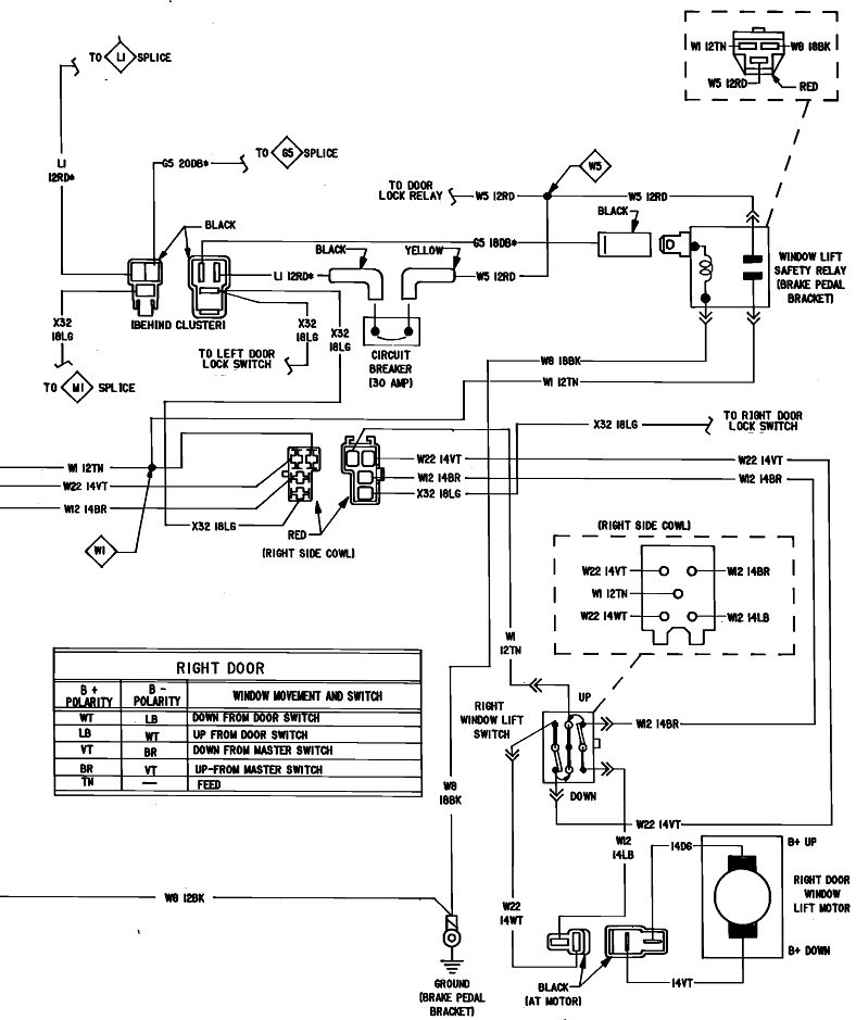
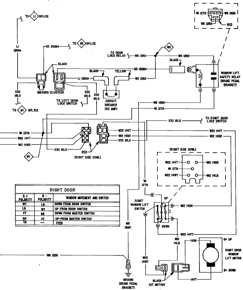
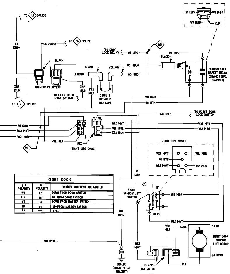
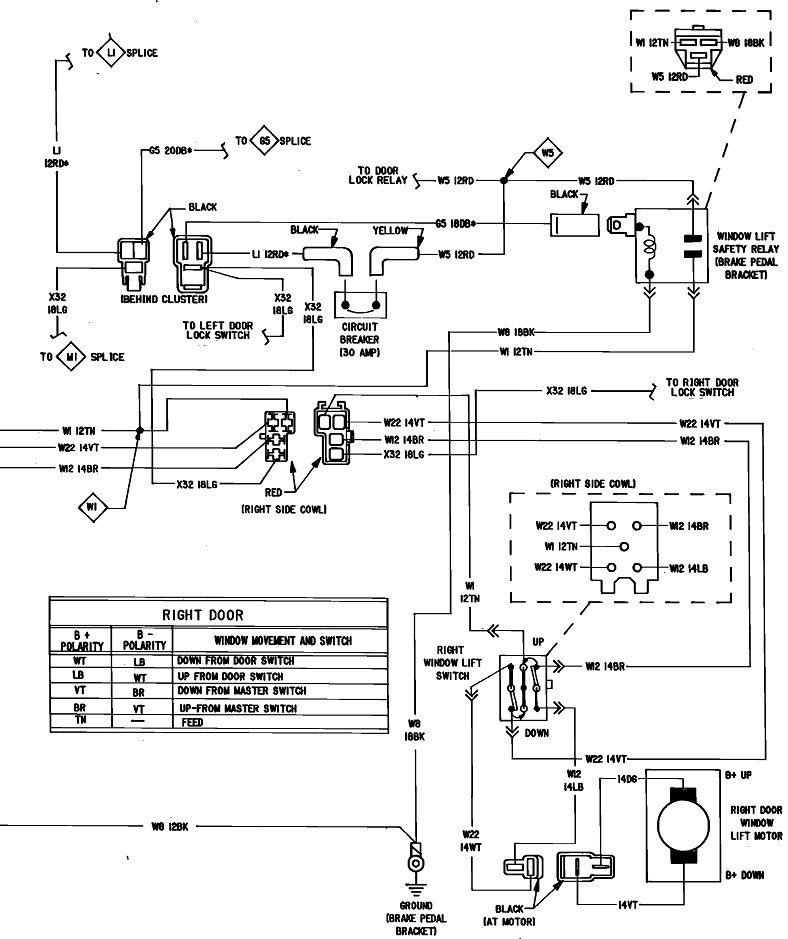
Next, we'll need to check for 12 volts in the system. A good place to start is at the relay on the brake pedal bracket. For this type of problem, an inexpensive test light works best. If you aren't familiar with them, you can find one for around three dollars at Harbor Freight Tools, Walmart, or any hardware store. Here's a link to an article on how to use them:

https://www.2carpros.com/articles/how-to-use-a-test-light-circuit-tester

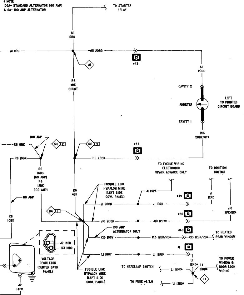
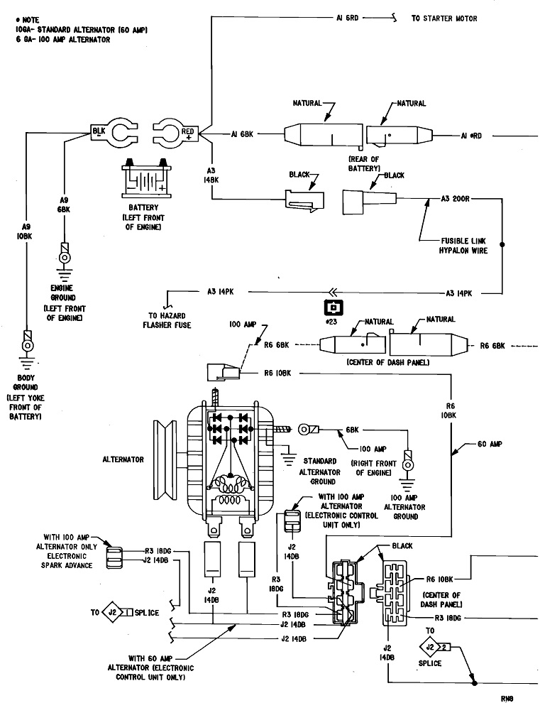
The relay is shown at the top right of the second diagram. Touch the probe of the test light to the terminal for the red wire. Best is to back-probe next to that wire where it goes into the socket. If you can't get to that easily, the next-best choice is to unplug the relay, then touch the probe to the terminal corresponding to the red wire. If you aren't sure which one that is, just touch the probe to each terminal. The test light will light up full brightness on only one of them if the 12 volts is there.

Let me know what you find. That will tell us which way we have to move to continue the testing.
Was this
answer
helpful?
Yes
No
+1
Wednesday, November 3rd, 2021 AT 5:35 PM
Tiny
DENNISLL
  • MEMBER
  • 2 POSTS
Thank you I am going to do that!
Was this
answer
helpful?
Yes
No
Wednesday, November 3rd, 2021 AT 11:48 PM
Tiny
CARADIODOC
  • MECHANIC
  • 34,490 POSTS
I'm here every night and will be waiting for your reply.
Was this
answer
helpful?
Yes
No
Thursday, November 4th, 2021 AT 5:30 PM

Please login or register to post a reply.