Thursday, October 10th, 2024 AT 1:58 PM
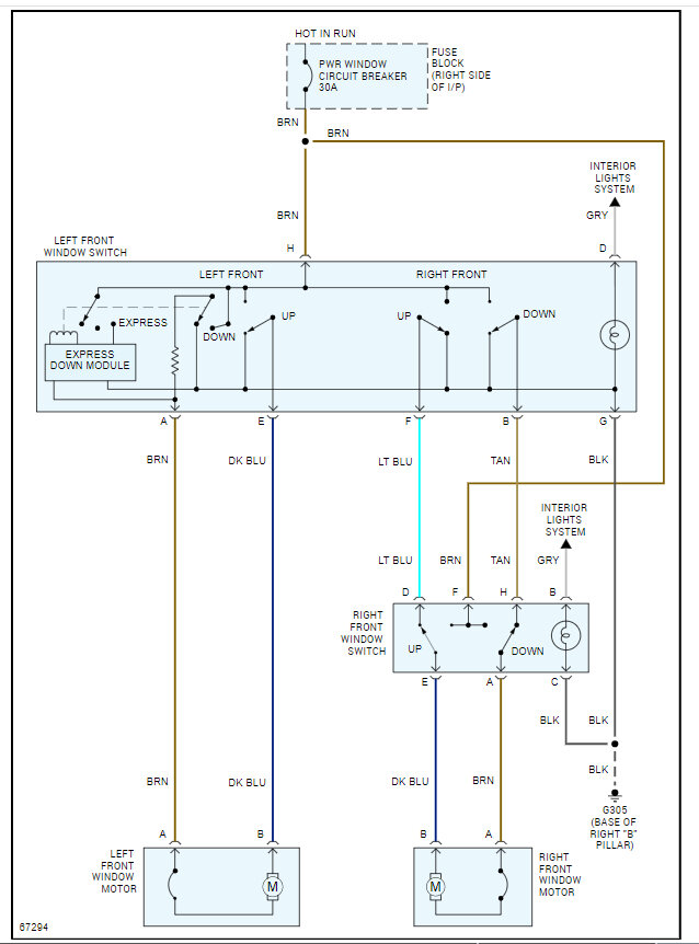
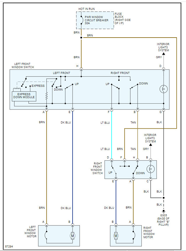
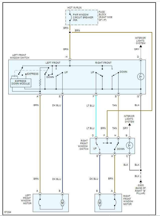
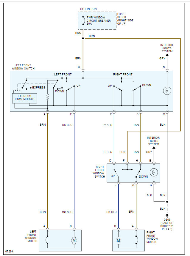
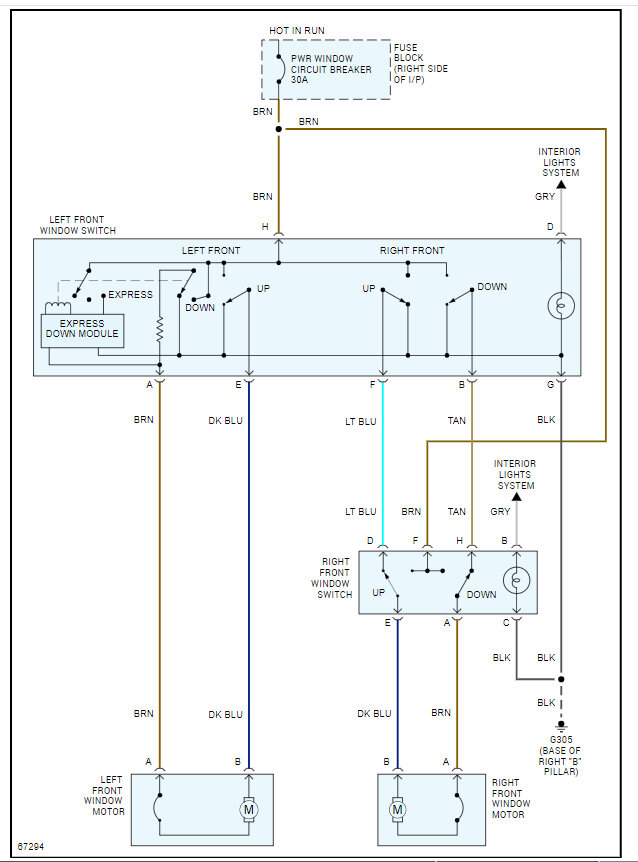
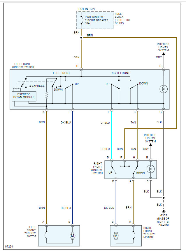
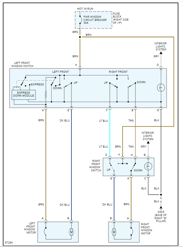
I've got a 2 door GP with a broken window switch. I need to know which wires go to which pins. I can't find the wiring diagram or the layout of the connector. Any help?



