Sunday, December 1st, 2024 AT 4:16 PM
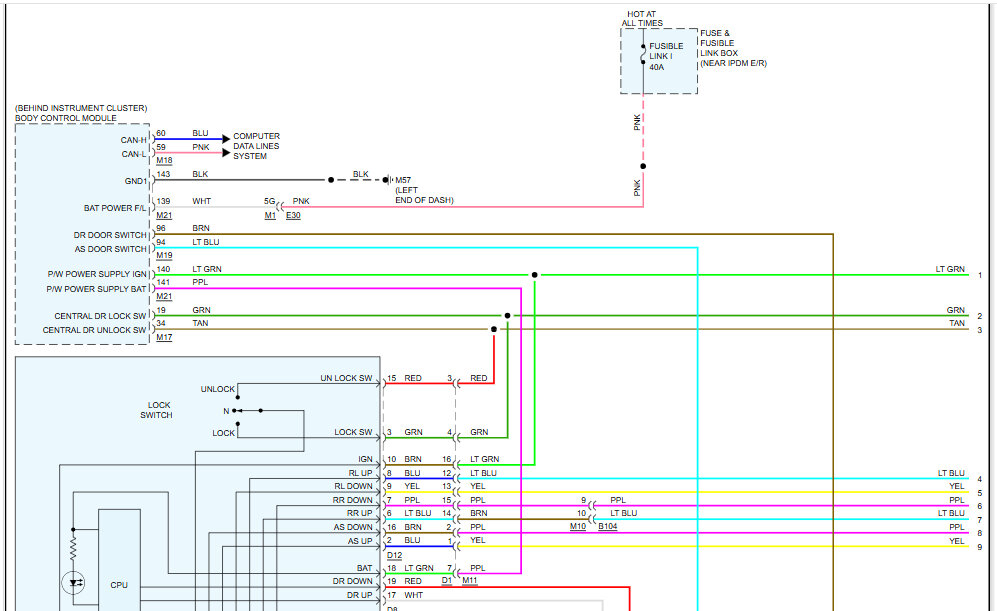
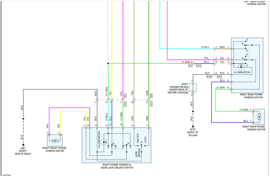
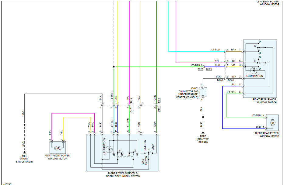
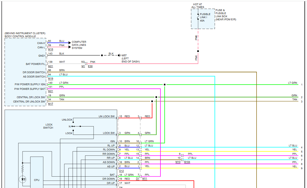
I have bought two master window switches recently, bought one it quit working 2 weeks after I bought it. We are only talking about driver side window only. So, after the new switch quit working, I ordered another one and used my original one that quit working in the first place so the new switch I just ordered I put it in and now that one quit working just the driver side window everything else works. I will check the fuses and see. Thank you




