Saturday, July 15th, 2023 AT 6:05 PM
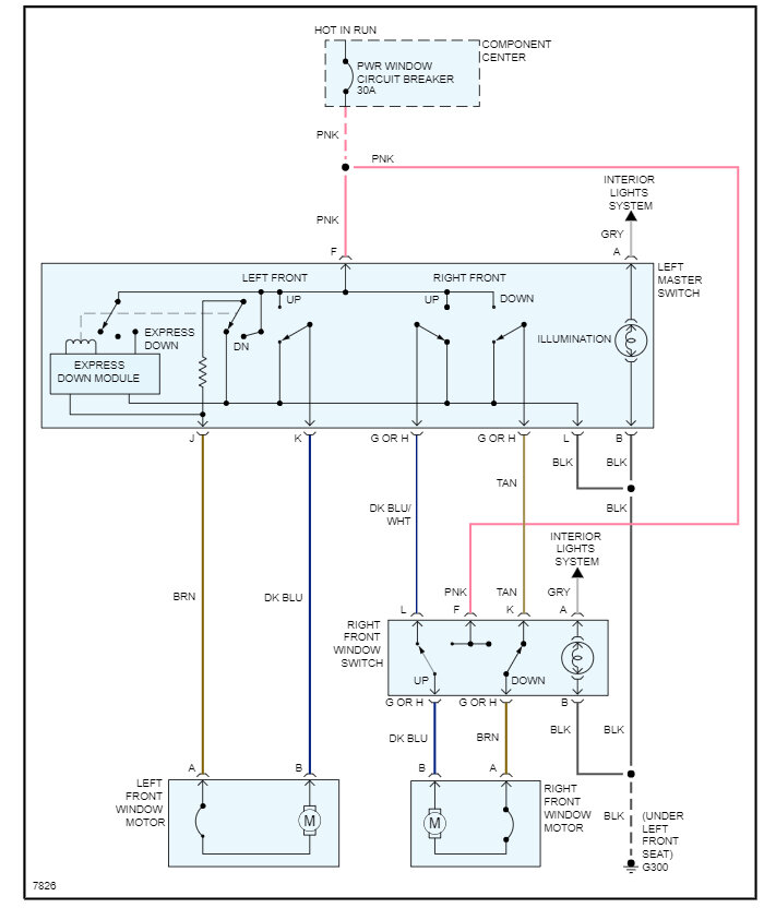
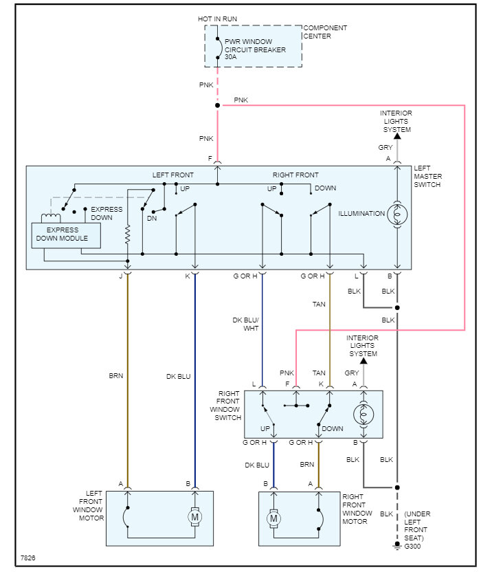
Without giving a long story the window would go up and down but tilt sideways. I took the lower track out and replaced the roller in the window regulator. I had to shave it down because it was a bit too big. Taking the roller off the regulator it's glides fine. The regulator also operates fine without the window in. Putting a new part in it quits like 3/4 of the way. This is with the new lower channel guide in and window guide. Thoughts?




