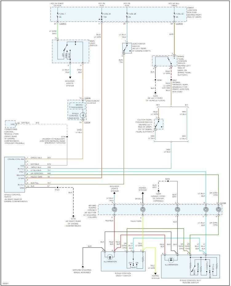
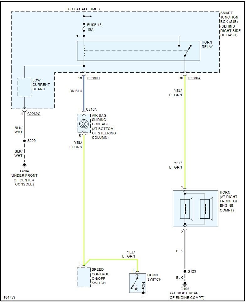
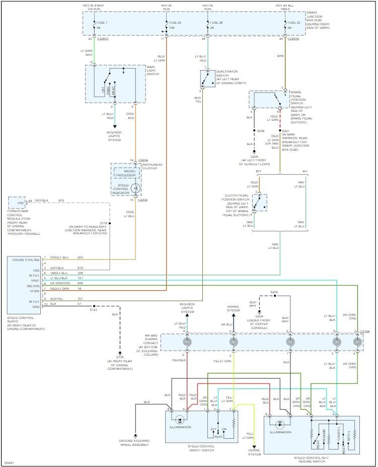
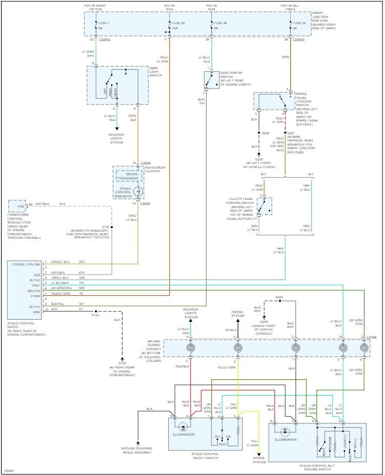
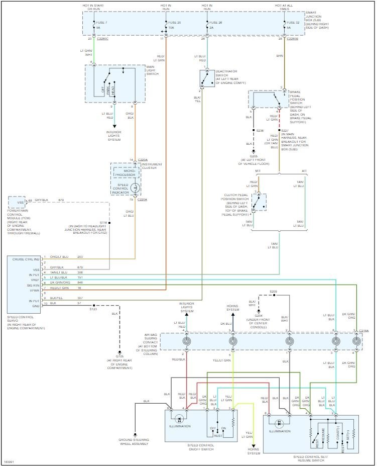
No horn, no cruise control, airbag warning flashing 32 (clock spring). Possible blown fuse? Which fuse(s) control the power to these steering column components?
Apr 22, 2021 at 8:55 AM



