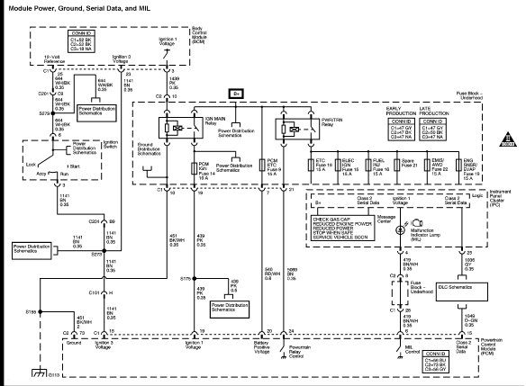
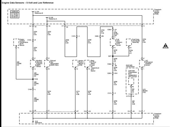
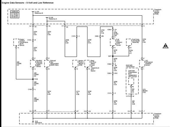
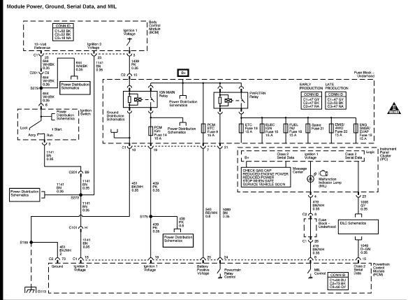
Power to fuel pump

2005 CHEVROLET UPLANDER
205,000 MILES • 3.5L • 6 CYL • 2WD • AUTOMATIC
Avatar
CGREENIER45
  • MEMBER
  • 2 POSTS
My vehicle is not getting power to the fuel pump. I have replaced the fuel pump, the wiring that plugs into the fuel pump, I have also replaced the chassis wiring harness that goes through the floor and plugs into the the wiring that goes to the fuel pump. And checked the fuse and the relay seems to be working. Can you please help I am stumped?
May 8, 2018 at 1:18 PM
Advertisement
Repair Safety Notice: This information is for general instructional purposes only. Vehicle repair can be dangerous. Verify all information, follow manufacturer service procedures, use proper tools and safety equipment, and consult a qualified repair shop when needed.
Avatar
JACOBANDNICKOLAS
  • AUTOMOTIVE REPAIR CONTRIBUTOR
  • 110,190 POSTS
Hi and thanks for using 2CarPros.com.

Any electrical issue can be difficult. However, you need to keep in mind, it has a starting place and ends by a ground. The first things I would do would simply begin at the fuel pump to determine if you have both a good ground as well as a power supply. From that point, you will need to work backwards to find where power is lost or to repair a ground.

I realize you've done a lot already, but I want to start simple. Here is a video on how to use a test light:

https://youtu.be/Hlna_kUt7As

Additionally, here are directions on how to properly check wiring:

https://www.2carpros.com/articles/how-to-check-wiring

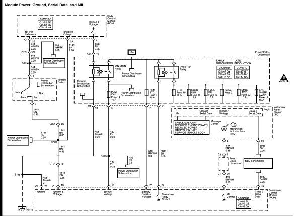
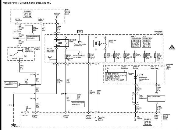
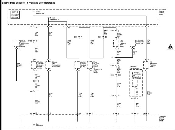
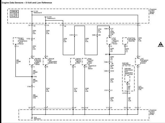
I have attached wiring schematics from Alldata which reflect your specific vehicle. They focus on the fuel system, so it shows from start to end. I hate to say it, but start at the pump and work backwards. It can be a headache, but has to be done.

I hope this information helps.

Cheers,
Joe
May 8, 2018 at 7:04 PM
Avatar
CGREENIER45
  • MEMBER
  • 2 POSTS
Thanks for taking the time to help me out! I will do that work backwards from the fuel pump and go from there. And thank you for the videos.
May 8, 2018 at 7:38 PM
Advertisement
Avatar
JACOBANDNICKOLAS
  • AUTOMOTIVE REPAIR CONTRIBUTOR
  • 110,190 POSTS
You are welcome. We are here to help.
May 8, 2018 at 11:05 PM