Sunday, February 20th, 2022 AT 5:49 PM
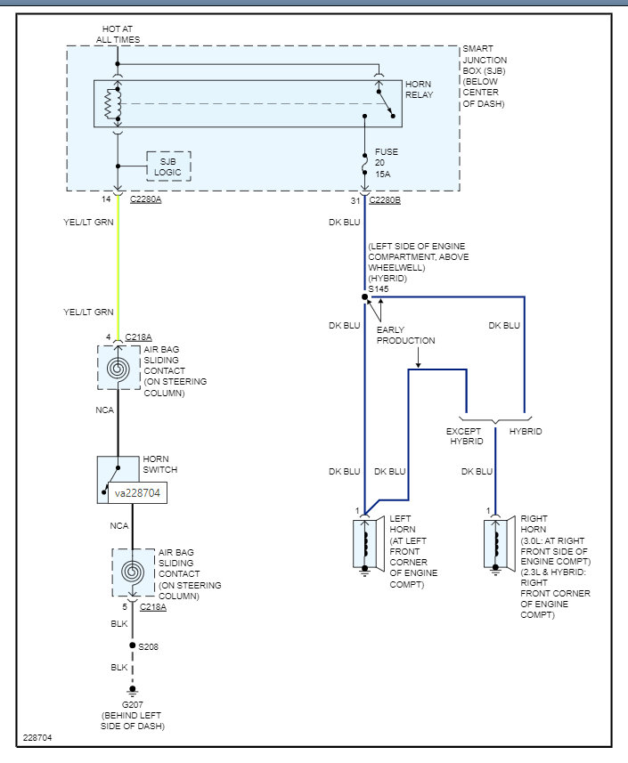
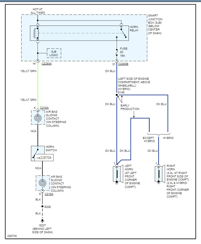
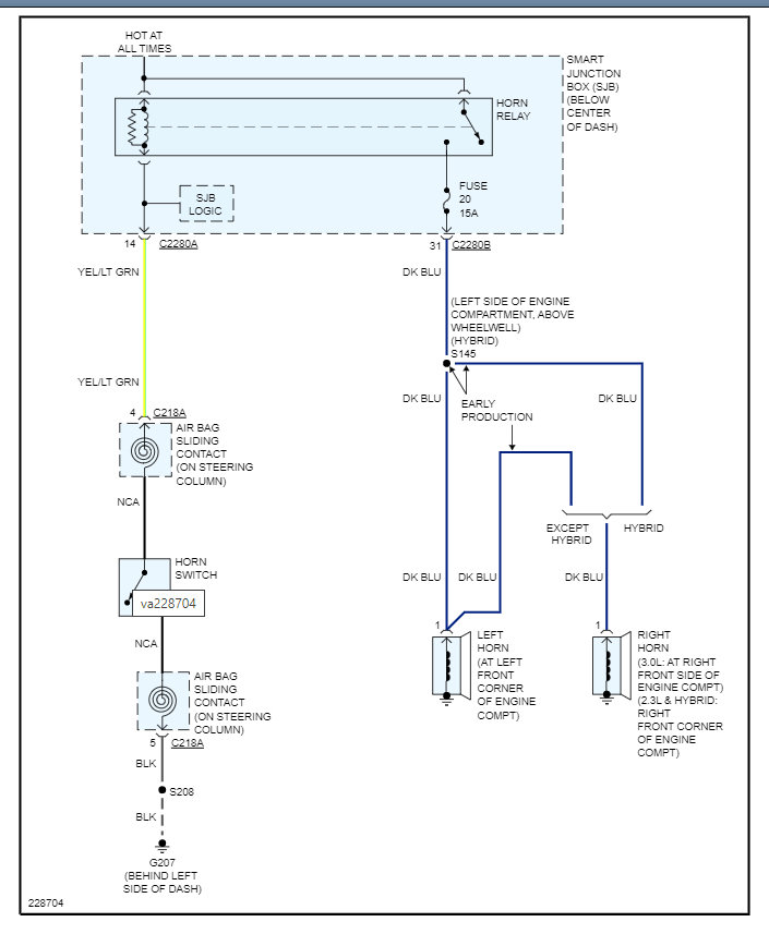
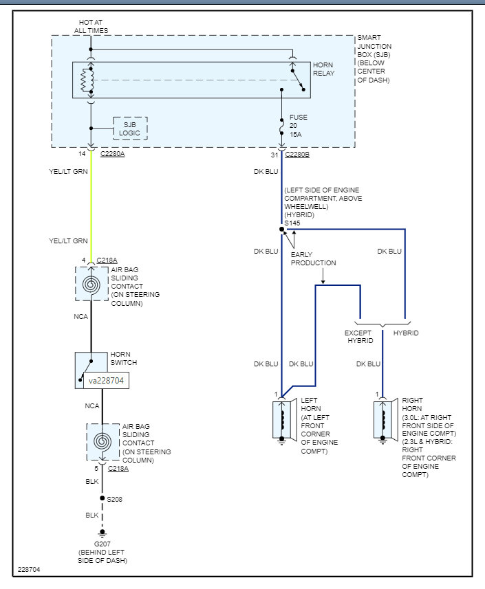
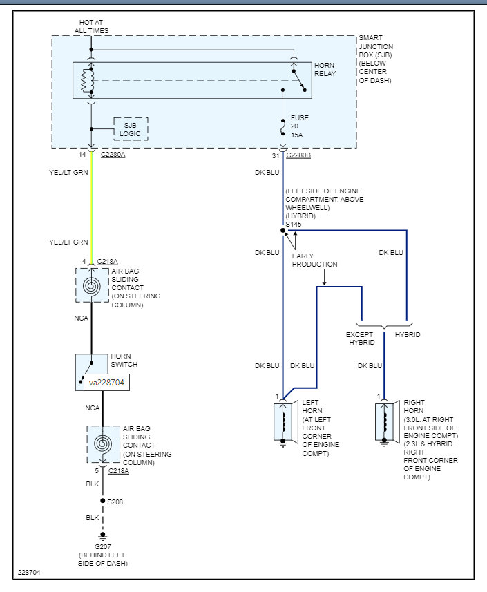
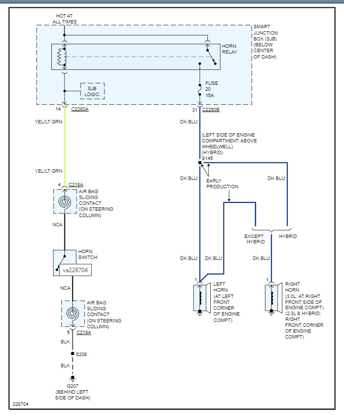
I was sitting in my car and turned on the key to acc and rolled the window down, shut the key off and, in a minute, or so. Maybe 5 minutes I noticed the dome light flickering, hasn't worked in a while because the fuse is removed or at least I think it is. Anyway, I reached up, turned off the dome light and noticed the dash lights came on like I had turned the key then smoke started rolling out from under the dash (burning wires). I jumped out and pulled the positive cable from the battery and it quit. Now when I hook the battery back up dash lights come on and horn blares constantly along with the headlights. I know some of such is the anti-theft because headlights go out when I put the key in the ignition. I unhooked the horn to keep from drawing attention. I started the car and then turned the key off and it failed to shut off I had to pull the fuel relay to shut off it. I know it's a short somewhere because when I try to put a fuse in the #2 slot under the hood it instantly pops it. The fuse is apparently for my high beams and my interior lights. Maybe back feeding power from somewhere? I'm at my end with this vehicle. Thank you in advance.






