Power steering hose replacement

Tiny
BIGDADDYDRACIN
  • MEMBER
  • 1996 GMC JIMMY
  • 3.4L
  • V6
  • 4WD
  • AUTOMATIC
  • 154,000 MILES
How do you replace the hose pictured?
Sunday, January 20th, 2019 AT 10:39 PM

3 Replies

Tiny
ASEMASTER6371
  • MECHANIC
  • 52,796 POSTS
Good morning,

There is no picture attached.

Can you repost the picture?

Roy
Was this
answer
helpful?
Yes
No
Monday, January 21st, 2019 AT 1:29 AM
Tiny
BIGDADDYDRACIN
  • MEMBER
  • 2 POSTS
There you go buddy.
Was this
answer
helpful?
Yes
No
Monday, January 21st, 2019 AT 2:23 AM
Tiny
ASEMASTER6371
  • MECHANIC
  • 52,796 POSTS
Thanks.

I attached the procedure with some pictures for you. Make sure you replace the accumulator as it will be contaminated with moisture when you open the system.

Roy

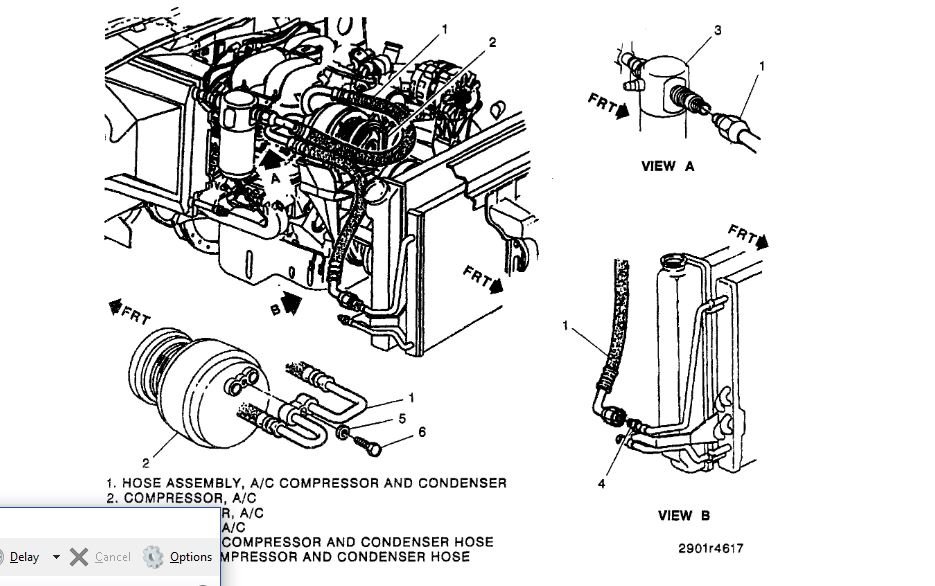
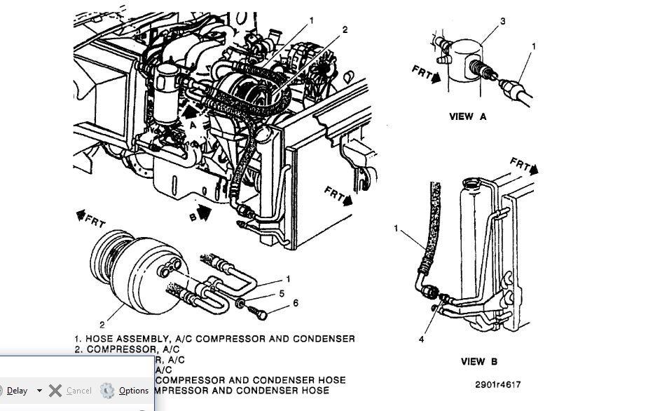
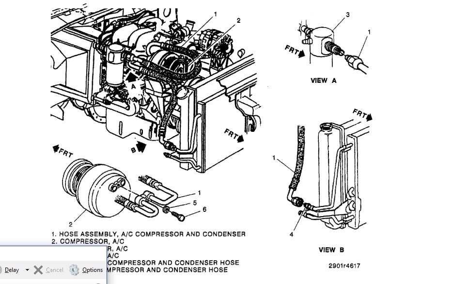
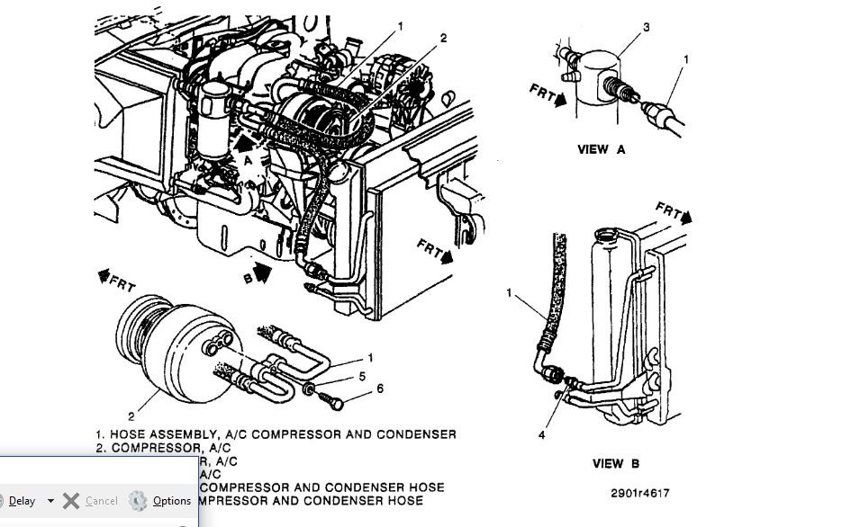
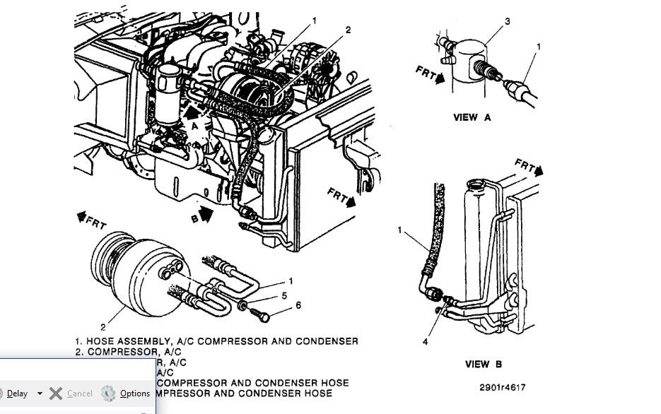
REMOVE OR DISCONNECT (Figure 42)

1. Negative battery cable.

2. Recover refrigerant from the system.

3. Compressor and condenser hose bolt and washer (figure 44).

4. Compressor and condenser hose from compressor.

5. Sealing washers.

6. Compressor and condenser hose from accumulator (figure 46).

7. O-ring seal.

8. Compressor and condenser hose from condenser (figure 48).

9. O-ring seal.

- Cap or plug all open connections.

INSTALL OR CONNECT (Figure 42)

NOTICE: For steps 2, 4, and 7, refer to "Fasteners" under "Vehicle Damage Warnings."

1. New O-ring seal.

- Coat O-ring seal with 525 viscosity refrigerant oil.

2. Compressor and condenser hose to condenser (figure 48).

- Tighten hose to 24 Nm (18 lbs. Ft.).

3. New O-ring seal.

- Coat O-ring seal with 525 viscosity refrigerant oil.

4. Compressor and condenser hose to accumulator (figure 46).

- Tighten hose to 41 Nm (30 lbs. Ft.).

5. Sealing washers.

6. Compressor and condenser hose to compressor (figure 44).

7. Compressor and condenser hose washer and bolt.

- Tighten bolt to 33 Nm (24 lbs. Ft.).

8. Negative battery cable.

9. Refrigerant to the system.

- Check the system for leaks.
Was this
answer
helpful?
Yes
No
Monday, January 21st, 2019 AT 3:02 AM

Please login or register to post a reply.