Power steering fluid everywhere

Tiny
GYPSYOHARRE
  • MEMBER
  • 1997 GMC SIERRA
  • 5.7L
  • V8
  • 4WD
  • AUTOMATIC
  • 300,000 MILES
My power steering pump started squealing and had a minor leak. Stop Leak worked for a little while. Now it leaks out completely after fifteen minutes of driving. UV dyed to find the leak, using gravity to find the leak, I cannot find a exact spot because the dye is on the connections where the hose meets the coupler, and everywhere around it, it pools under the driver side carriage off the transmission off the rods under the fan closer to the radiator. No hose leaks (checked while running). Also the squeal is gone, but impossible to turn unless I fill it. Can someone help me find out? Where else I should be looking/testing? Be specific I am a novice.
Tuesday, February 26th, 2019 AT 3:59 PM

5 Replies

Tiny
JACOBANDNICKOLAS
  • MECHANIC
  • 110,194 POSTS
Hi and thanks for using 2CarPros.

First, take a look through this link to see if it helps.

https://www.2carpros.com/articles/power-steering-problems

If the connections you are referring to are near the pump, and the pump is wet, I have a feeling either the pump's crank seal is leaking, or one of the other o-rings is bad.

Take a look through this. It shows an exploded view of the pump as well as how to replace the seals.

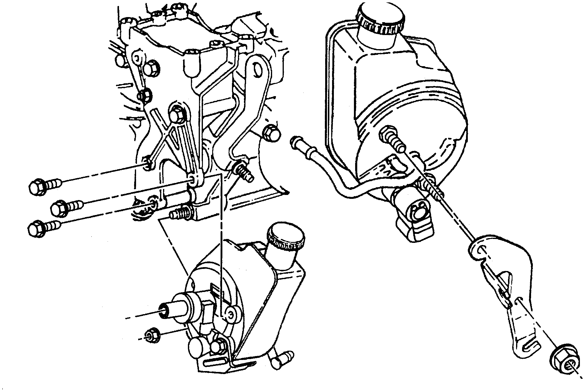
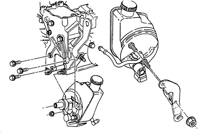
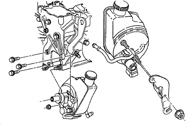
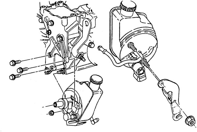
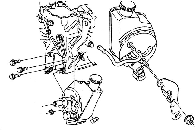
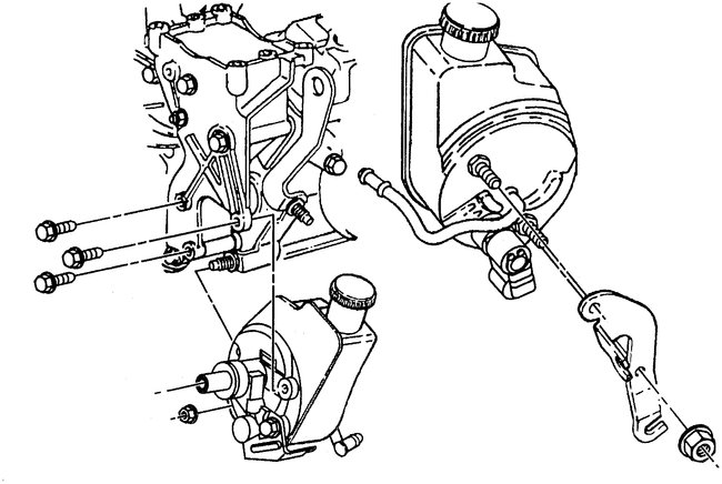
See Pictures 1 and 2

Tool Required:
- J 7728 Shaft Oil Seal Installer
- Or Equivalent

NOTE: Remove or disconnect the power steering pump from vehicle.

See Picture 3

DISASSEMBLE
- Protect drive shaft (12) with shim stock.
- Seal (11) by cutting with a chisel.

ASSEMBLE
- Lubricate seal (11) with power steering fluid.
- Seal (11) using J 7728.
- Install or connect the power steering pump.

______________________________________

Now, to determine if this is the problem, clean the entire area including the pump and pulley. Next, have a helper start the vehicle and pay attention to where the fluid starts to leaf from.

_____________________________________

If you have to remove the pump, here are the directions in general for removal:

https://www.2carpros.com/articles/power-steering-problemshttps://www.2carpros.com/articles/how-to-replace-a-power-steering-pump

Here are the specifics.

POWER STEERING PUMP

Picture 4

Tools Required:
- J 25034-B Power Steering Pump Pulley Remover
- J 25033-B Power Steering Pump Pulley Installer
- Or Equivalents

REMOVAL

NOTE: Place a drain pan below the pump.

Remove or disconnect the following:
1. Hoses. Cap the hoses.
2. Unload the tensioner assembly.
3. Drive belt.
4. Pulley.

Picture 5

- Install J 25034-b. Be sure the pilot bolt bottoms in the pump shaft by turning the nut to the top of the pilot bolt.
- Hold the pilot bolt.
- Turn the nut counterclockwise.
5. Front mounting bolts.
6. Rear mounting nuts from studs.
7. Electrical connector from EVO actuator.
8. Pump.

INSTALLATION

CAUTION: Always use the correct fastener in the proper location. When you replace a fastener, use ONLY the exact part number for that application. The manufacturer will call out those fasteners that require a replacement after removal. The manufacturer will also call out the fasteners that require thread lockers or thread sealant. UNLESS OTHERWISE SPECIFIED, do not use supplemental coatings (paints, greases, or other corrosion Inhibitors) on threaded fasteners or fastener joint interfaces. Generally, such coatings adversely affect the fastener torque and joint clamping force, and may damage the fastener. When you install fasteners, use the correct tightening sequence and specifications. Following these instructions can help you avoid damage to parts and systems.

Install or connect the following:
1. Pump.
2. Front mounting bolts. Tighten to 50 Nm (37 ft. lbs.).
3. Rear mounting nuts to studs. Tighten to 50 Nm (37 ft. lbs.).
4. Pulley.
- Place pulley on the end of the pump shaft.
- Install J 25033-b. Be sure the pilot bolt bottoms in the shaft by turning the nut to the top of the pilot bolt.
- Hold the pilot bolt.
- Turn the nut clockwise.
- Install pulley flush +/- 0.25 mm (0.010 inch) with the end of the power steering pump shaft.

CAUTION: Do not use arbor press or Internal damage to the pump will result.

5. Drive belt.
6. Load the tensioner assembly.
7. Hoses.
8. Electrical connector to EVO actuator. Fill and bleed the system.
9. Inspect the hoses and wiring for clearance.

__________________________________

Let me know if this helps. Also, rather than replacing seals in an old pump, I would recommend replacing it. If you do, as mentioned above, most times the pulley needs removed from the old pump and installed on the new one. Here is a link that easier to follow for doing it:

https://www.2carpros.com/articles/remove-reinstall-power-steering-pulley

Again, let me know if this helps or if you have other questions.

Take care,
Joe

Was this
answer
helpful?
Yes
No
Tuesday, February 26th, 2019 AT 7:01 PM
Tiny
GYPSYOHARRE
  • MEMBER
  • 3 POSTS
Thank you for the thorough response. I will attempt that this weekend.
Was this
answer
helpful?
Yes
No
Wednesday, February 27th, 2019 AT 8:46 PM
Tiny
JACOBANDNICKOLAS
  • MECHANIC
  • 110,194 POSTS
You are very welcome. Let me know if you need anything.

Take care,
Joe
Was this
answer
helpful?
Yes
No
+1
Wednesday, February 27th, 2019 AT 9:06 PM
Tiny
GYPSYOHARRE
  • MEMBER
  • 3 POSTS
It turns out the power steering pressure hose was leaking where the hose connects to the coupler. Thank you again!
Was this
answer
helpful?
Yes
No
Saturday, March 9th, 2019 AT 1:55 PM
Tiny
JACOBANDNICKOLAS
  • MECHANIC
  • 110,194 POSTS
That will do it. Take care and let us know if you have questions in the future.
Was this
answer
helpful?
Yes
No
Sunday, March 10th, 2019 AT 7:18 PM

Please login or register to post a reply.