Thursday, January 9th, 2020 AT 7:34 AM
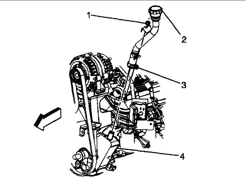
Truck will not brake or steer, when taking weight off front axle, truck will steer but pushes power steering fluid back through filler neck of pump with lid on.







