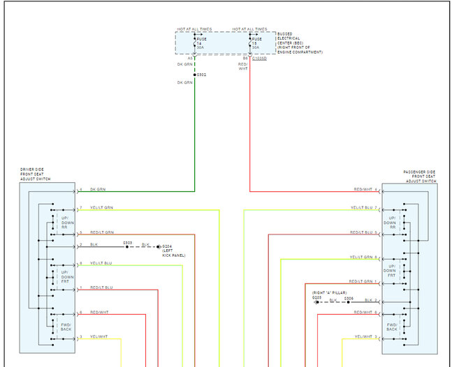
I had my share of power seat issues including mustangs. For this one i doubt it's a fuse cause the up and down works fine, and because i can hear a click when trying to go forward, but nothing when i go backward. So, it doesn't move front or back.
Sep 18, 2024 at 7:32 AM






