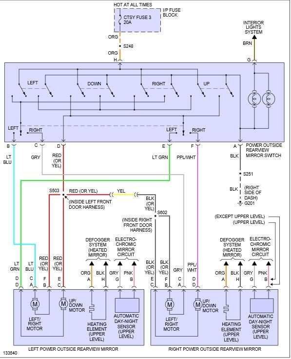
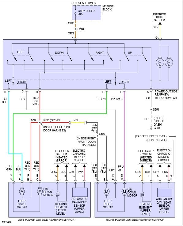
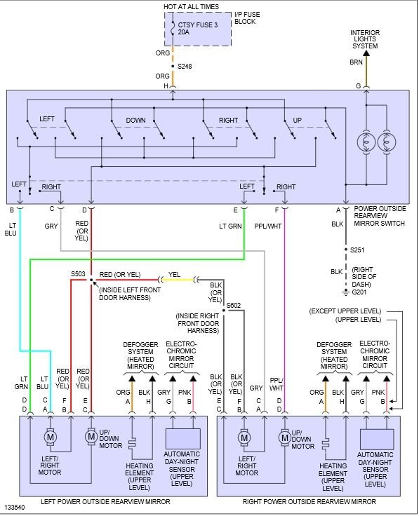
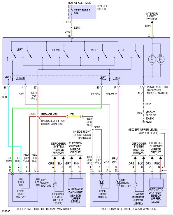
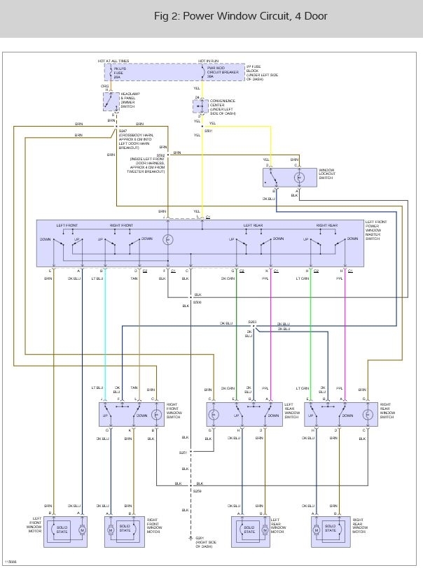
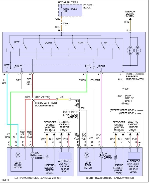
Any ways, my truck has power mirrors and a power mirror switch to move the mirrors around, though if you press anywhere in the directional pad, neither of the mirrors work. I remember testing the cables, fuse and switch (not entirely sure) and was getting no power into any cable. I’m not sure if the mirrors work off of ground either like some windows do. Maybe there is a module I don’t know about or something I’m missing, thanks in advance.
Thursday, March 21st, 2019 AT 11:09 PM



