Saturday, September 2nd, 2023 AT 12:04 AM
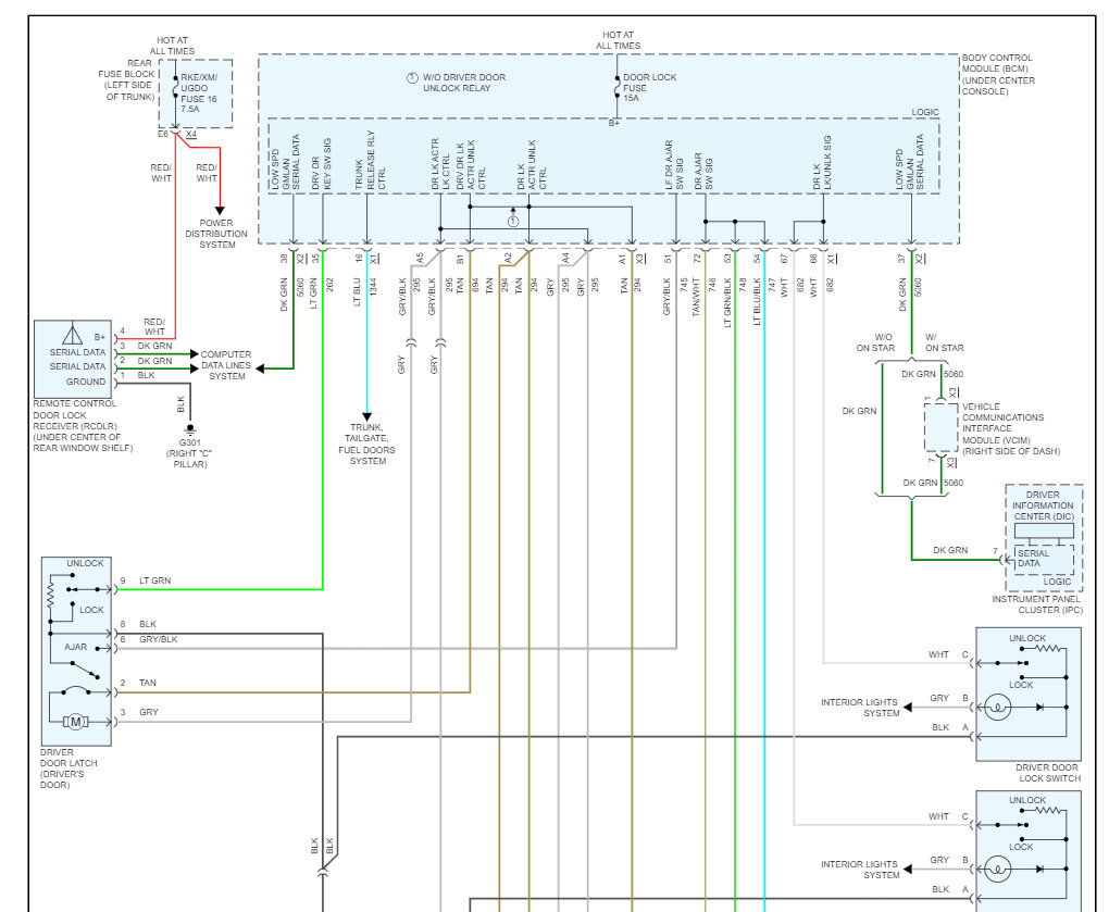
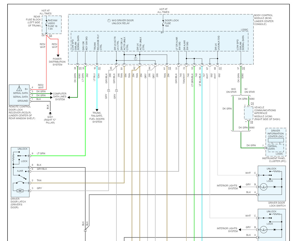
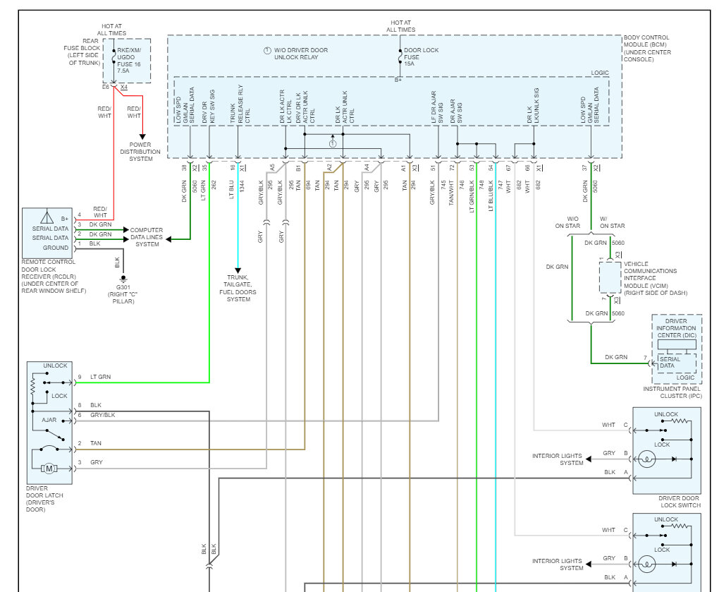
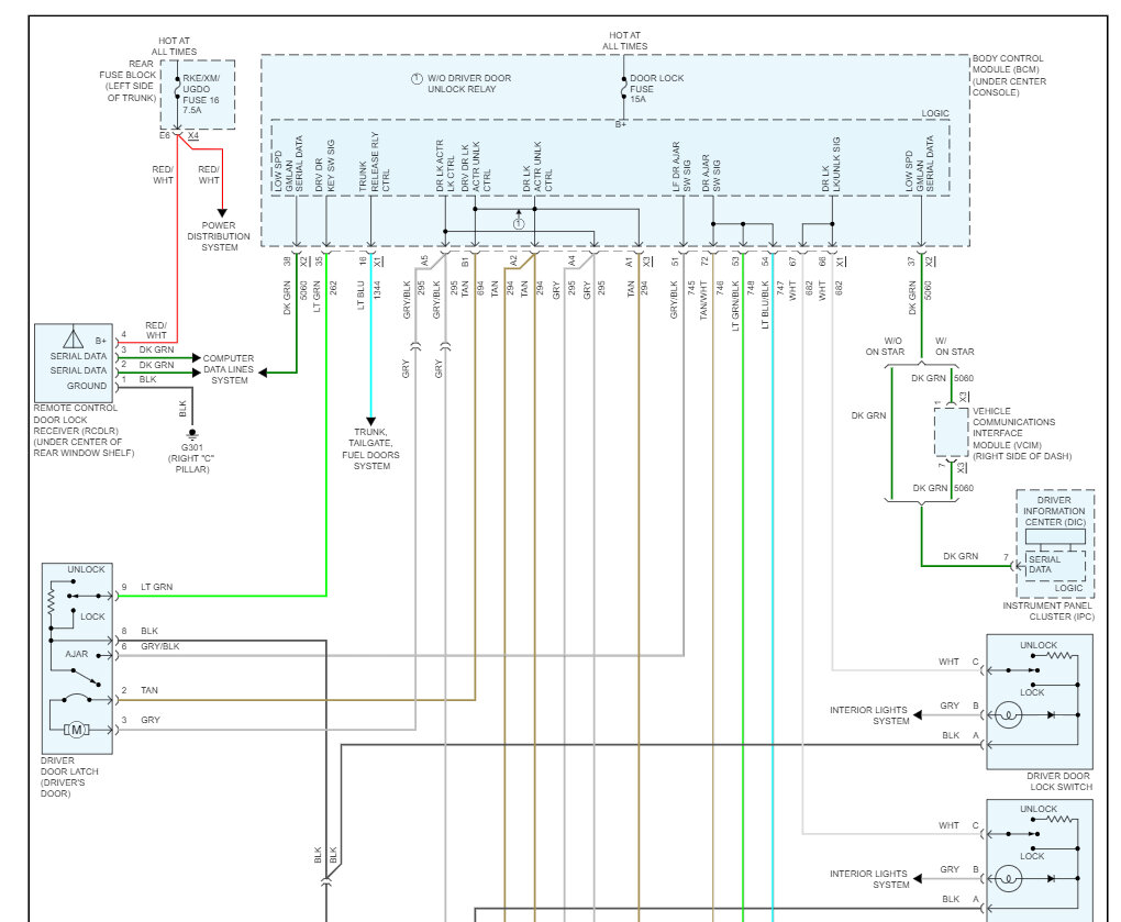
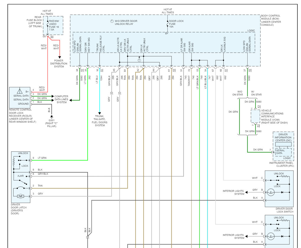
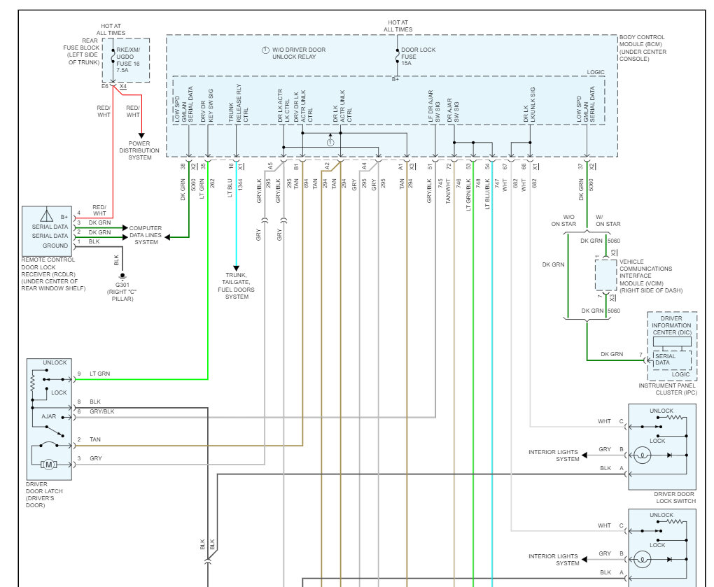
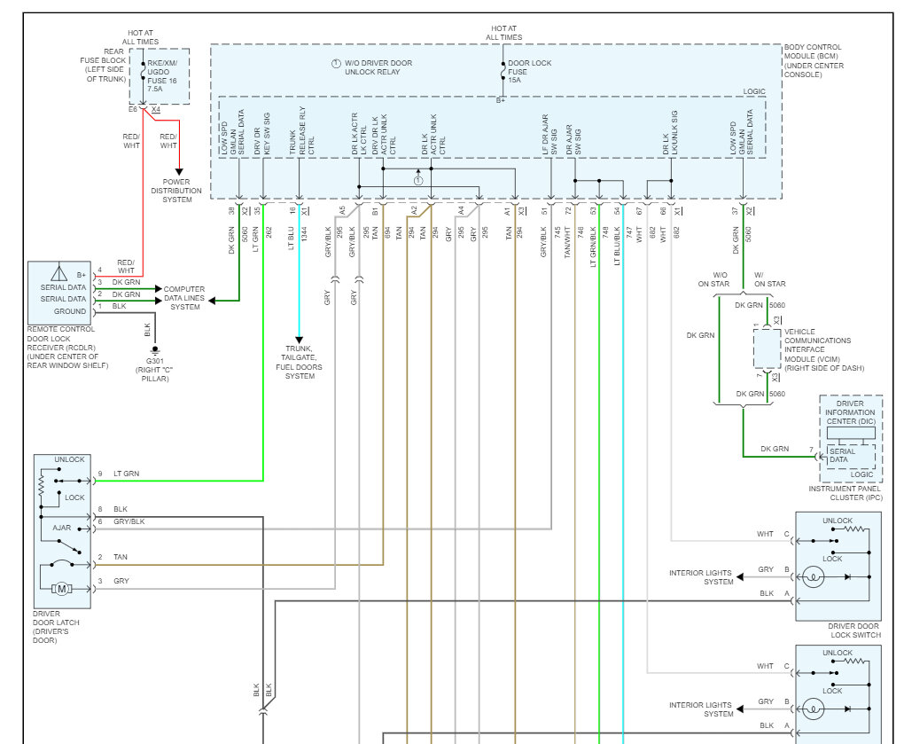
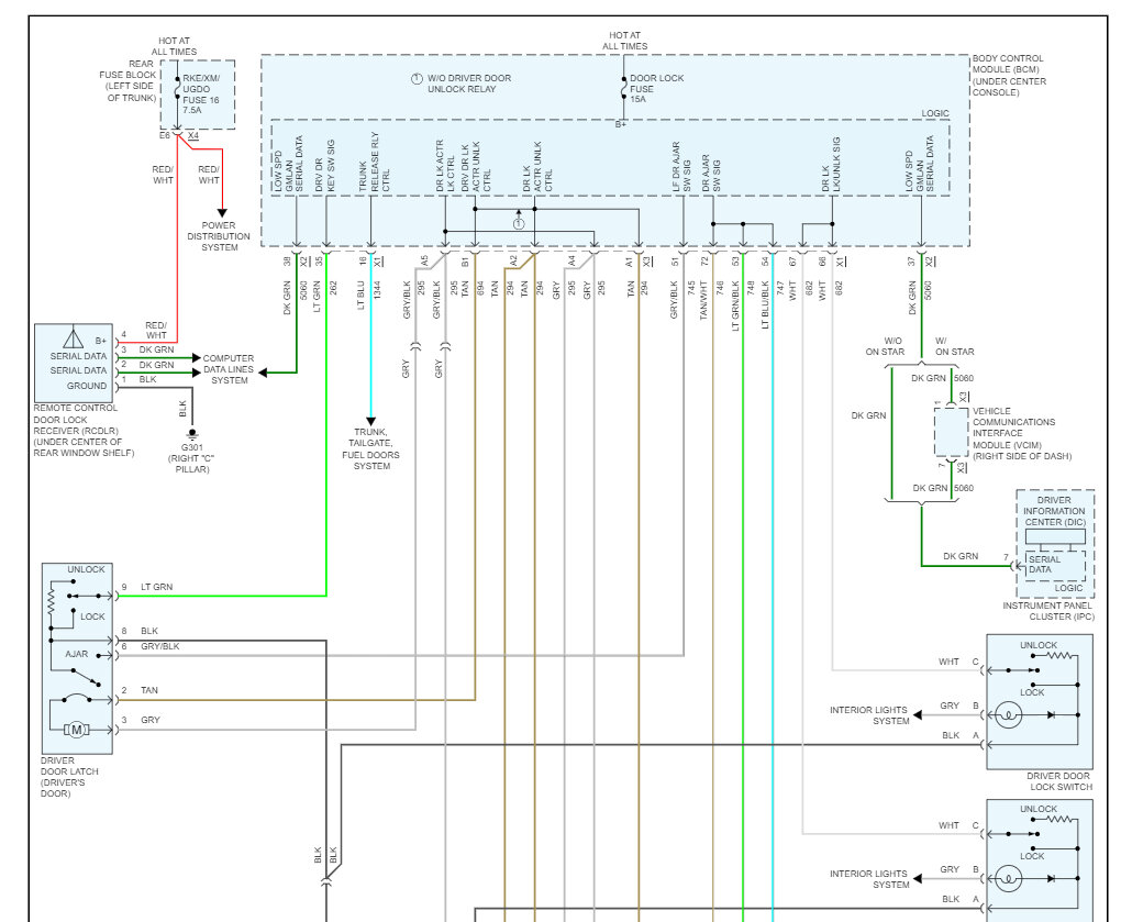
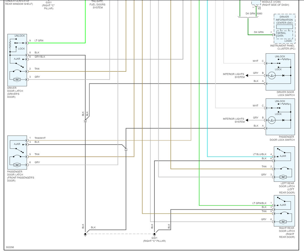
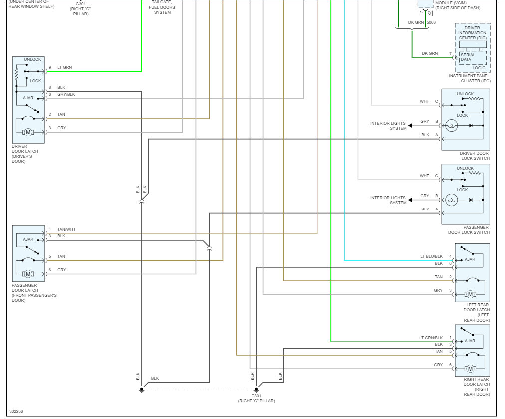
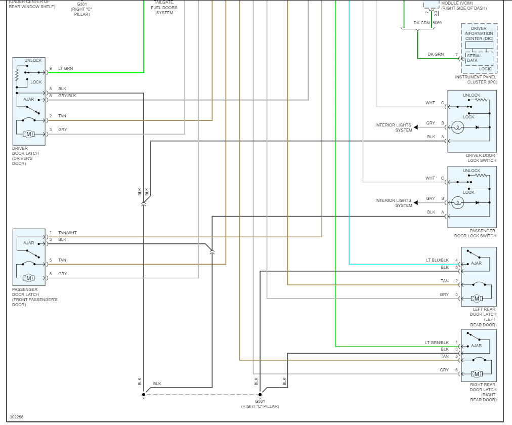
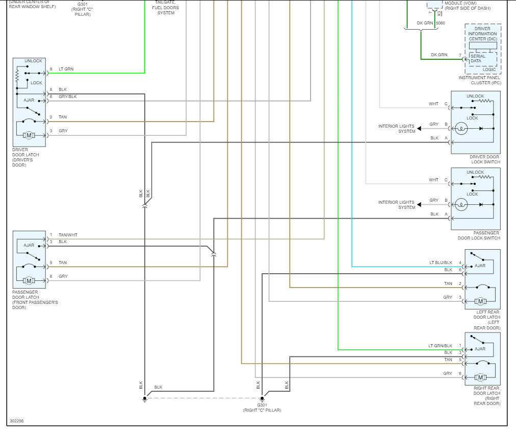
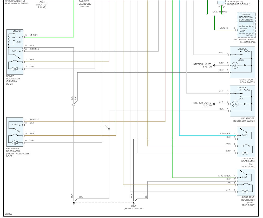
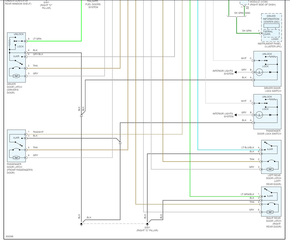
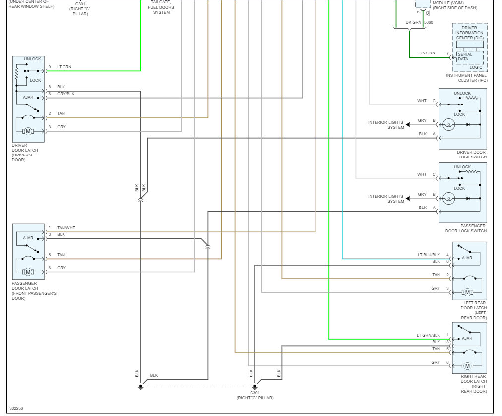
I am having an issue where the plungers on all four of my doors will move, but not move up or down to lock or unlock. Sometimes one or two will move up and down, but a lot of the time none of them do. Also, the LOCK button on the driver's door does not function. The LOCK button works on the passenger door, but not the driver's side.





