Power liftgate not working properly

Tiny
GARBAGEBUG
  • MEMBER
  • 2005 CHRYSLER PACIFICA
  • 3.5L
  • V6
  • 4WD
  • AUTOMATIC
  • 145,000 MILES
Using the key fob results in the tail light flashing as normal, but not the beeps, and the liftgate does not release or raise. The release button in the passenger compartment results in nothing as well as the exterior latch in the liftgate. Where do I go from here? All other systems I have tested or are functional as far as I know. Things I have done: tested marked fuses for liftgate, reseated all connectors on PCM/BCM.
Monday, March 15th, 2021 AT 3:54 PM

11 Replies

Tiny
AL514
  • MECHANIC
  • 5,595 POSTS
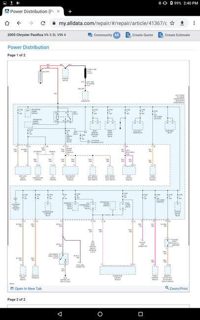
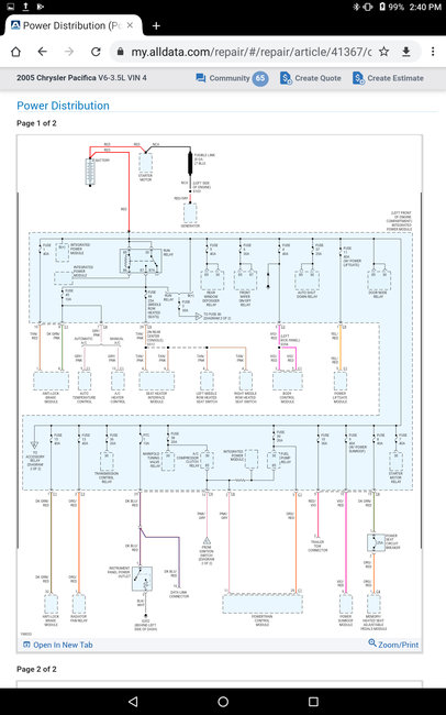
Hello, the lift gate has its own module for controlling the gates functions. It's a pretty complicated system. The lift gate module communicates with the BCM for some functions. There may be Diagnostic trouble codes stored in the liftgate module or BCM. Most of the cheaper scan tools won't communicate with individual modules. There is a list of tests that can be done, but most of them require a special scan tool. I'm going to provide as much information as I can on this systems faults. Plus the connector locations. There are a lot of possibilities why the system may not be operating correctly. There are some tests listed below but as I said they require a scan tool that can communicate with at least the BCM. A full system scan should be done to see if there's any codes in any modules. Local auto parts stores will do a scan on the vehicle, that might turn up a code and give you some direction in diagnosing this issue. You can at least get to the connections for the module on page 3 below. You can check the connectors in the rear left of the body. See if there are any corroded connectors, also check any body ground connections back there too. If the key fob does flash the lights, it's at least sending a signal to the module. *Edit I've added the wiring diagram for the liftgate system as well. After some further research, it seems this is a problem with a lot of these vehicles. Some have been liftgate motor failure, the power liftgate drive unit has an optical sensor that can fail. But start with checking the wiring in the rear of the vehicle.
Was this
answer
helpful?
Yes
No
+2
Tuesday, March 16th, 2021 AT 10:07 AM
Tiny
GARBAGEBUG
  • MEMBER
  • 5 POSTS
Looks like I have a lot to digest, trace, test and trouble shoot. Thank you! This will all be helpful!
Was this
answer
helpful?
Yes
No
Tuesday, March 16th, 2021 AT 11:50 AM
Tiny
AL514
  • MECHANIC
  • 5,595 POSTS
No problem. If you have any questions on testing, let us know. You can test a lot of the liftgate circuits with a multimeter. There is PCI communications involved in this circuit, so that's data being transferred which I usually use a lab scope to watch, but you can check the communications voltage levels with a multimeter. That can tell you if it's missing, shorted to ground, or shorted to power. Because you're missing the horn beep, I'm assuming it doesn't beep at all? That would be an indication of something else going on, it should beep when you lock it with the key fob. So I'm concerned with a possible communication fault. I wanted to add one thing, I think you should do a Google search for all the recalls or technical service bulletins on this vehicle. I did a little more research and there seems to be some really important technical service bulletins that might need to be fixed on your vehicle for safety reasons. These are things the dealership will have to fix for free. Especially recalls. Just a side note.
Was this
answer
helpful?
Yes
No
+1
Tuesday, March 16th, 2021 AT 12:36 PM
Tiny
GARBAGEBUG
  • MEMBER
  • 5 POSTS
So, found the issue.
Was this
answer
helpful?
Yes
No
Saturday, March 20th, 2021 AT 1:21 PM
Tiny
AL514
  • MECHANIC
  • 5,595 POSTS
Oh my, I haven't seen a module that melted in years, was that in the vehicle or underneath? I think you would have smelled that burning inside. Is that the liftgate module? I have to show that picture to some of my tech buddies. I'm guessing that's one of the recalls. I'm glad you found the problem though, good job man. I just wanted to add, did you find any other wire issues? That type of melt down is massive current flow through that module. I would replace the fuse and relay along with that module.
Was this
answer
helpful?
Yes
No
+1
Monday, March 22nd, 2021 AT 8:27 AM
Tiny
GARBAGEBUG
  • MEMBER
  • 5 POSTS
I have not found any other wiring issues yet. I am digging further. I will be replacing the fuse as well; kind of think it should have popped given the damage to the module. Going to be pain to splice/wire in the new plugs but it is what it is. It is the liftgate module and it is inside the passenger compartment. I am guessing the melt down occurred when I had a battery charger pop smoke and shut off, so no one was in the vehicle. Still think I would have noticed the smoke and smell for that kind of damage.
Was this
answer
helpful?
Yes
No
Monday, March 22nd, 2021 AT 9:00 AM
Tiny
AL514
  • MECHANIC
  • 5,595 POSTS
You had a battery charger fail on you? How long ago was that? I'm still concerned there's a short to ground somewhere. I'd would not like for you to put a new module in and the same thing happen. That could have started the vehicle on fire. And yes I don't know how you didn't smell that burning. I'd check all the grounds and powers under the hood too. Just to be sure. You can get heat shrink but connectors that would be best if you don't know how to solder. But you really need to seal those splices from any moisture. Looking back at that diagram, I'd recommend checking the power liftgate drive unit and the liftgate release motor, plus the body control module (BCM). Check the connectors on those units for any evidence of heat. If the pins on those connectors look dark, like they got hot as well. Something else caused this. You're correct about the fuse not popping. That's why I believe all that current flow came from a different location.
Was this
answer
helpful?
Yes
No
+1
Monday, March 22nd, 2021 AT 9:07 AM
Tiny
AL514
  • MECHANIC
  • 5,595 POSTS
Here are some more diagrams for the ground circuits and liftgate motor. I'm going to pull up some more as well. For the power circuits and anything else I can find for you. Have you taken the ground off the battery for now? And is there anything else in the vehicle not working correctly? The more I look at this, the more concerned I am. We need to find out what caused this. Any details about the battery charger would help. I think you're going to find more melted wires together unfortunately.
Was this
answer
helpful?
Yes
No
+1
Monday, March 22nd, 2021 AT 9:37 AM
Tiny
AL514
  • MECHANIC
  • 5,595 POSTS
I'm just adding these diagrams for you, I couldn't add them to my last post. These are the power circuit diagrams for you to check the rest of any power supplies.
Was this
answer
helpful?
Yes
No
+1
Wednesday, March 24th, 2021 AT 11:59 AM
Tiny
GARBAGEBUG
  • MEMBER
  • 5 POSTS
The battery charger shorted to the ground lead thus sending current up the ground cable in the car. I had to replace the PCM and BCM (re-flashed), and other than the liftgate everything is working as expected. I have not ran across any other melted or charred wiring, or connectors. I will check the drive unit as well as the latch/pulldown in the liftgate. Waiting on the module and plugs with pig tails; at that point I will go over everything again looking for any ducks. I greatly appreciate the diagrams and data you have been able to provide.
Was this
answer
helpful?
Yes
No
Thursday, March 25th, 2021 AT 10:20 AM
Tiny
AL514
  • MECHANIC
  • 5,595 POSTS
No problem, that's too bad about the charger. Has the same effect as hooking up a battery backwards. It always burns multiple modules until the current flow stops. I'm surprised it was only 3 modules. Especially with a charger being plugged into the wall. Hopefully it had a fuse in it. If you run into any other issues when you get everything together, let us know. You may want to take some precautions when going to hook up the battery. Maybe put a fuse across the ground wire temporary while you put the key to the on position first. Incase there's any shorts in the main power feeds, keep from burning anything up if there's still wiring issues. It will be a scary first start. Hope it goes alright for you.
Was this
answer
helpful?
Yes
No
+1
Friday, March 26th, 2021 AT 4:41 PM

Please login or register to post a reply.