Thursday, November 16th, 2023 AT 1:38 PM
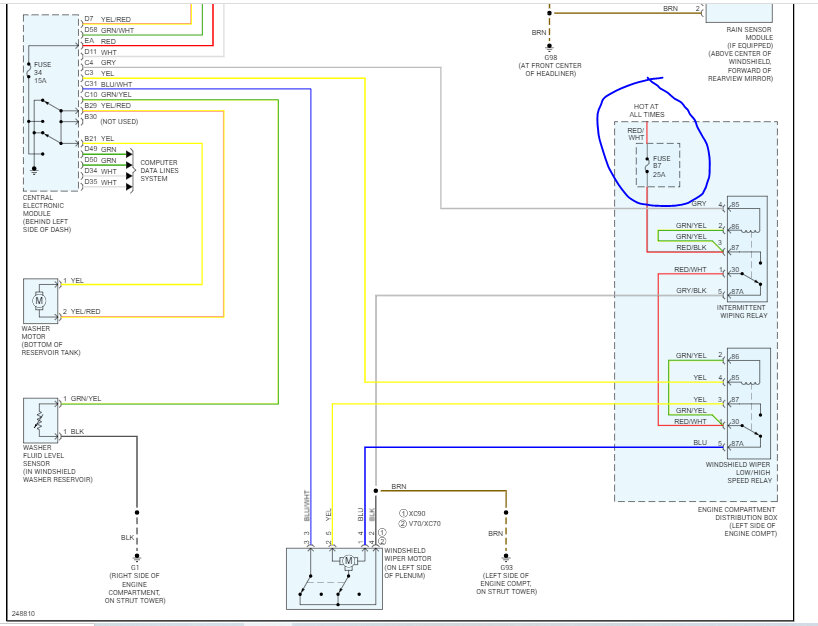
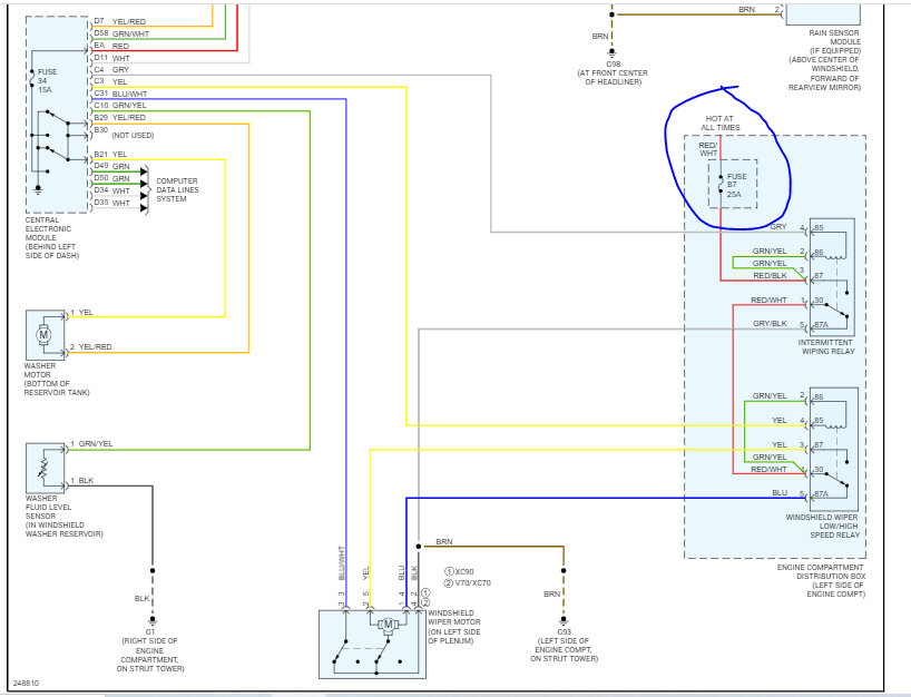
I bought this car a few years ago and the windshield wipers worked completely fine. Now I can't get the wipers to work, I have checked the fuse under the hood that shows in the manual, changed motor, changed switch. How do I test to see what would be causing the issue directly? The owner prior did install an aftermarket stereo that I removed and tried to put back in the old one due to there being no power to the passenger seat which was a mess in itself so there is no stereo. I also have no power to the front cigarette lighter and I made sure it was plugged in. I'm not sure what else to do at this point but wonder if the issue is stemming from wiring issue where the stereo belongs or something else. Thank you in advance for any help!



