Power front seat not working

Tiny
JD567
  • MEMBER
  • 1995 OLDSMOBILE CUTLASS
  • V6
  • 2WD
  • AUTOMATIC
  • 115,000 MILES
Front seat won't move. I think it is a fuse but can't find it.
A location would help me tons.
Tuesday, August 27th, 2019 AT 10:50 AM

1 Reply

Tiny
KASEKENNY
  • MECHANIC
  • 18,907 POSTS
Hi,

Does the passenger side seat move? They are run off the same fuse so if that side works then the fuse is ok.

Does the seat move in any direction or does it not move at all in any direction?

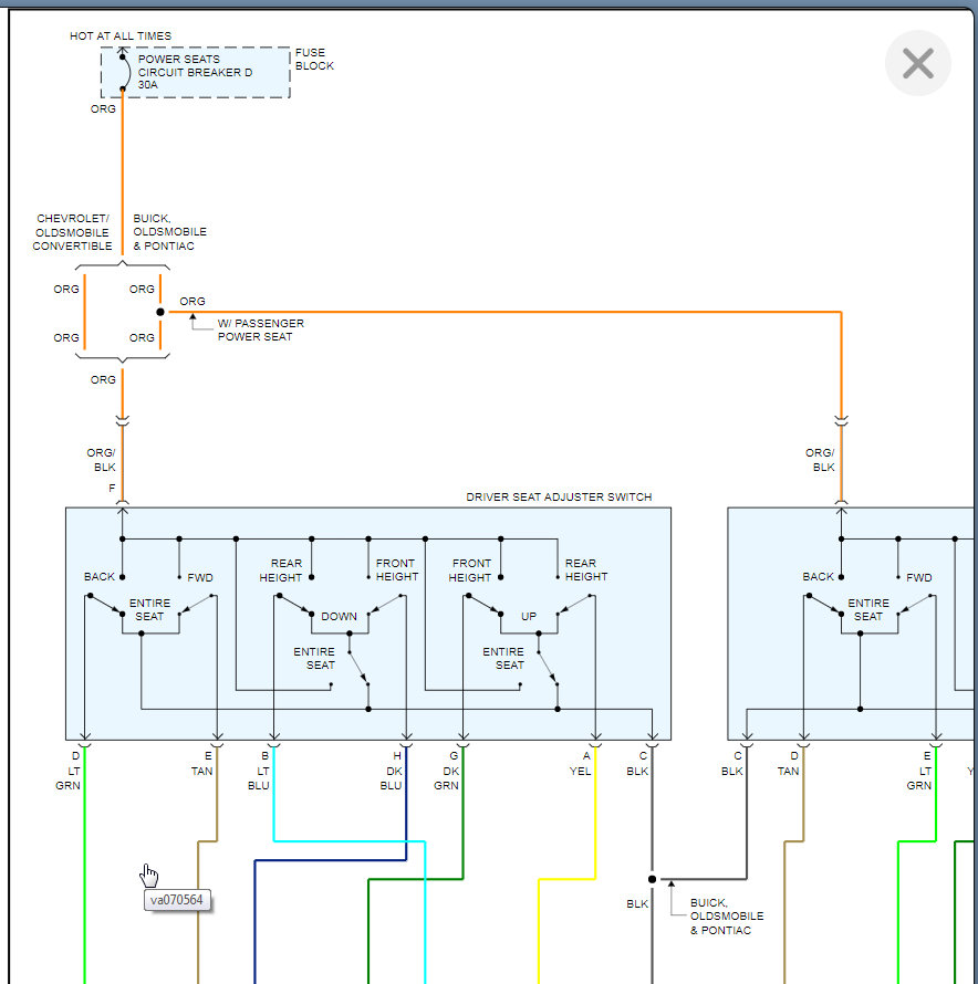
I attached the diagrams. These are run off the 30 amp breaker in slot D.

Let me know what you find and we can go from there. Thanks
Was this
answer
helpful?
Yes
No
+1
Tuesday, August 27th, 2019 AT 5:05 PM

Please login or register to post a reply.