Monday, January 9th, 2023 AT 7:35 AM
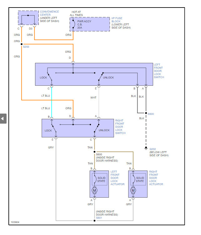
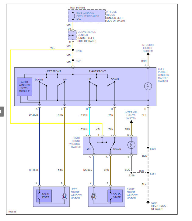
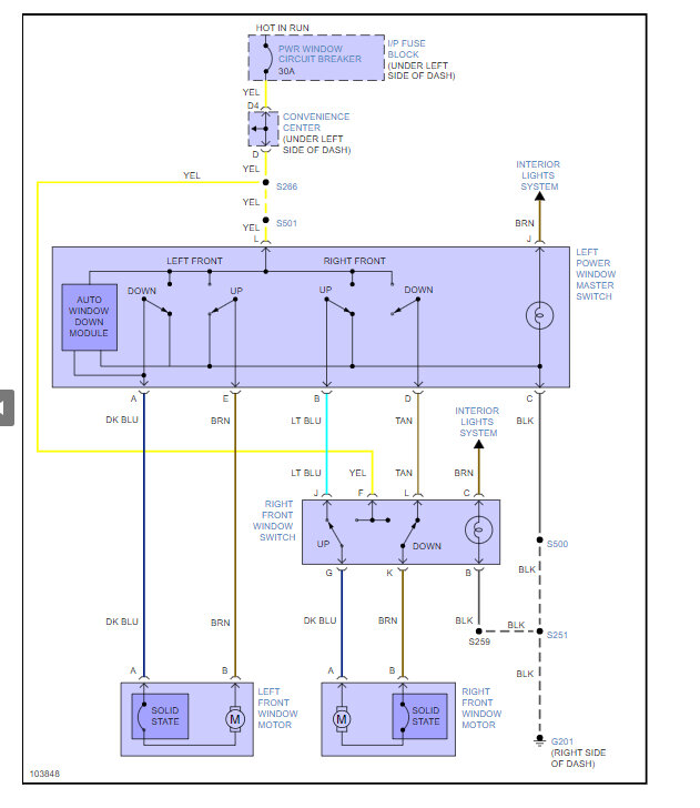
I have an issue where if my power locks are bumped, it's very difficult to unlock my truck. Sometimes I have to hit them several times to cause the lock to come high enough to disengage the door. Being that the truck is so old, and I really don't want to put any unnecessary money into it, I was wondering if there is a way, I can disconnect the electric part of it. I assume the windows and locks are on the same fuse. I unplugged that part of the buttons on both sides of the truck, but it also turns off my windows. I am only looking to cut power to the door locks. Are they separate fuses?


