Power door lock not working properly

Tiny
AVALON1995
  • MEMBER
  • 1995 TOYOTA AVALON
  • 3.0L
  • 200,000 MILES
There is an issue with the power door lock on the driver's side. When pushing the unlock switch button, everything is operational as there is a click sound and all four doors unlock. However, when pushing the lock switch button, it's inoperative, there is no click sound, and non of the four doors lock.

On the passenger's side, everything is operational with both the lock and unlock switch buttons as there is a click sound and all four doors lock and unlock.

Can you please provide directions and tell me how I can go about troubleshooting this issue? If there will be a need to use a multi-meter or a test light to carry out the troubleshooting, it would be greatly appreciated if you can provide a detailed direction. Can you also please provide the wiring diagram for the power door lock system and the power window system? Thank you!
Thursday, July 23rd, 2020 AT 3:34 AM

20 Replies

Tiny
JACOBANDNICKOLAS
  • MECHANIC
  • 110,192 POSTS
Hi,

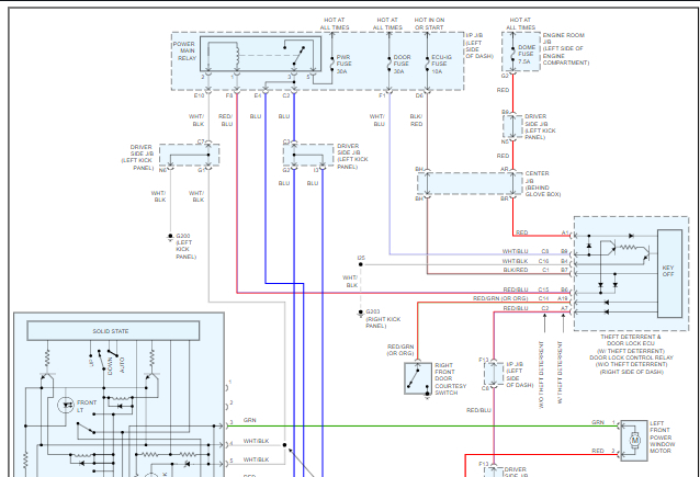
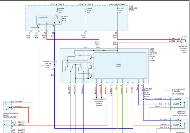
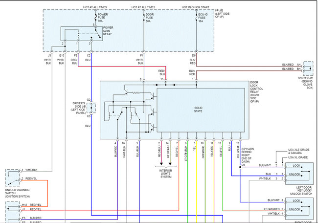
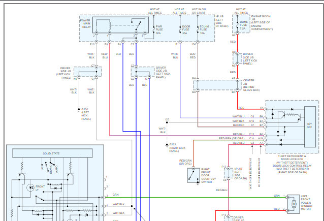
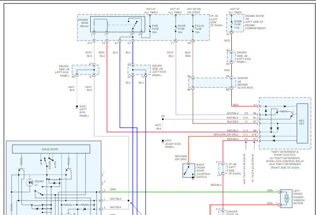
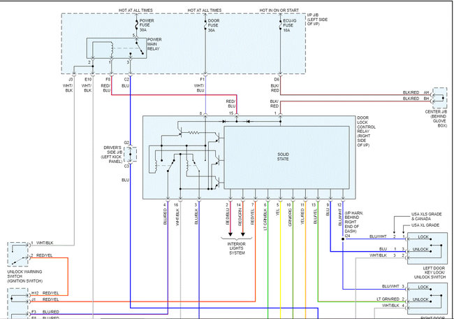
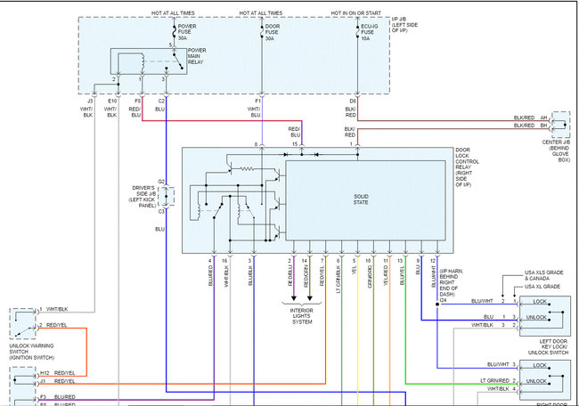
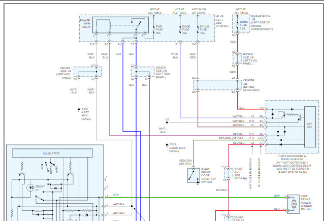
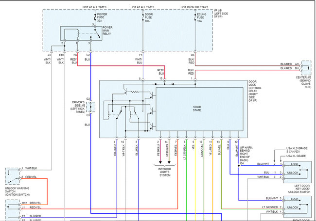
The first two pics are of the entire locking system. I had to break the pic in half to make it readable, but I did overlap it so you could follow it.

In pic 3, I circled two things. First, the green wire with an orange tracer should get power when you press the lock switch on the driver's side. You will need to remove the door panel to access this. I will provide directions for that next.

What I need you to do can be done with a test light. You will check to see if power comes out of the switch at that wire I mentioned. If there is power, I have a feeling the second thing I circled which is where the wires splice together, may be the problem. On the other hand, if no power is shown at that wire, then the switch is bad.

______________________________________

1995 Toyota Avalon V6-3.0L (1MZ-FE)
Procedures
Vehicle Body and Frame Doors, Hood and Trunk Doors Front Door Service and Repair Procedures
PROCEDURES
DISASSEMBLY

1. REMOVE INSIDE HANDLE BEZEL
2. REMOVE COURTESY LIGHT
3. REMOVE POWER WINDOW SWITCH

see pic 4

4. REMOVE DOOR TRIM
a. Using a screwdriver, remove the 3 caps.

HINT: Tape the screwdriver tip before use.

B. Remove the 7 screws and clip.
C. Insert a screwdriver between the door and door trim to pry the trim out.

NOTE: Be careful not to damage the door and door trim.

HINT: Tape the screwdriver tip before use.

D. Pull the trim upward to remove it.

________________________________

If you are able to access the switch wiring without removing the entire door panel, that is fine.

Let me know what you find or if you have other questions.

Take care,
Joe
Was this
answer
helpful?
Yes
No
Thursday, July 23rd, 2020 AT 6:58 AM
Tiny
AVALON1995
  • MEMBER
  • 121 POSTS
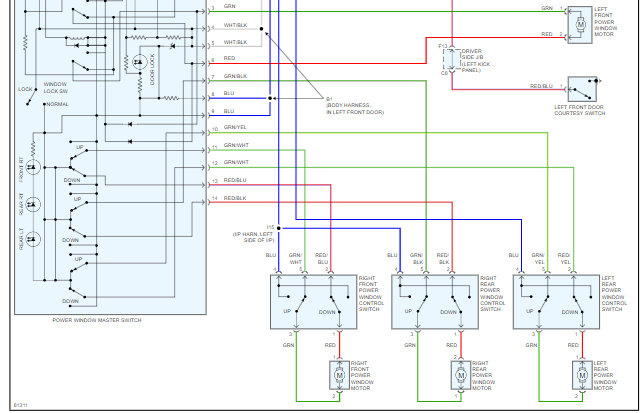
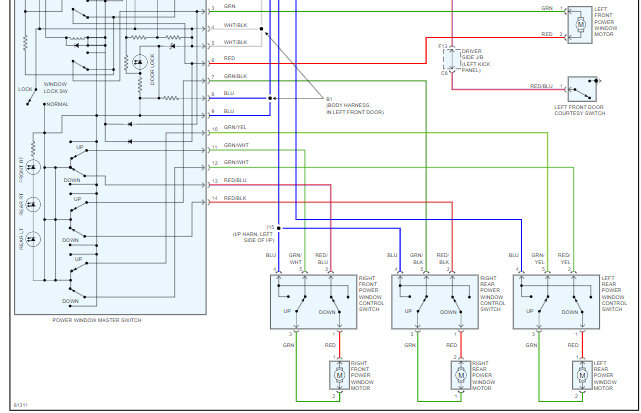
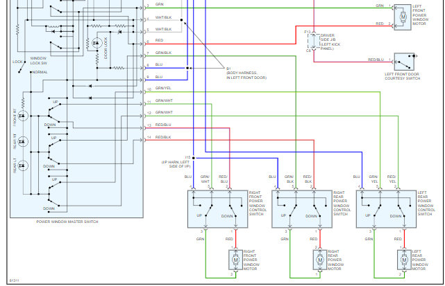
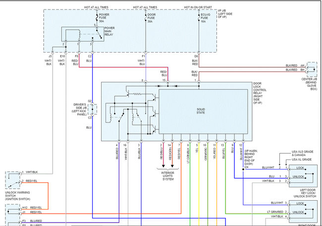
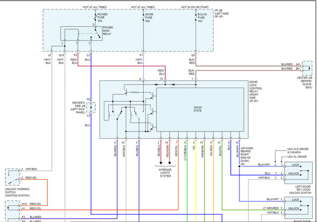
Can you please provide the wiring diagram for the power window system? They don't appear to be included in the diagrams you have provided? Thank you!
Was this
answer
helpful?
Yes
No
+1
Monday, July 27th, 2020 AT 2:27 AM
Tiny
DANNY L
  • MECHANIC
  • 5,648 POSTS
Hello, I'm Danny.

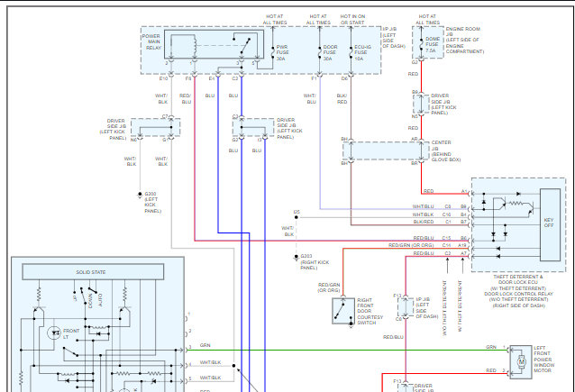
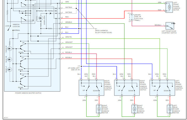
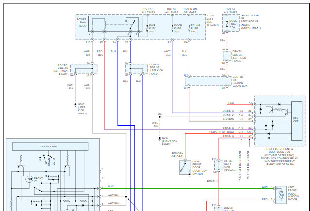
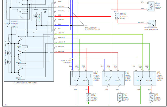
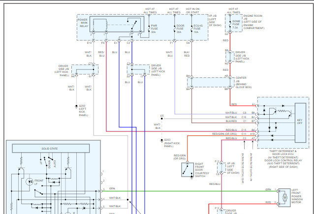
Here is the power window wiring diagram you requested. I have cut the picture in half for you to view larger. If you need anything further let Joe or I know as we're here to help. Hope this helps and thanks again for using 2CarPros.
Was this
answer
helpful?
Yes
No
+1
Monday, July 27th, 2020 AT 4:49 PM
Tiny
AVALON1995
  • MEMBER
  • 121 POSTS
To resolve the issue with the power door lock on the driver's side, this is what I have done.

Unlike the rear doors, to access the switch panel assembly, the door panel does not need to be removed for the front doors. Then I removed the switch panel assembly and disconnected the wiring connector. Then I used a test light to back probe that wiring connector for the respective lock and unlock wires. Lo and behold, the test light was able to lock and unlock the doors. Hence, I was pretty confident that the issue must be from the switch panel, more specifically the circuit board. I then replaced the switch panel and everything is now operative. By the way, is there a way to fix the circuit board?

I used the same method to control the power windows with a test light, however, it didn't work .I tried it on the front passenger's side door, which a perfectly functioning power window and I made sure the key was on the "on" position in the ignition. So, my question is why did the test light method work for the power door lock, but not for the power window? Attached is a video link where I saw it being performed. Thank you!

https://youtu.be/B1t8CnMpp4Q
Was this
answer
helpful?
Yes
No
Friday, July 31st, 2020 AT 2:30 PM
Tiny
JACOBANDNICKOLAS
  • MECHANIC
  • 110,192 POSTS
Hi,

Glad to hear you got it fixed. As far as fixing a circuit board, you would have to identify which solder joint has failed or what has melted down. They can be tricky to fix simply there is no room for error

Take care of yourself and let us know if you have questions in the future.

Joe
Was this
answer
helpful?
Yes
No
Friday, July 31st, 2020 AT 10:45 PM
Tiny
AVALON1995
  • MEMBER
  • 121 POSTS
Thank you for your response. I was really hoping you could address my last paragraph as well. I will look forward to hearing from you.

Cheers!
Was this
answer
helpful?
Yes
No
Saturday, August 1st, 2020 AT 4:07 AM
Tiny
AVALON1995
  • MEMBER
  • 121 POSTS
Let me simplify my question. As mentioned, by using a test light into the wiring connector of the door lock switch panel, the door was able to lock and unlock. However, when I attempted the same method for the power window with a test light and the key in the "on" position, just as shown in the video clip attached below, it did not move the window up or down even though it's a perfectly functioning window. So, my question is why did the test light method work for the power door lock, but not for the power window?

https://youtu.be/B1t8CnMpp4Q

Thank you!
Was this
answer
helpful?
Yes
No
Saturday, August 1st, 2020 AT 1:11 PM
Tiny
JACOBANDNICKOLAS
  • MECHANIC
  • 110,192 POSTS
Hi,

That is a good question. The test light is being used as a ground path and completing a circuit. Did it light up?

Joe
Was this
answer
helpful?
Yes
No
Saturday, August 1st, 2020 AT 10:40 PM
Tiny
AVALON1995
  • MEMBER
  • 121 POSTS
It did light up, but it didn't move the window up or down like it did in the video clip.
Was this
answer
helpful?
Yes
No
Saturday, August 1st, 2020 AT 10:59 PM
Tiny
JACOBANDNICKOLAS
  • MECHANIC
  • 110,192 POSTS
In all honesty, that doesn't make sense. If it lit up, then the circuit was complete and the motor should have engaged. Are you certain it was the right pin in the connector?

Joe
Was this
answer
helpful?
Yes
No
Saturday, August 1st, 2020 AT 11:01 PM
Tiny
AVALON1995
  • MEMBER
  • 121 POSTS
I tried it out on the front passenger's side door. There are only a handful of pins. I tried it out on all of the pins to see if the window will move up or down, and nothing happened. In terms of lighting up, only one of the pins lights up. I believe that would be the power wire.
Was this
answer
helpful?
Yes
No
Saturday, August 1st, 2020 AT 11:09 PM
Tiny
AVALON1995
  • MEMBER
  • 121 POSTS
By running a positive and a negative wire from the battery to the window motor switch, the window is able to move up and down as demonstrated in the attached 2carpros.com videi link. I have tried this method on my car and it has worked out. So, the interesting question to me is, if a positive and a negative wire from the battery is required to be connected to the motor switch for the window to operate, then how in the world is a test light by itself supposed to move the window up and down as demonstrated in the second attached video link? Something clearly is not adding up.

https://youtu.be/HBFBcJrdym4. (2carpros.com)

https://youtu.be/B1t8CnMpp4Q

Was this
answer
helpful?
Yes
No
Sunday, August 2nd, 2020 AT 12:26 AM
Tiny
JACOBANDNICKOLAS
  • MECHANIC
  • 110,192 POSTS
Yes, that is correct. Do you know the wire color of the pin that lights up? I can try to find it in a wiring schematic.

Joe
Was this
answer
helpful?
Yes
No
Sunday, August 2nd, 2020 AT 12:38 AM
Tiny
AVALON1995
  • MEMBER
  • 121 POSTS
Well, on the front passenger's side door, it is the blue wire. By the way, can you please provide a wiring diagram for the power window system? Thanks!
Was this
answer
helpful?
Yes
No
+1
Sunday, August 2nd, 2020 AT 12:50 AM
Tiny
AVALON1995
  • MEMBER
  • 121 POSTS
By running a positive and a negative wire from the battery to the window motor switch, the window is able to roll up and down as demonstrated in the attached 2CarPros video link. I have tried this method on my car and it has worked out. So, the interesting question to me is, if a positive and a negative wire from the battery is required to be connected to the motor switch for the window to operate, then how in the world is a test light by itself supposed to roll the window up and down as demonstrated in the other video link I sent you earlier? Something clearly is not adding up.

https://youtu.be/HBFBcJrdym4
Was this
answer
helpful?
Yes
No
Sunday, August 2nd, 2020 AT 1:06 AM
Tiny
AVALON1995
  • MEMBER
  • 121 POSTS
Here is the other video link I sent earlier:

https://youtu.be/B1t8CnMpp4Q
Was this
answer
helpful?
Yes
No
Sunday, August 2nd, 2020 AT 1:08 AM
Tiny
DANNY L
  • MECHANIC
  • 5,648 POSTS
Hello again.

If you scroll up in this thread I've attached a power window wiring diagram on a prior reply. Hope this helps and thanks again for using 2CarPros.

Danny-
Was this
answer
helpful?
Yes
No
Sunday, August 2nd, 2020 AT 7:31 PM
Tiny
AVALON1995
  • MEMBER
  • 121 POSTS
Can the lock/unlock switch button that is circled in red in the attached picture be removed? If so, how do I do it?

Thanks!

Cheers!
Was this
answer
helpful?
Yes
No
Wednesday, August 5th, 2020 AT 3:15 AM
Tiny
JACOBANDNICKOLAS
  • MECHANIC
  • 110,192 POSTS
They aren't meant to be taken apart. Under it is nothing more than a printed circuit board.

Joe
Was this
answer
helpful?
Yes
No
Wednesday, August 5th, 2020 AT 10:33 PM
Tiny
DANNY L
  • MECHANIC
  • 5,648 POSTS
Hello again.

To answer your question, no. I would not advise taking apart or modifying the switch. The best tool to use when it comes to wiring issues is a Power Probe. It has way more testing capabilities than a test light.A Power Probe has a digital display and in addition to a positive and negative lead it also has a power cable that attaches to a vehicles battery. You can then have the ability by using a push button switch to actually apply voltage to a circuit or accessories to test function and get a voltage reading at the same time. Although test lights are handy this might by something to consider due to your current tricky wiring problem. I've attached a picture below of what they look like. Hope this helps and thanks again for using 2CarPros.
Was this
answer
helpful?
Yes
No
Wednesday, August 5th, 2020 AT 11:02 PM

Please login or register to post a reply.