Power door lock relay location

2003 PONTIAC GRAND AM
87,000 MILES • 2.2L • 4 CYL • 2WD • AUTOMATIC
Avatar
JALLOUN
  • MEMBER
  • 1 POST
Where is the location of door lock relay?
Apr 25, 2019 at 1:07 PM
Repair Safety Notice: This information is for general instructional purposes only. Vehicle repair can be dangerous. Verify all information, follow manufacturer service procedures, use proper tools and safety equipment, and consult a qualified repair shop when needed.
Advertisement
Avatar
ASEMASTER6371
  • CAR REPAIR CONTRIBUTOR
  • 52,796 POSTS
Good afternoon,

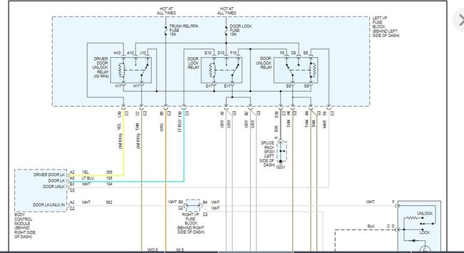
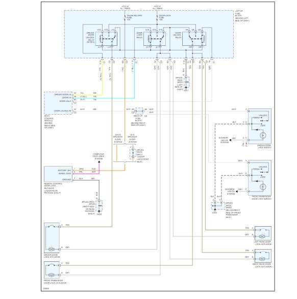
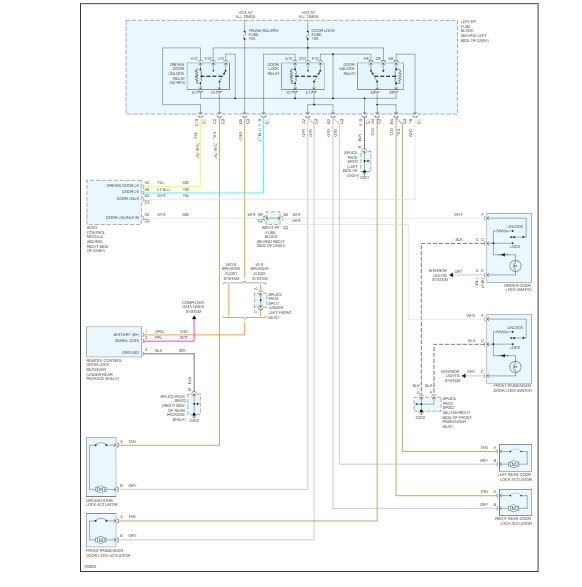
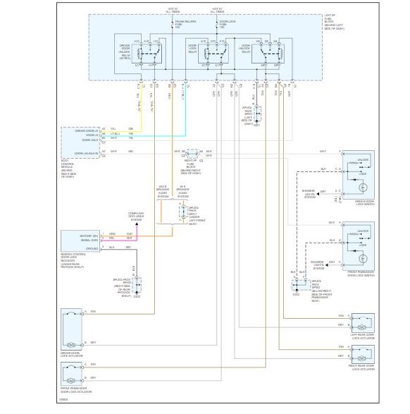
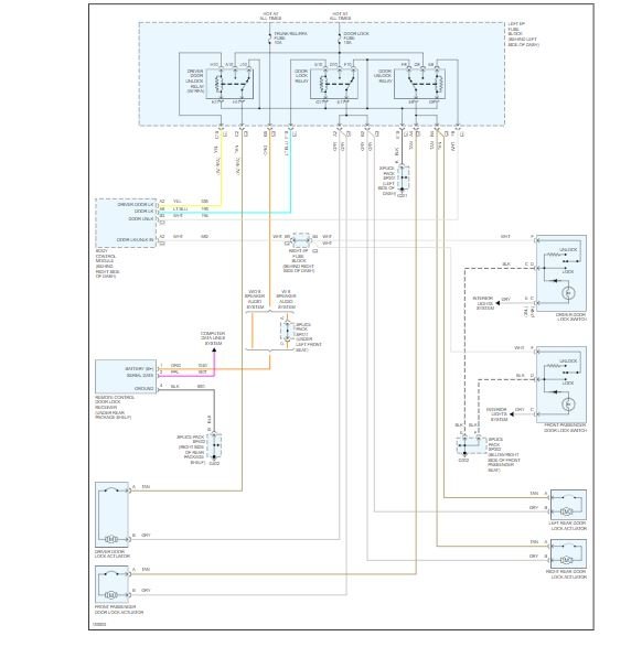
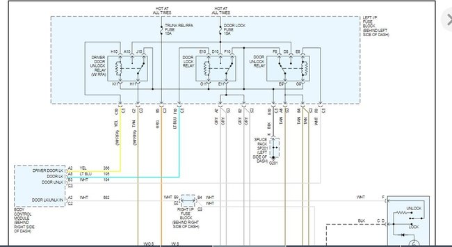
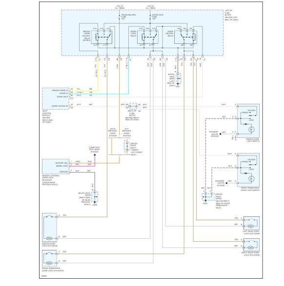
The relay is on the fuse panel in the car. I attached a wiring diagram for you to view with the location.

Roy
Apr 25, 2019 at 1:21 PM
Advertisement
Avatar
SCGRANTURISMO
  • CAR REPAIR CONTRIBUTOR
  • 4,897 POSTS
Hello,

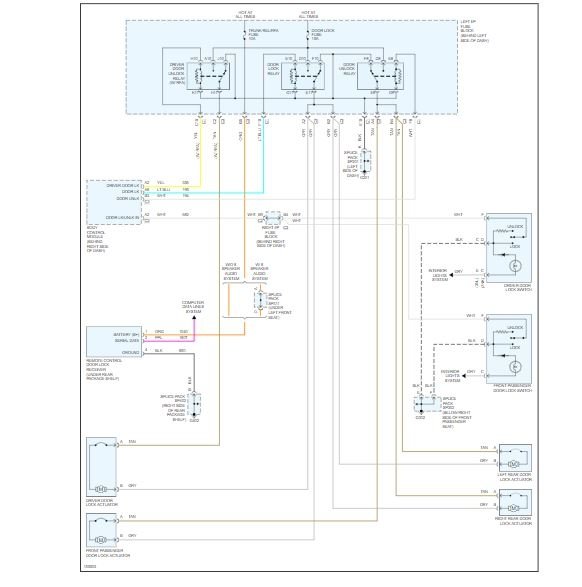
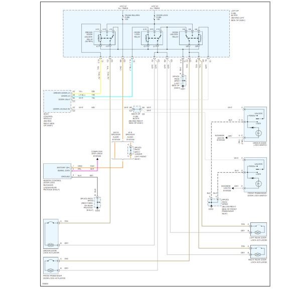
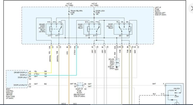
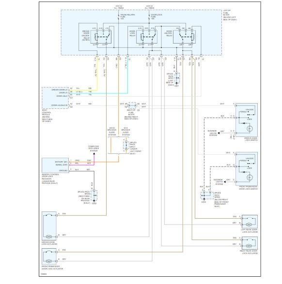
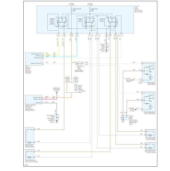
They are located in the left side instrument panel fuse block located, you guessed it, on the left side of the instrument panel. I have included wiring diagrams for the door lock circuit and location and a detailed description of the fuse panel in the diagrams down below. Please, if you have any other car related questions, feel free to ask. It's why we are here.

Thanks,
Alex
2CarPros
Apr 25, 2019 at 1:32 PM