Power distribution center wiring diagram needed?

Tiny
MARMAR0727
  • MEMBER
  • 1998 DODGE DAKOTA
  • 3.9L
  • 6 CYL
  • 2WD
  • AUTOMATIC
  • 160,000 MILES
My power distribution center was cut out and I'm trying to wire a new one in and I don't know the wiring.
Saturday, June 24th, 2023 AT 9:44 PM

3 Replies

Tiny
JACOBANDNICKOLAS
  • MECHANIC
  • 110,192 POSTS
Hi,

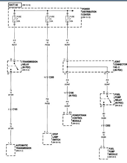
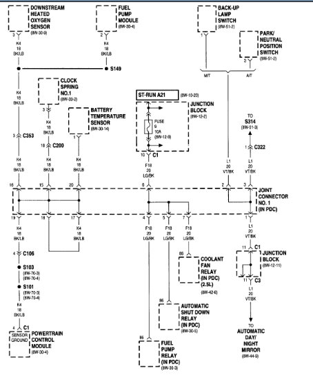
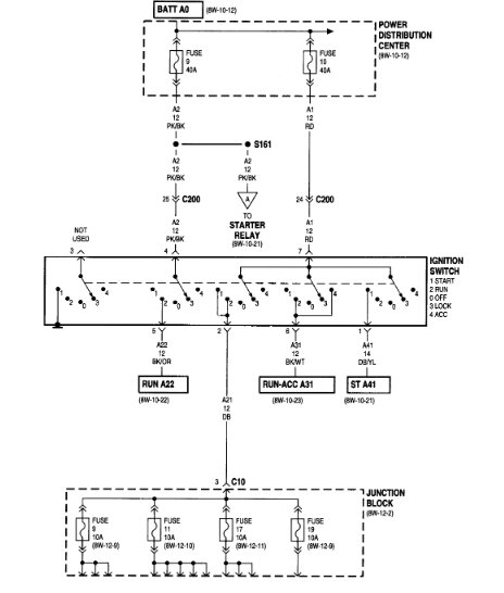
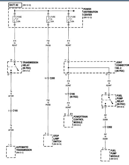
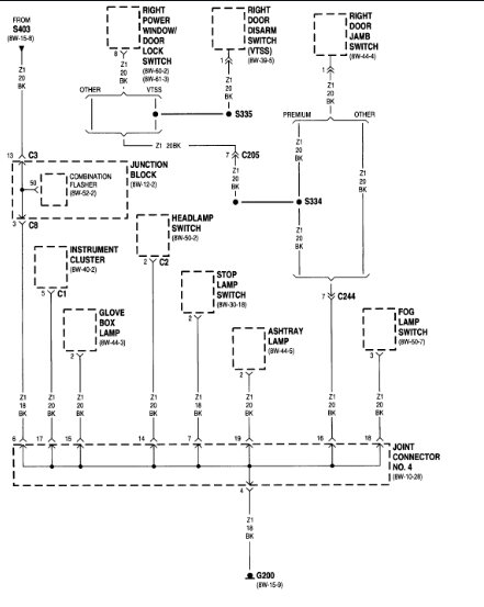
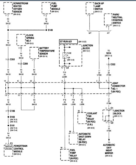
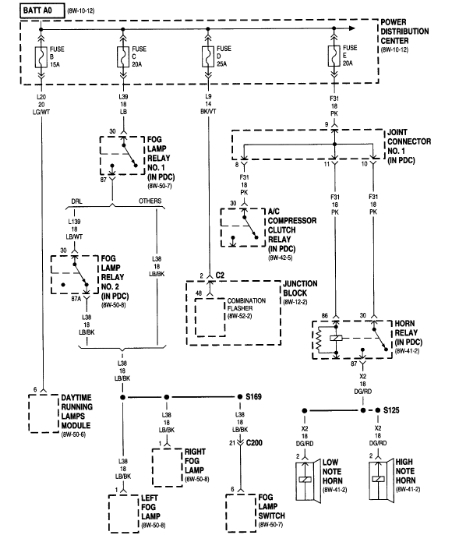
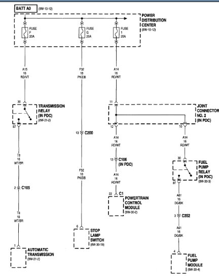
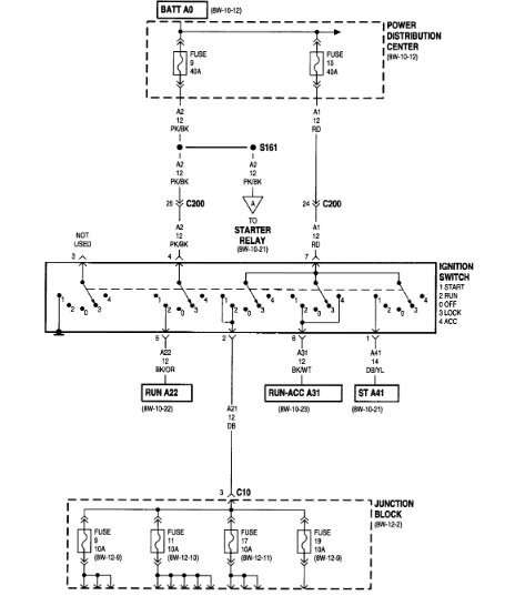
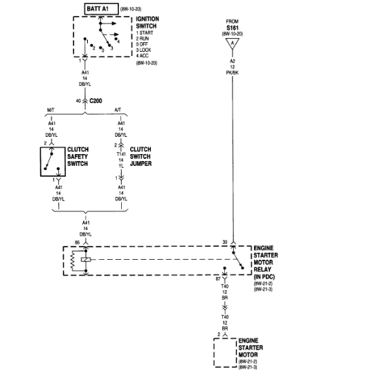
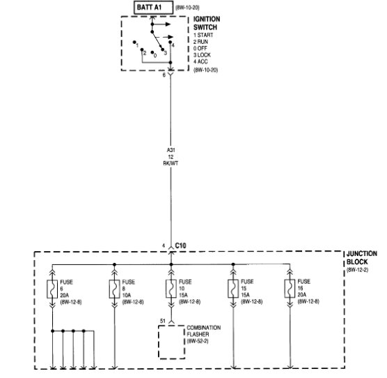
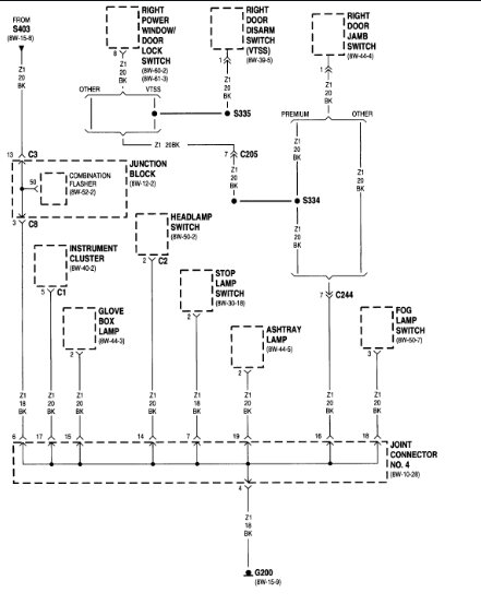
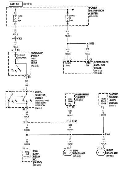
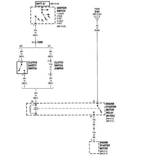
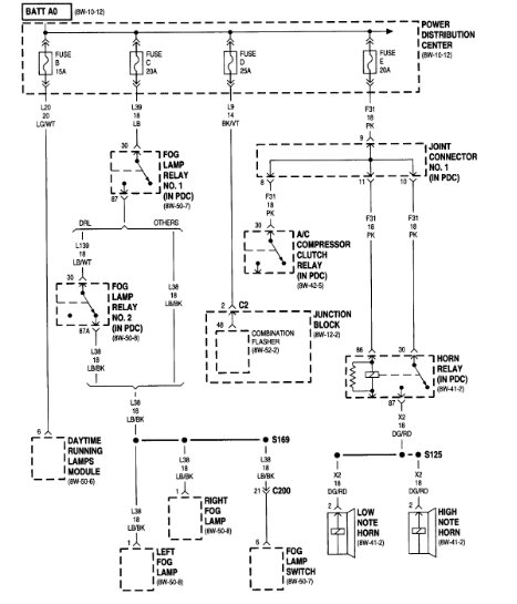
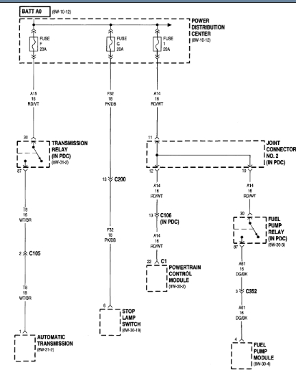
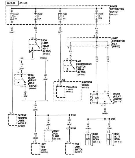
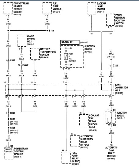
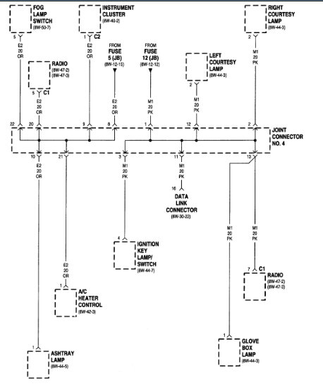
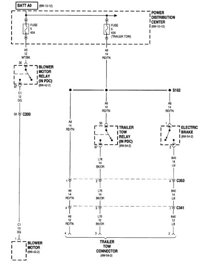
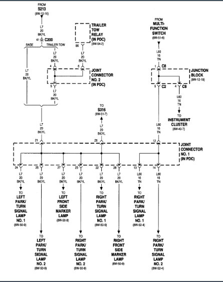
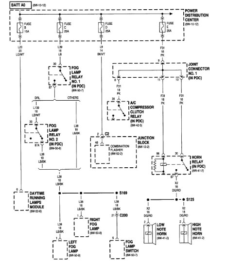
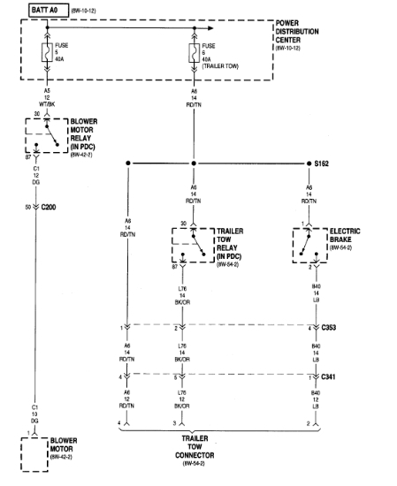
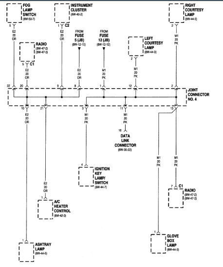
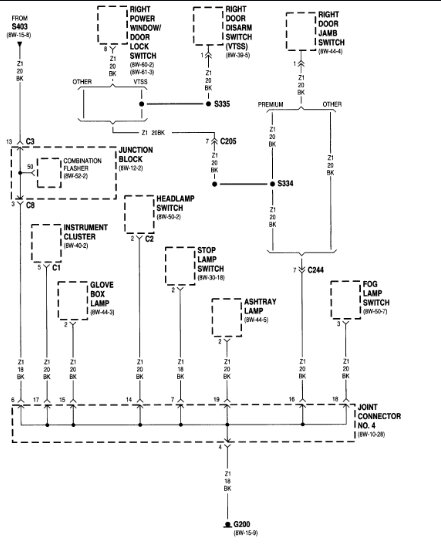
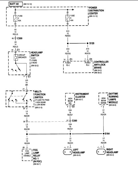
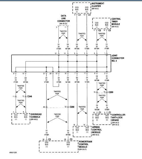
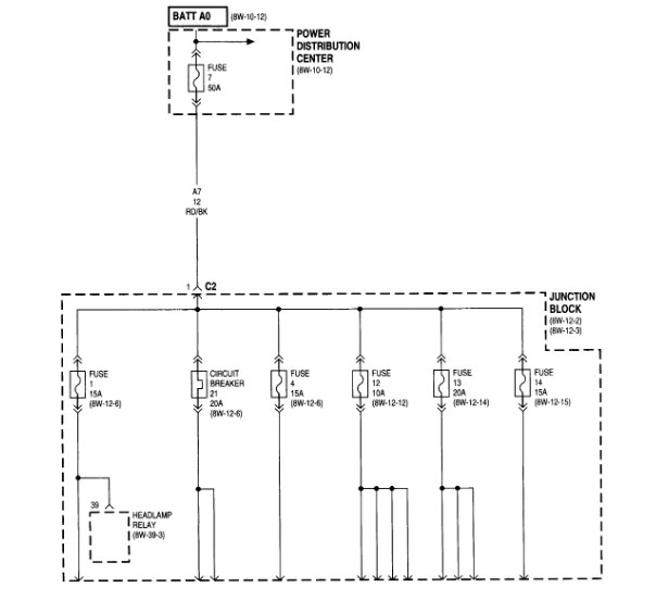
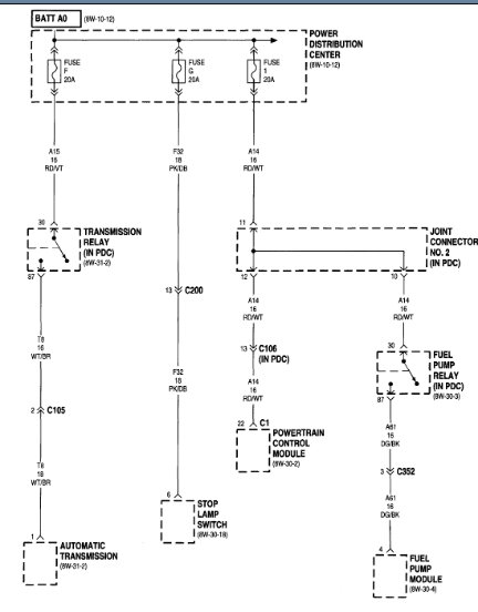
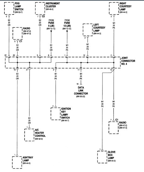
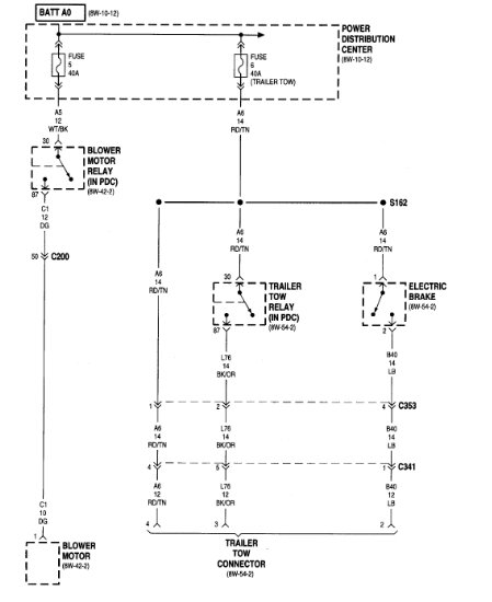
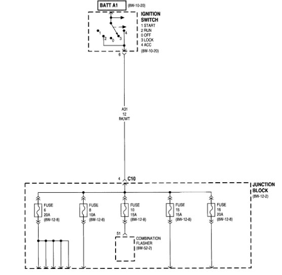
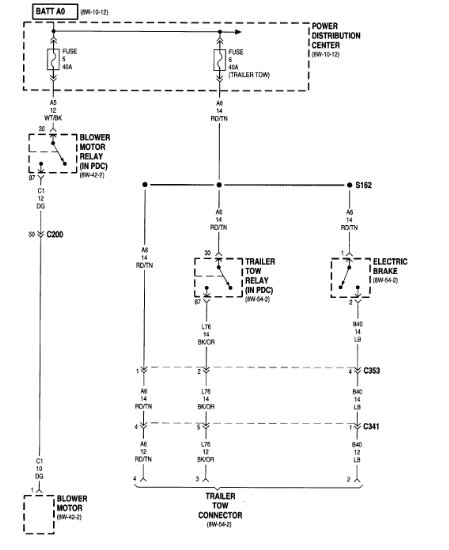
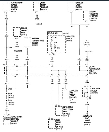
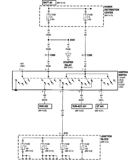
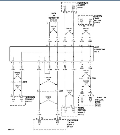
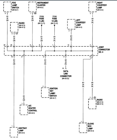
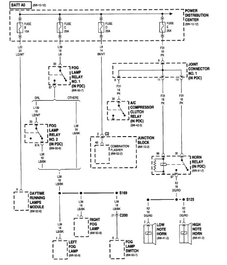
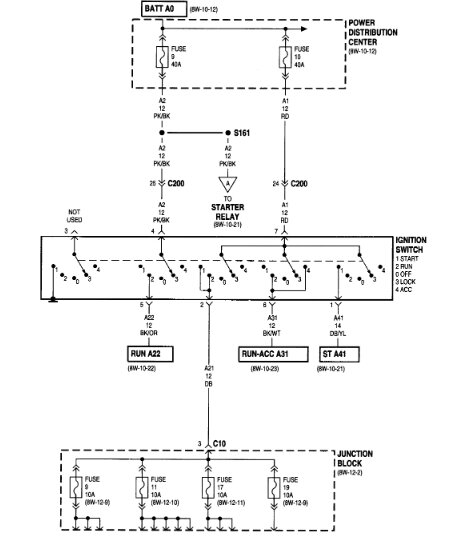
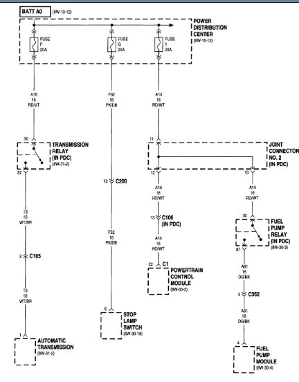
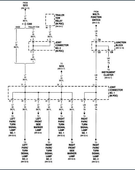
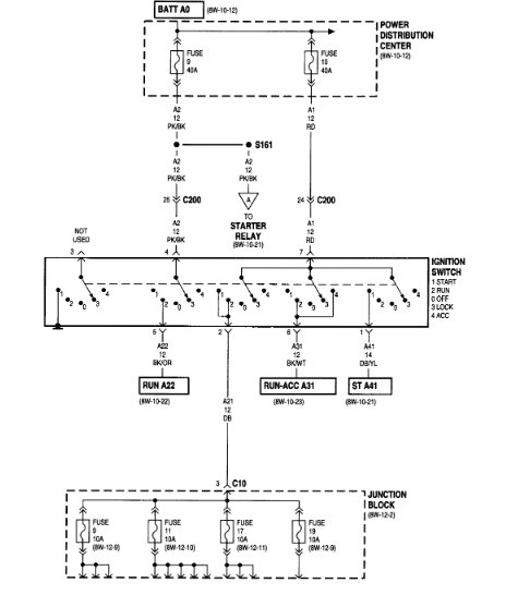
I'm not sure what would be more helpful. The power distribution schematics or something specific to the box itself. The only pics of the box wiring are from the factory and are difficult to follow. Plus, it is somewhat long.

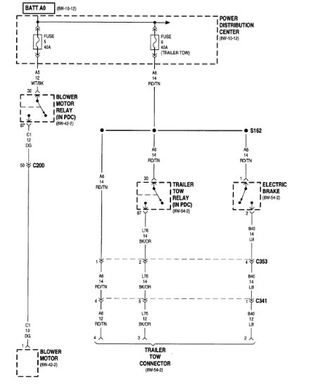
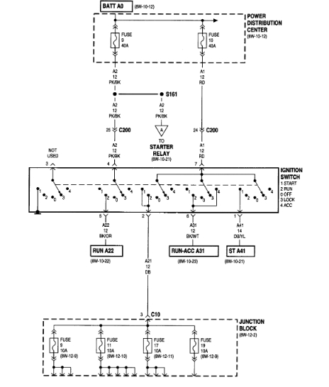
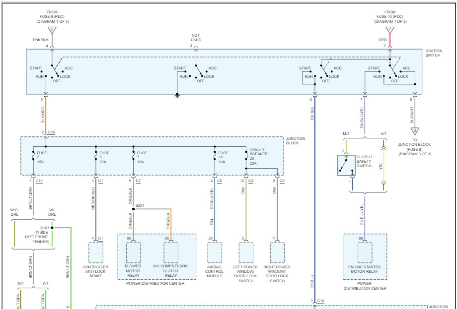
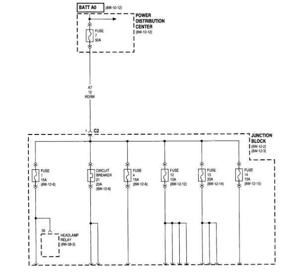
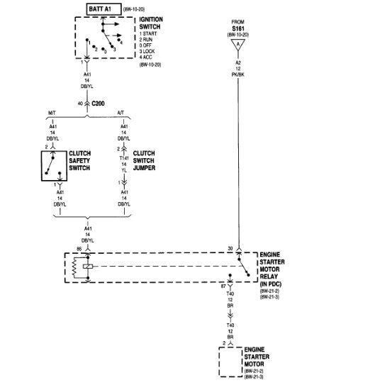
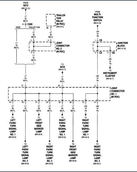
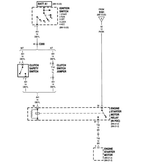
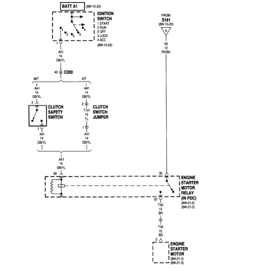
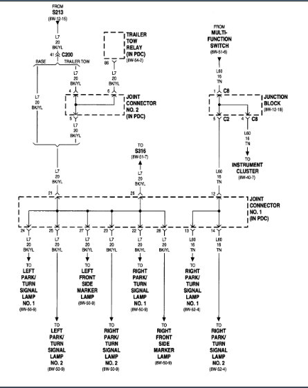
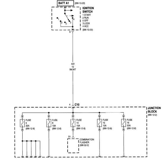
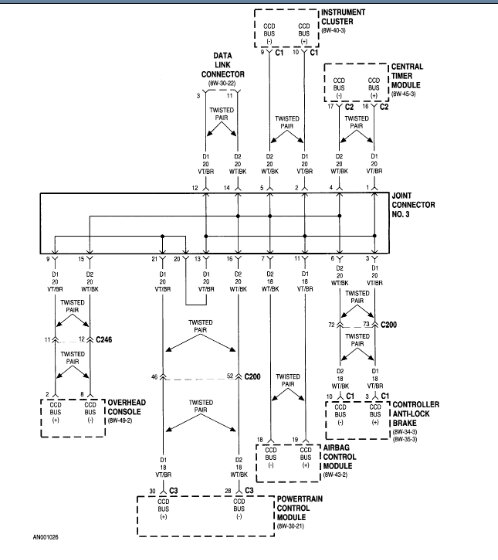
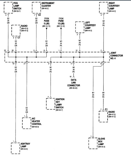
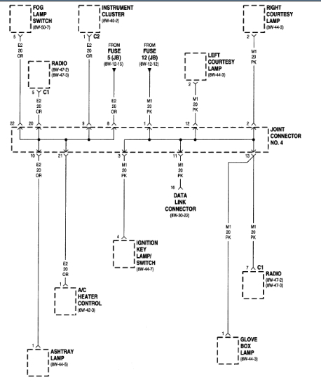
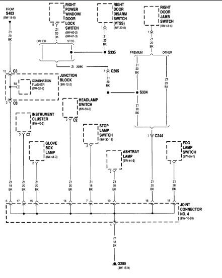
Do me a favor. I attached the power distribution schematics below. These ones are in color, and I find them easier to follow. Take a look through them and let me know if they help or if you want the others.

Note that the schematics were three pages long. I had to cut each pin in half to make them readable. I did overlap them so you can follow from one to the next.

Let me know if this helps.

Take care,

joe

See pics below.
Was this
answer
helpful?
Yes
No
Saturday, June 24th, 2023 AT 11:20 PM
Tiny
MARMAR0727
  • MEMBER
  • 1 POST
I've seen those. I'm need the wires that go in the power distribution center.
Was this
answer
helpful?
Yes
No
Sunday, June 25th, 2023 AT 11:04 AM
Tiny
JACOBANDNICKOLAS
  • MECHANIC
  • 110,192 POSTS
Hi,

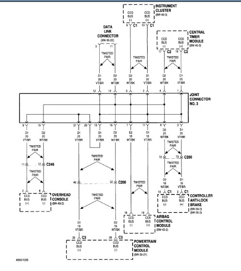
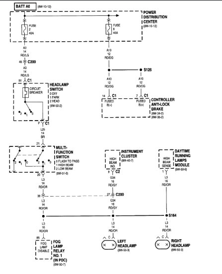
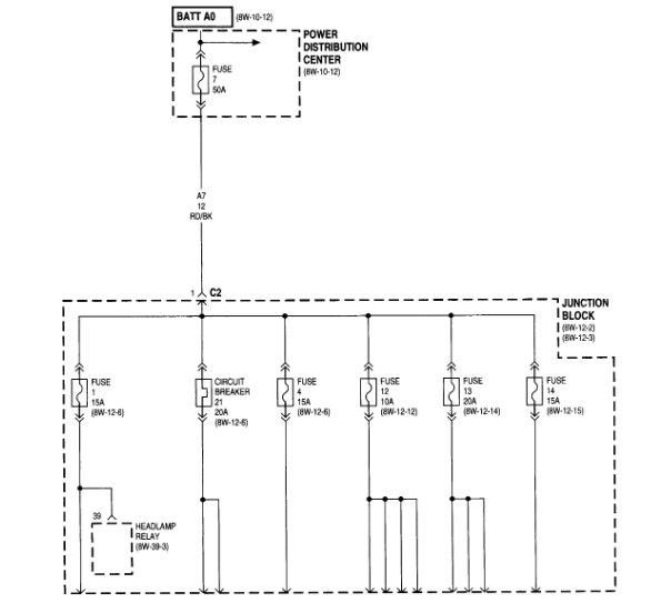
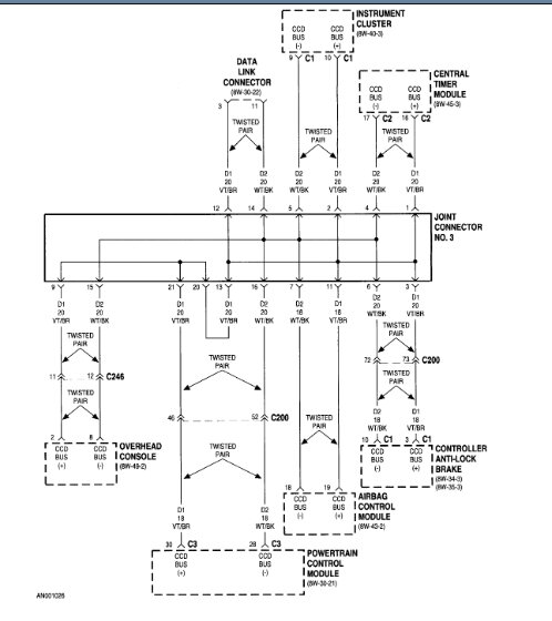
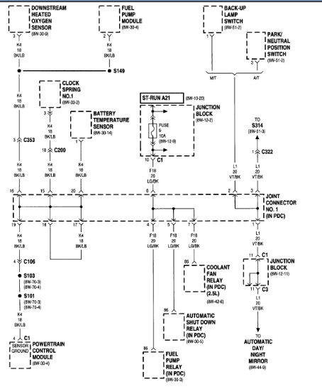
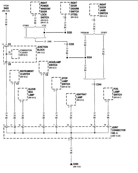
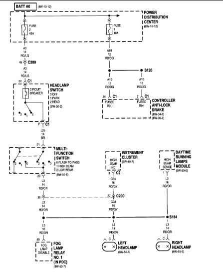
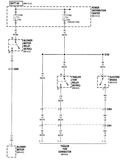
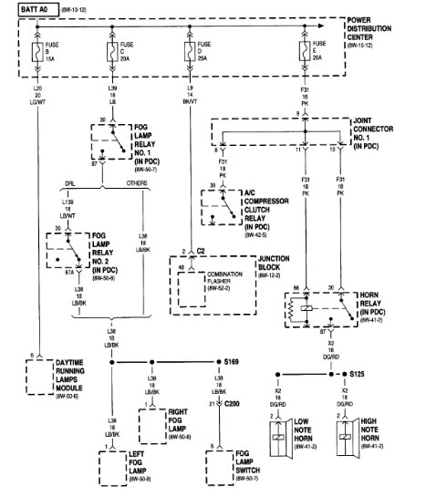
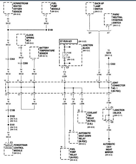
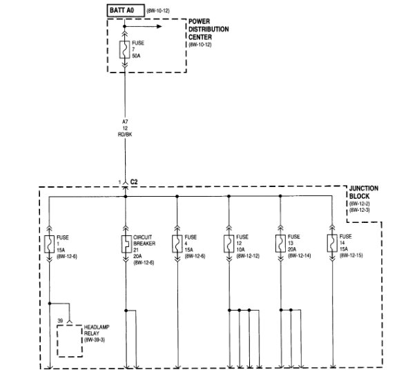
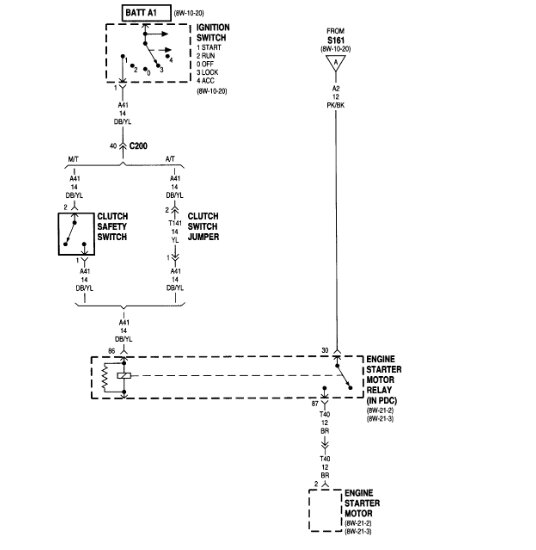
Okay, I attached everything OEM that I have for power distribution. I included the fuse box pin identification. Also, I included the schematics for the power distribution center.

I hope this helps. I don't know what else to offer at this point.

Let me know.

Take care,

Joe

See pics below.
Was this
answer
helpful?
Yes
No
Sunday, June 25th, 2023 AT 9:10 PM

Please login or register to post a reply.