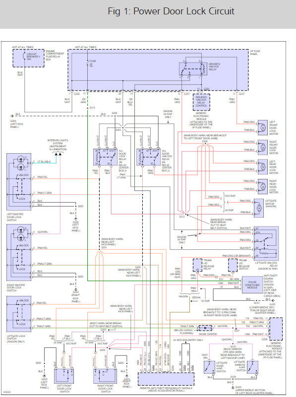
Saturday, June 23rd, 2018 AT 8:26 AM
Car just randomly shut down completely while driving. Have put it on a scanner and it gave a code for the anti theft system. Cannot afford to take it to a shop so trying to fix it myself. What do I need to do?


