Code P0336, poor acceleration?

Tiny
ABAYA
  • MEMBER
  • 2009 CHEVROLET CAPTIVA
  • 2.0L
  • 4 CYL
  • TURBO
  • 4WD
  • MANUAL
  • 140,000 MILES
Hi, after the ECM throws DTC P0336. I replaced a new CKP sensor, fixed wires and connector, the problem remains with the same DTC.
Please help.
Tuesday, September 10th, 2024 AT 11:44 PM

5 Replies

Tiny
KEN L
  • MASTER CERTIFIED MECHANIC
  • 55,090 POSTS
So, you have a new sensor which is what should be done first on this kind of problem.

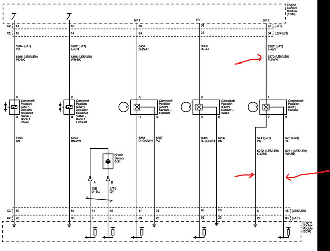
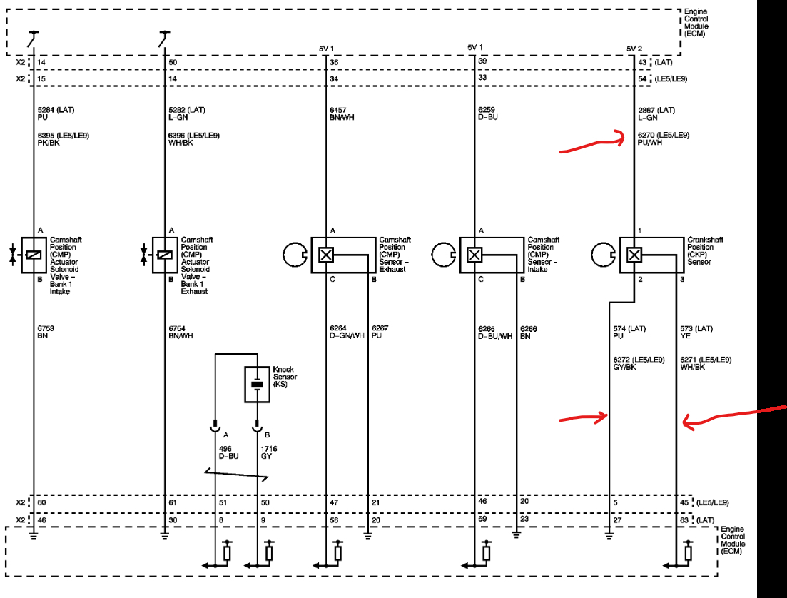
DTC P0336 refers to a Crankshaft Position Sensor "A" Circuit Range/Performance issue.

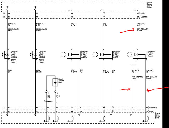
I would check the wiring between the PCM and crankshaft sensor electrical connector. Here is a guide to help with the wiring diagrams below of the wires to be tested, I marked them in red.

https://www.2carpros.com/articles/how-to-check-wiring

If they are okay I would remove the sensor to make sure there is not an obstruction that would impede the sensor from reading the reluctor wheel. I have also seen the PCM need to be reflashed to fix the problem as well but let's check the wiring first. I also included the location of the crankshaft sensor for clarity. Check out the images (below). Please let us know what happens.
Was this
answer
helpful?
Yes
No
Wednesday, September 11th, 2024 AT 12:20 PM
Tiny
ABAYA
  • MEMBER
  • 77 POSTS
Hi,
Thank you very much for this clear explanation. Yes I have proceeded exactly like you mentioned it in your answer.
The engine run without any difficulty, but accelerator can't go over 1300 rpm.
Is there a need to relearn the sensor?
If yes, how must I do?
Thank you very much Mr Ken.
Was this
answer
helpful?
Yes
No
Thursday, September 12th, 2024 AT 12:03 AM
Tiny
KEN L
  • MASTER CERTIFIED MECHANIC
  • 55,090 POSTS
It doesn't say it need it, I would clear the codes and drive the car to see if the code comes back or if you have additional codes.
Was this
answer
helpful?
Yes
No
+1
Thursday, September 12th, 2024 AT 8:35 AM
Tiny
ABAYA
  • MEMBER
  • 77 POSTS
Thank you mr Ken.
I'll try.
Was this
answer
helpful?
Yes
No
Thursday, September 12th, 2024 AT 9:35 AM
Tiny
KEN L
  • MASTER CERTIFIED MECHANIC
  • 55,090 POSTS
Sounds good.
Was this
answer
helpful?
Yes
No
+1
Thursday, September 12th, 2024 AT 9:58 AM

Please login or register to post a reply.