HOME
ASK A QUESTION
REPAIR GUIDES
BECOME A MEMBER
LOG IN
Login with Facebook
OR
Remember me
NOT A MEMBER?
FORGOT PASSWORD?
CONTACT US
PRIVACY POLICY
TERMS AND CONDITIONS
☰
Home
Pontiac
Vibe
Ignition
Spark Plug
2006 Pontiac Vibe sparkplugs
ROSS BAKER
MEMBER
2006 PONTIAC VIBE
4 CYL
FWD
AUTOMATIC
90,000 MILES
Where are the sparkplugs located
Sunday, July 25th, 2010 AT 10:18 AM
2 Replies
RASMATAZ
MECHANIC
75,992 POSTS
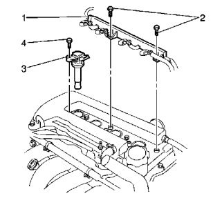
See location below:
https://www.2carpros.com/kpages/auto_repair_manuals_alldata.htm
Was this
answer
helpful?
Yes
No
+1
Monday, July 26th, 2010 AT 12:24 AM
MMPRINCE4000
MECHANIC
8,548 POSTS
Replace with Denso Iridium.
Was this
answer
helpful?
Yes
No
+1
Monday, July 26th, 2010 AT 8:54 AM
Please
login
or
register
to post a reply.
Ask a Car Question. It's Free!
Replace Spark Plugs Toyota Highlander V6
How to Build a Ford 302 Small Block - Part 9:
How to Replace Spark Plugs Ford F-150 3.5L