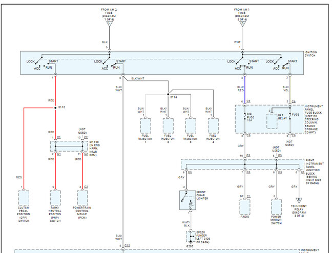
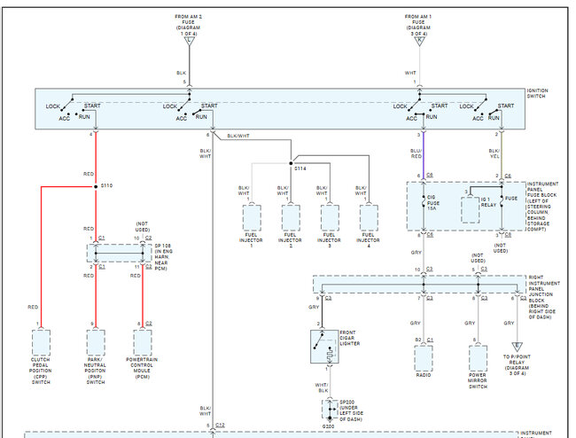
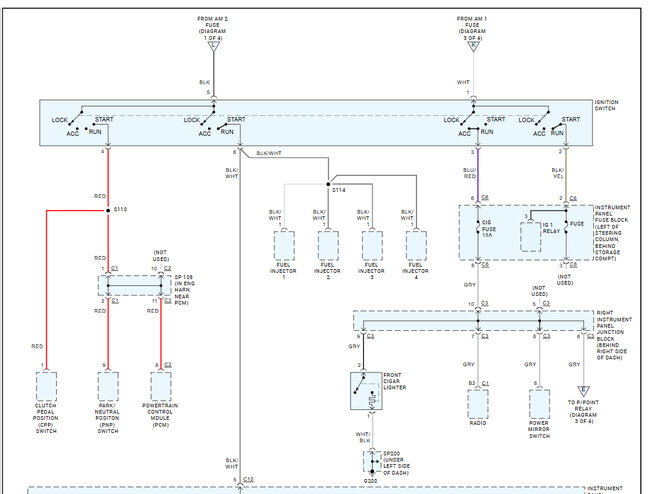
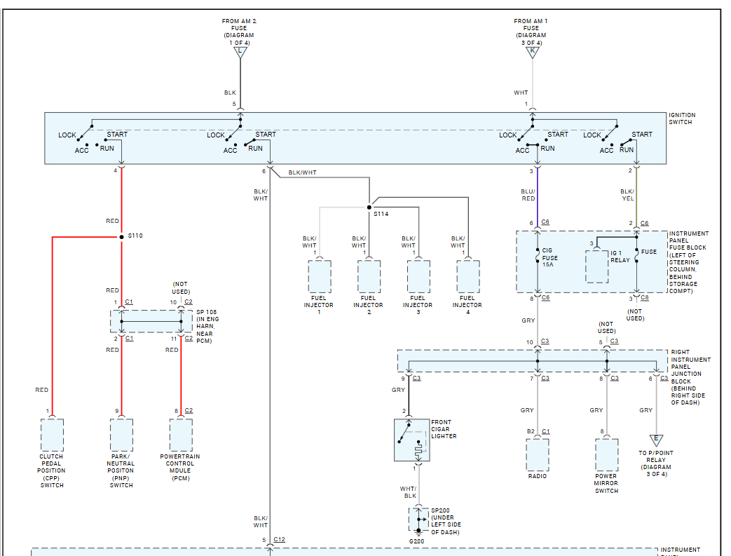
2003 Pontiac Vibe 4 cyl Front Wheel Drive Automatic 109k miles
dash doesn't light up, list of things with no power. Moonroof, radio, heater/ac, windows, locks, wipers, lights, engine starts up cannot get it out of park. Please help. Thanks.
Monday, September 6th, 2010 AT 2:19 PM


