1998 Pontiac Transport 6 cyl Front Wheel Drive Automatic
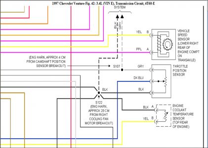
I just put a trans. In a 98 transport montana with a 3400 motor. The trans I put in it was from a 97 veture with a 3400 motor. Everything lines up and works except the plug for the trans computer. I need to know the wireing diagram for both on this part so I can make the needed changes. Any help in getting this info would be extemly appericated. This vechiale belongs to a local church and they need it back asap. Thank you
Monday, March 30th, 2009 AT 8:14 PM



















