Thursday, March 26th, 2009 AT 12:13 AM
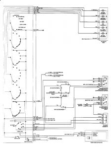
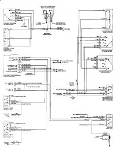
The front ac blower is not working but the switches are on and fan indicator lights are on and indicating that everything is find. At the same time the rear AC is running just find and nice and cold. The fan has been jumpered and works fine. The relay been replaced along with the fuses. We also replaced the speed control relay for the fans speed that is located in the air box next to the fan. Is there any thing that I have missed that is in line some where. The Haynes does not have to much information on AC units in them.








