Saturday, November 3rd, 2007 AT 5:53 PM
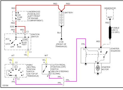
My daughter went out to start her car the other day turned the key nothing happened. The 1nterior lights, stereo, instratmentation all work. Headlights and exterior lights all function off current battery. I made an attempt to jump it figuring it did not have enough power to pop the bendex into place and turn the car over. Nothing happened. I pulled the starter and checked it with an outside power source and starter works fine. I changed the ignition switch at the front of the car(its a 4 prong switch that has a lead that goes directly to the starter. Still no effect, outside of rewiring the car completely and putting in my own start switch, what do you think the problem is? Thank you for any and all help I'm stumped at this point.
