1998 Pontiac Sunfire 4 cyl Two Wheel Drive Manual
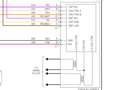
im having a problem trying to start the car. Car cranks doesnt start I check to see if there was any spark, but no. I changed the plugs n wires but still nothing. I also tried to jump start it but also did nothing. My next is is to check the coil packs how would I be able to tell if there still in working condtion? No fuses are bad either.
Sunday, October 31st, 2010 AT 12:22 PM


