HOME
ASK A QUESTION
REPAIR GUIDES
BECOME A MEMBER
LOG IN
Login with Facebook
OR
Remember me
NOT A MEMBER?
FORGOT PASSWORD?
CONTACT US
PRIVACY POLICY
TERMS AND CONDITIONS
☰
Home
Pontiac
Sunfire
Engine
Starter
Wiring
Starter wiring diagram
KENNYKBT1961
MEMBER
1997 PONTIAC SUNFIRE
4 CYL
FWD
AUTOMATIC
120,000 MILES
What wires go where on the starter solenoid?
Saturday, May 22nd, 2010 AT 5:15 PM
1 Reply
RASMATAZ
MECHANIC
75,992 POSTS
Hi kennykbt1961, Welcome to 2carpros
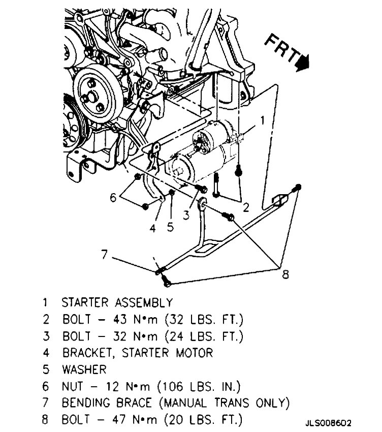
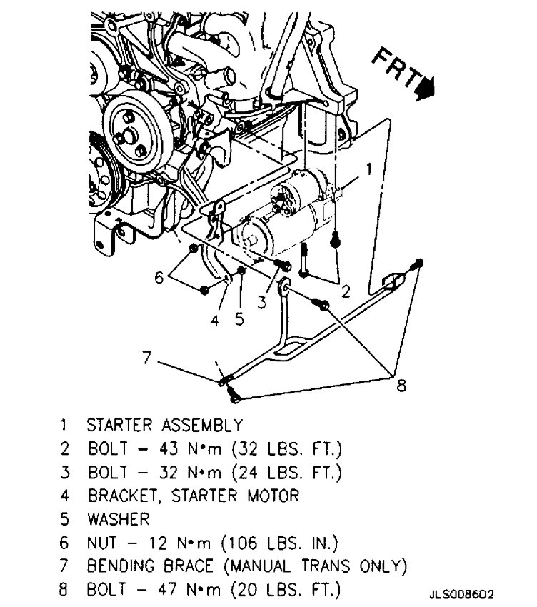
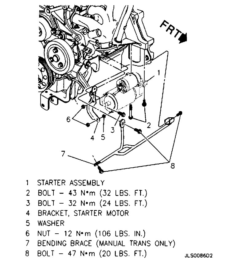
Here is a guide that will walk you through the starter wiring and how they go on the solenoid.
https://www.2carpros.com/articles/how-to-replace-a-starter-motor
Please let us know if you need anything else to get the problem fixed.
Image (Click to make bigger)
Was this
answer
helpful?
Yes
No
Saturday, May 22nd, 2010 AT 6:37 PM
Please
login
or
register
to post a reply.
Related Starter Wiring Content
Starter Wiring Diagram
Hello, I Replaced The Transmission And Clutch In My Car, Having To Remove The Entire Transmission As A Unit To To It, Then Replaced It....
Asked by
amraam35
·
1 ANSWER
5 IMAGES
2001
PONTIAC SUNFIRE
2000 Pontiac Sunfire Starter Bolts
Electrical Problem 2000 Pontiac Sunfire 4 Cyl Front Wheel Drive Automatic What Size Are My Bolts, Wanted To Know Before I Crawled...
Asked by
madhorsy
·
1 ANSWER
2000
PONTIAC SUNFIRE
1998 Pontiac Sunfire Relay Switch For Starter
My Starter In My Car Is Dead, How Can I Use A Relay Switch To Start It Anyways
Asked by
neneebella80
·
1 ANSWER
1998
PONTIAC SUNFIRE
Constant Power To Sunfire Starter
2002 Sunfire. Starter Won't Quit Cranking Even With Key Off And Removed. (Constant Power To Solenoid) Unplugged Ignition Switch (both Plugs...
Asked by
anola_guy
·
10 ANSWERS
2002
PONTIAC SUNFIRE
Hello I'm New With A Question About A 1996 Pontiac...
Hi Everyone, I Found You Through Google And I Hope You Can Help Me. 1996 Pontiac Sunfire 183,000 Miles 2.4 Motor Do I Have To Raise...
Asked by
ironbutterfly
·
3 ANSWERS
1996
PONTIAC SUNFIRE
VIEW MORE
Ask a Car Question. It's Free!
Starter Replacement
How to Use a Test Light
Starter Motor Replacement