Car Alarm/Keyless Entry Remote

Tiny
ALICIA.K
  • MEMBER
  • 2007 PONTIAC GRAND PRIX


Hello.I have a remote for my alarm/keyless entry/automatic start and the battery has died. Am I able to replace it? Or does the dealer have to do it?

If I am, how do I open it? I've tried prying the sides apart with no luck.

Thanks!
Sunday, January 25th, 2009 AT 3:51 PM

17 Replies

Tiny
ZACKMAN
  • MECHANIC
  • 4,202 POSTS


https://www.2carpros.com/forum/automotive_pictures/55316_07grandprixremote_1.jpg



https://www.2carpros.com/forum/automotive_pictures/55316_07grandprixremote_2.jpg

Was this
answer
helpful?
Yes
No
Friday, May 26th, 2017 AT 9:03 PM
Tiny
REGNITTEB
  • MEMBER
  • 1 POST
  • 2006 PONTIAC GRAND PRIX
  • 3.7L
  • 6 CYL
  • 2WD
  • AUTOMATIC
  • 177,000 MILES
Where is the keyless fob receiver located? I bought an aftermarket remote key entry system from Amazon and need to locate transmitter to swap it out. I've been told it was near the hud, I was told it was by the passenger airbag and also in behind backseat as well as behind or under instrument cluster. Please help I would be so grateful.
Was this
answer
helpful?
Yes
No
Monday, January 11th, 2021 AT 10:52 AM (Merged)
Tiny
KASEKENNY
  • MECHANIC
  • 18,907 POSTS
I attached the replacement information which shows where it is. It is on the rear shelf by the back glass. Check out the diagrams (Below). Please let us know if you need anything else to get the problem fixed. Let us know what else you need. Thanks
Was this
answer
helpful?
Yes
No
Monday, January 11th, 2021 AT 10:52 AM (Merged)
Tiny
MCHINSON
  • MEMBER
  • 2 POSTS
  • 2001 PONTIAC GRAND PRIX
  • 160,000 MILES
I just bought this car as a first car for my daughter. The car did not come with any keyless remote entry transmitters. I bought some and upon trying to program the transmitters, the car did not respond. I have done a bit of online searching and attempted to locate the keyless remote entry receiver, but it does not appear to be behind the driver infomation center. Some of my reading sounds like the receiver could be located somewhere else but I am not sure how to find it. I am attempting to determine if the receiver exists on this car, or if it was not equipped originally for keyless remote entry. Where else should I look for the receiver? If there is no receiver, is it possible to add it to a car that was not originally equipped with one?
Was this
answer
helpful?
Yes
No
Monday, January 11th, 2021 AT 10:52 AM (Merged)
Tiny
ASEMASTER6371
  • MECHANIC
  • 52,796 POSTS
IMPORTANT: All transmitters which are to be recognized by the remote control door lock transmitter (RCDLR) must be programmed in a single programming sequence. If the system is placed in program mode it will erase all previously programmed transmitters upon the receipt of the programming signal from the first transmitter. Up to four transmitters can be programmed. Do not operate or program the transmitters in the vicinity of other vehicles that are in the keyless entry program mode. This prevents the programming of the transmitters to the incorrect vehicle.

Remove the ignition key from the ignition lock cylinder.
Close all of the doors.
Remove the MALL PGM fuse from the fuse block.
Insert the ignition key into the ignition lock cylinder.
Turn the ignition to ACC. The body control module (BCM) will perform the following in order to identify the type of BCM installed in the vehicle:
Flash the seat belt indicator 1, 2, or 3 times.
Chime 1, 2, or 3 times.
Turn the ignition to OFF, and then back to ACC within 1 second. The BCM may begin to chime and flash diagnostic trouble codes (DTCs). If the BCM has stored any DTCs, refer to Diagnostic System Check - Body Control Module. See: Body and Frame Body Control Systems Body Control Module Testing and Inspection
Open and then close any vehicle door. The BCM will chime in order to confirm that the programming mode has been entered.
Press and hold the transmitter LOCK and UNLOCK buttons simultaneously for approximately 14 seconds.
IMPORTANT: After approximately 7 seconds the BCM will chime once to confirm that synchronization has been completed. After approximately 14 seconds the BCM will chime a second time to confirm that the programming has been completed.

Repeat the previous step in order to program each additional transmitter.
Remove the ignition key from the ignition lock cylinder.
Install the MALL PGM fuse into the fuse block.
Operate the tunctions of each transmitter in order to verify correct system operation.
Was this
answer
helpful?
Yes
No
Monday, January 11th, 2021 AT 10:52 AM (Merged)
Tiny
MCHINSON
  • MEMBER
  • 2 POSTS
I have used that same procedure to attempt to program the remotes. Everything seems to work just fine up to the following point, "After approximately 7 seconds the BCM will chime once to confirm that synchronization has been completed. After approximately 14 seconds the BCM will chime a second time to confirm that the programming has been completed." The BCM does not chime at 7 seconds or 14 seconds, and the remotes will not work. From my reading, I suspect that the keyless entry receiver is either non-functional, or else the car was not equipped with that option originally. I checked behind the drivers information center and did not find the receiver there. In some of my online reading, it appears that the receiver is sometimes mounted in the vicinity of the passenger side airbag. I am reluctant to look in that area without some better understanding on exactly how to safely find the receiver. Apparently, the receiver does not work, or is missing, or else there is a BCM problem.

My question is still, Where else should I look for the receiver? If there is no receiver, is it possible to add it to a car that was not originally equipped with one?
Was this
answer
helpful?
Yes
No
Monday, January 11th, 2021 AT 10:52 AM (Merged)
Tiny
CANADACANDLE
  • MEMBER
  • 8 POSTS
  • 2001 PONTIAC GRAND PRIX
  • 175,000 MILES
My keyless entry is no longer working. It worked sporadically for a few weeks the totally stopped. I believe it to be a loose or broken wire somewhere. I have been to the dealer and they looked up my car by VIN number and printed a schematic showing me where the part is. I also had my remotes tested while I was there. The part is suppose to be behind the info display above the center vent. The receiver is not located there on my car.
Any info on where the receiver could be? Or ever here of a wire breaking anywhere that would cause the problem?
Thanks
Was this
answer
helpful?
Yes
No
Monday, January 11th, 2021 AT 10:52 AM (Merged)
Tiny
DOCFIXIT
  • MECHANIC
  • 18,828 POSTS
Right side dash behind inflatable restraint module
Was this
answer
helpful?
Yes
No
+1
Monday, January 11th, 2021 AT 10:52 AM (Merged)
Tiny
CANADACANDLE
  • MEMBER
  • 8 POSTS
Thank you for the reply.
Do you know if I can get at it from under the dash without messing with the airbag?
Was this
answer
helpful?
Yes
No
Monday, January 11th, 2021 AT 10:52 AM (Merged)
Tiny
DOCFIXIT
  • MECHANIC
  • 18,828 POSTS
Disconnect NEG BATT terminal see diagrams
Was this
answer
helpful?
Yes
No
+1
Monday, January 11th, 2021 AT 10:52 AM (Merged)
Tiny
CANADACANDLE
  • MEMBER
  • 8 POSTS
That is where my dealer told me it was and gave me a similar diagram.
My problem is that the part is not there. All that is there is my vent with nothing else. It looks like there is a space where it should be but it is not there.
Was this
answer
helpful?
Yes
No
-1
Monday, January 11th, 2021 AT 10:52 AM (Merged)
Tiny
LAZERWEASLE
  • MEMBER
  • 2 POSTS
  • 2000 PONTIAC GRAND PRIX
I have replaced the battery in the remote for my 2000 Pontiac Grand Prix, and I followed the instructions on how to program it several times. What could be wrong with my car? I used these steps.

http://programyourremote.com/classified/DisplayAd.asp?id=1356
Was this
answer
helpful?
Yes
No
Monday, January 11th, 2021 AT 10:52 AM (Merged)
Tiny
LAZERWEASLE
  • MEMBER
  • 2 POSTS
I did not hear the chime when I opened or closed my door. I tried the rest of the instructions anyways, but never heard any chime while pressing the buttons either but it did work the second time I tried it.

This site rocks!
Was this
answer
helpful?
Yes
No
Monday, January 11th, 2021 AT 10:52 AM (Merged)
Tiny
DUKE2009
  • MEMBER
  • 1 POST
  • 1999 PONTIAC GRAND PRIX
  • 6 CYL
  • 2WD
  • AUTOMATIC
  • 780,000 MILES
I am told I have to chage the mall fuse to program a new keyless entry. Wher is the fuse panal on t1999 pontiac grand prix? Checked inside glove box not their
right side undrer sterring wheel is none also.
How can I program this fob?
Thgank you
Phil
Was this
answer
helpful?
Yes
No
Monday, January 11th, 2021 AT 10:52 AM (Merged)
Tiny
JACOBANDNICKOLAS
  • MECHANIC
  • 110,192 POSTS
Hi:
Here is a how to video:

https://www.2carpros.com/how_to/how_to_reprogram_key_remote_fob.htm

Let me know if it helps. Also, open the driver's door and check for a fuse panel at the end of the dash where it meets your door.

Joe
Was this
answer
helpful?
Yes
No
Monday, January 11th, 2021 AT 10:52 AM (Merged)
Tiny
1995PRIX
  • MEMBER
  • 1 POST
  • 1995 PONTIAC GRAND PRIX
  • 3.1L
  • 6 CYL
  • 2WD
  • AUTOMATIC
  • 66,000 MILES
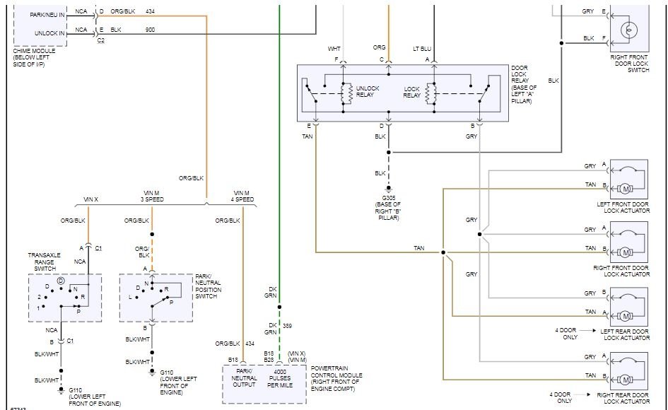
I want to buy a remote key-less entry kit for my car listed above, but I don't know what wires to connect to and I don't want to mess my car up.

Do you have any diagrams for central locking or anything?
Was this
answer
helpful?
Yes
No
Monday, January 11th, 2021 AT 10:52 AM (Merged)
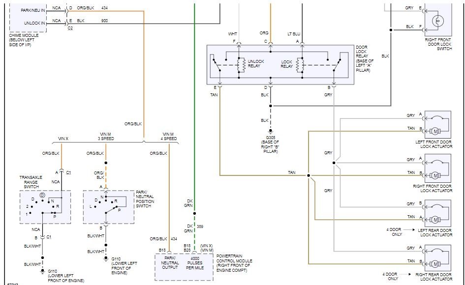
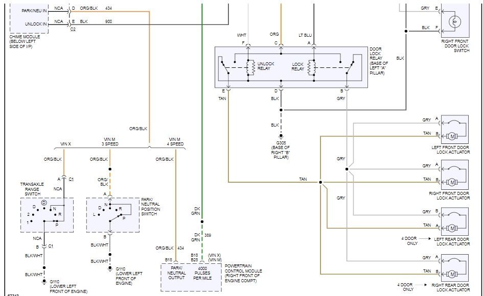
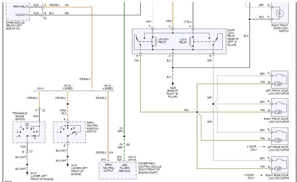
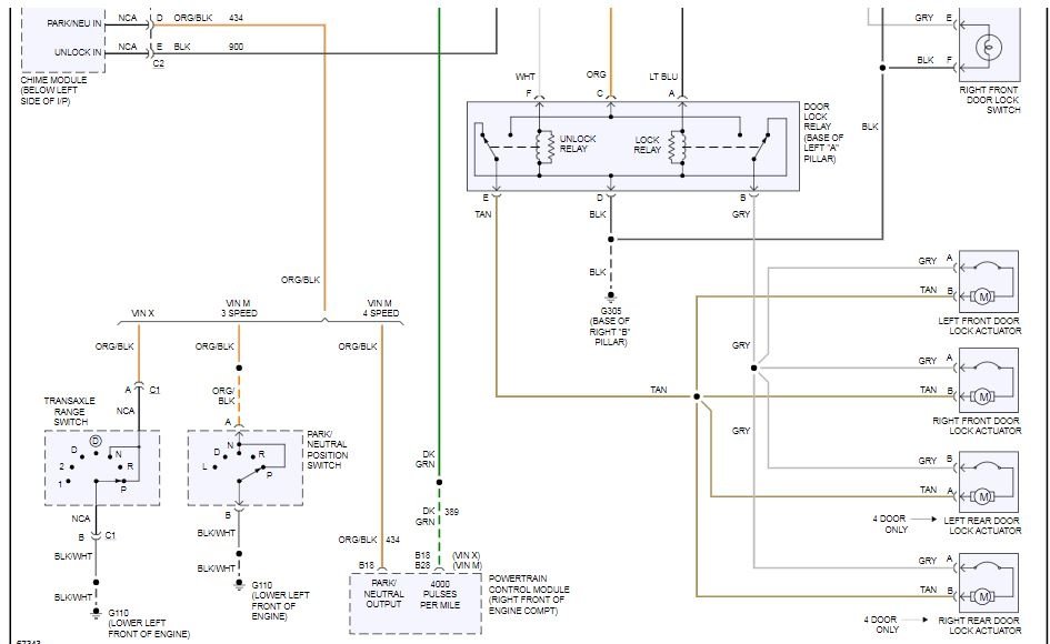
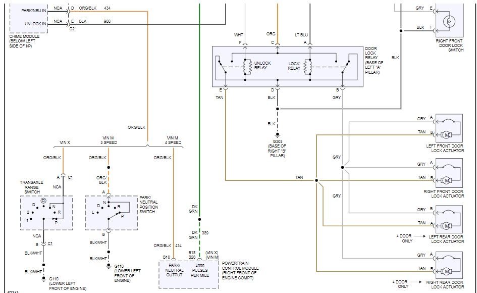
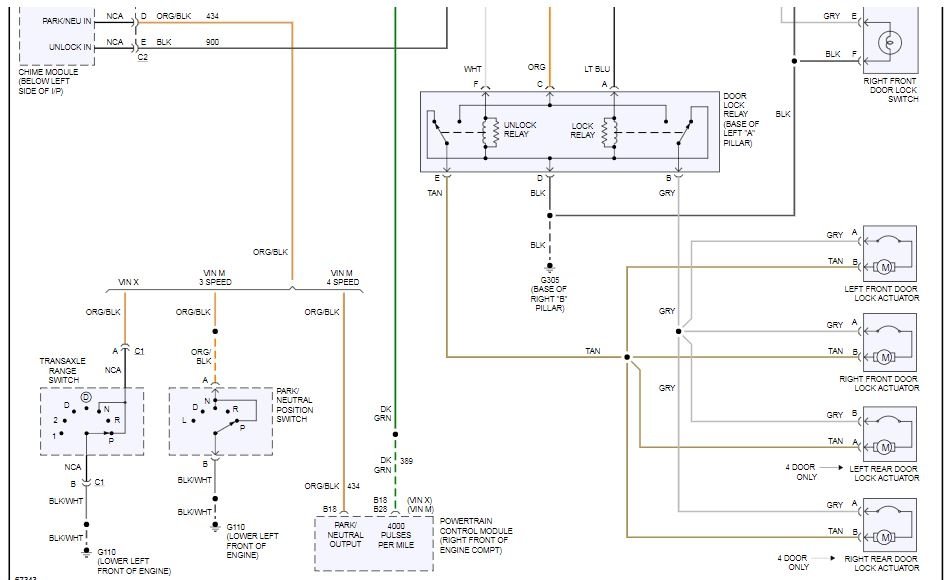
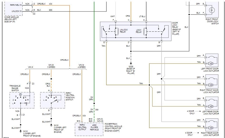
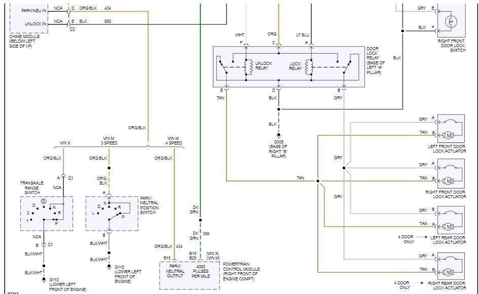
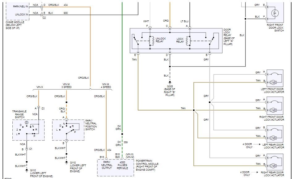
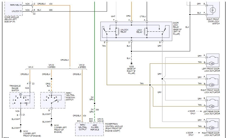
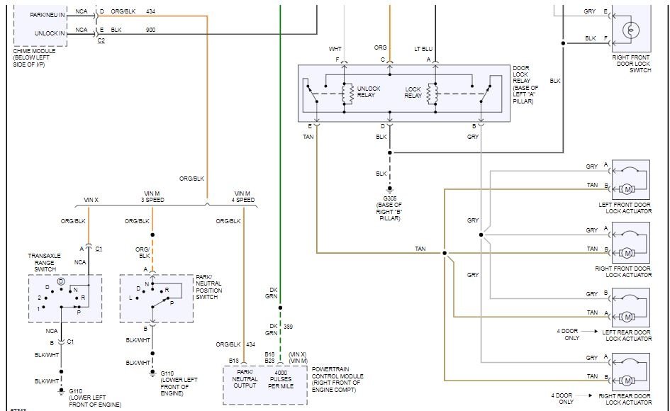
Tiny
MASTERWRENCH
  • MECHANIC
  • 258 POSTS
I've attached a complete wiring diagram for the power door lock system on your vehicle. Most quality aftermarket key-less entry/remote start kits come with detailed installation instructions. Many of them also provide vehicle specific instructions upon request. I would consult the kit manufacturer for further details.
Was this
answer
helpful?
Yes
No
Monday, January 11th, 2021 AT 10:52 AM (Merged)

Please login or register to post a reply.