1999 Pontiac Grand Prix Blower motor

Tiny
AMERICAN MUSCLE
  • MEMBER
  • 1999 PONTIAC GRAND PRIX
  • 6 CYL
  • FWD
  • AUTOMATIC
  • 100,000 MILES
The blower only works on the 5th and highest setting.

The air conditioning doesn't work even though it's seems to have a charge and all the fuses seem to work.

sorry about the donation if I had money I would have had it done.
Tuesday, August 24th, 2010 AT 6:41 PM

3 Replies

Tiny
TOOOMANYTOYS
  • MECHANIC
  • 513 POSTS
Check the blower resistor pack located under the glove box. Remove resistor from evap case and inspected to see if its burnt.
Was this
answer
helpful?
Yes
No
Tuesday, August 24th, 2010 AT 6:47 PM
Tiny
AMERICAN MUSCLE
  • MEMBER
  • 3 POSTS
Would that also stop my ac to not work at all
Was this
answer
helpful?
Yes
No
Tuesday, August 24th, 2010 AT 6:51 PM
Tiny
TOOOMANYTOYS
  • MECHANIC
  • 513 POSTS
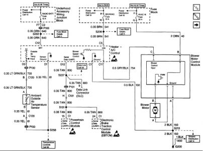
Here is breakdown of the blower control system. If the a.c compressor comes on and the a/c line going into the vehicle is cold. IT may all be electrically related. I fthe lines are not cold you may have two seperate concerns.


https://www.2carpros.com/forum/automotive_pictures/462613_79214240_1.jpg

Was this
answer
helpful?
Yes
No
Wednesday, August 25th, 2010 AT 6:45 AM

Please login or register to post a reply.