1994 Pontiac Grand Prix 94 Grand Prix, Electronic Spark Con

Tiny
GHOULPN
  • MEMBER
  • 1994 PONTIAC GRAND PRIX
  • 6 CYL
  • FWD
  • AUTOMATIC
  • 149,000 MILES
I have a 3.1 in my 94 Grand Prix. Recently, when I 1st start the car, the idle jumps way up (@2000) and fluctuates. When I put the car in drive it comes back down to normal but then the car acts erratic. The transmission shifts incorrectly or at odd times, regardless of on freeway or surface streets. If I pull up to a stop sign the car jerks and downshifts suddenly as I decelerate. I am sure the transmission is fine, just reacting to conflicting info from the engine or computer.

After 3 days, it finally put out code 43-Electronic Spark Control Failure. Checked several forums and seems like it could be a variety of things that would produce this code, however, which of those component failures would produce my symptoms?

I have a relatively (6 months) new O2 sensor and Catalytic Conv.
Thursday, June 10th, 2010 AT 12:51 PM

1 Reply

Tiny
RASMATAZ
  • MECHANIC
  • 75,992 POSTS
Hi ghoulpn, Welcome to 2carpros and TY for the donation

Idle fluctuations: try cleaning out the idle air control valve-Tranny shifting incorrectly-try unplugging the TCC solenoid and see what happens

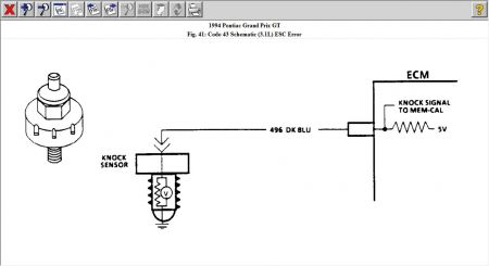
DTC 43 ESC Schematic/Flow chart


https://www.2carpros.com/forum/automotive_pictures/12900_esc1_1.jpg




https://www.2carpros.com/forum/automotive_pictures/12900_esc2_1.jpg




https://www.2carpros.com/forum/automotive_pictures/12900_esc3_2.jpg

Was this
answer
helpful?
Yes
No
Sunday, June 13th, 2010 AT 8:15 AM

Please login or register to post a reply.