Saturday, January 16th, 2010 AT 12:50 AM
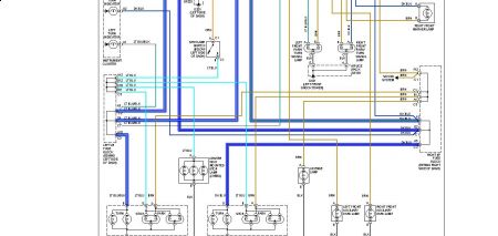
My blinker system has gone haywire. It usually works right away in the cold (but not all the time). After awhile, when it warms up, the blinkers stop working. Sometimes they start working again for awhile and then quit again. To top it off, when they do work, the right one blinks really fast. What do you think the problem is? Is there any way I can fix this without costing me 800 dollars? I was told that if it is the switch, the part alone is almost $500. Also, is there a diagram and step by step guide I can look at to do it myself? Thank you.







