Hello -
Here is the info you requested. . .. . ..
Disassembly Procedure
Remove the upper and lower shrouds. Refer to Steering Column Trim Covers - Disassemble - Off Vehicle under Steering Column Service and Repair.

Remove the wire harness assembly from the wire restraint clip (1).
Remove the wire harness straps.

Disconnect the pivot and pulse switch assembly connector.
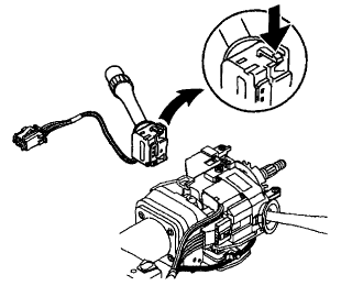
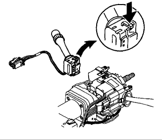
Remove the pivot and pulse switch assembly in the following way:
5.1. Press on the locking tabs of the pivot and pulse switch assembly.
5.2. Pull the pivot and pulse switch assembly out of the switch mounting bracket.
Assembly Procedure

Slide the pivot and pulse switch assembly into the switch mounting bracket so that the locking tabs snap into place.
Connect the pivot and pulse switch assembly connector. Important: Improper routing of the wire harness assembly may damage the inflatable restraint steering wheel module coil assembly causing an inflatable restraint malfunction.
Install the wire harness straps.

Install the wire harness assembly into the wire restraint clip (1).
Install the upper and lower shrouds. Refer to Steering Column Trim Covers - Assemble - Off Vehicle under Steering Column Service and Repair.
Tuesday, December 16th, 2008 AT 9:35 PM