Replacement of Thermostat?

Tiny
RMCKELLAR
  • MEMBER
  • 2003 PONTIAC AZTEK
  • 6 CYL
  • 2WD
  • AUTOMATIC
  • 56,000 MILES
Where is the Thermostat located? I need to change it.
Saturday, July 12th, 2008 AT 9:55 AM

2 Replies

Tiny
DANNY L
  • MECHANIC
  • 5,648 POSTS
Hello, I'm Danny.

Here is a tutorial for you to view showing thermostat replacement:

https://www.2carpros.com/articles/replace-thermostat

I've attached thermostat replacement picture instructions below for your vehicle which also shows its location. Hope this helps and thanks for using 2CarPros.
Was this
answer
helpful?
Yes
No
-2
Sunday, December 6th, 2020 AT 12:42 PM
Tiny
4DRTOM
  • MECHANIC
  • 467 POSTS
Hello,

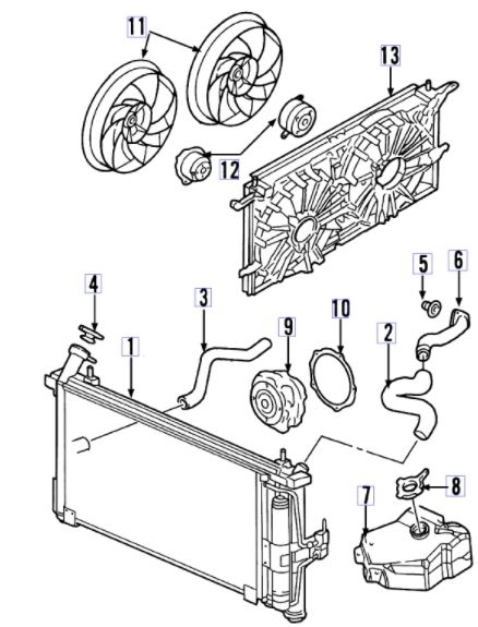
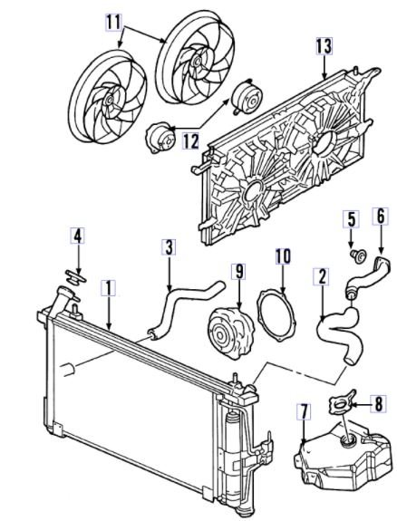
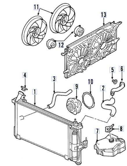
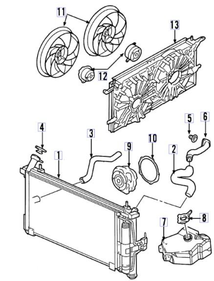
Your thermostat is located where the radiator hose on the terminates at the engine. You will need to follow that hose and it connects to the thermostat housing. Remove the two bolts that hold that housing and the thermostat will be inside it.
I attached a picture of the hose and cooling system components and here is the step by step procedure to get to it.
Is the car overheating?

Removal Procedure

1. Remove the air cleaner and duct assembly.
2. Drain the coolant until the coolant level is below the thermostat.
3. Remove the crossover exhaust pipe.
4. Remove the radiator hose from the thermostat housing.
5. Remove the thermostat housing bolts and clean any sealer from the bolt threads.
6. Remove the thermostat housing and gasket.
7. Remove the thermostat.
8. Clean the mating surfaces.

Install the thermostat then

1. Install the thermostat housing bolts.
Tighten the bolts to 25 Nm (18 ft. Lbs.).
2. Install the radiator hose to the thermostat housing.
3. Install the crossover exhaust pipe.
4. Install the air cleaner and duct assembly.
5. Fill the cooling system.

Tom
Was this
answer
helpful?
Yes
No
Sunday, December 6th, 2020 AT 1:01 PM

Please login or register to post a reply.