P0418 code

Tiny
SLIMONTIME
  • MEMBER
  • 2004 DODGE STRATUS
  • 2.4L
  • 4 CYL
  • 2WD
  • AUTOMATIC
  • 165,000 MILES
Yes, I have just performed a lot of work in regards to different codes, which forced me to wind up replacing the PCM. At start all other codes are gone, yay. The engine starts then shuts down in seconds. I see that a PO418, the only code reading, references the ASD relay circuit. The relay is good. I did though snap one of the vacuum lines from the air pump which I pitched with electrical tape temporarily, seemed tight. I disconnected the unit few times. Now before I tear it all apart is it more likely
a vacuum leak, dinked ground, blocked tube, or malfunctioning air-pump.
Friday, May 26th, 2017 AT 5:51 PM

1 Reply

Tiny
KEN L
  • MASTER CERTIFIED MECHANIC
  • 55,266 POSTS
Hello,

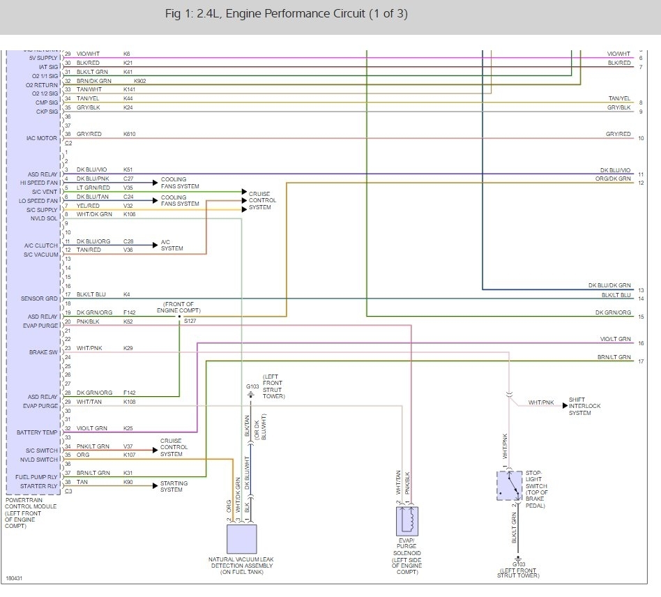
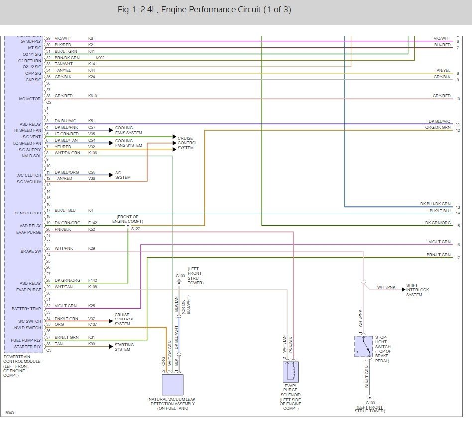
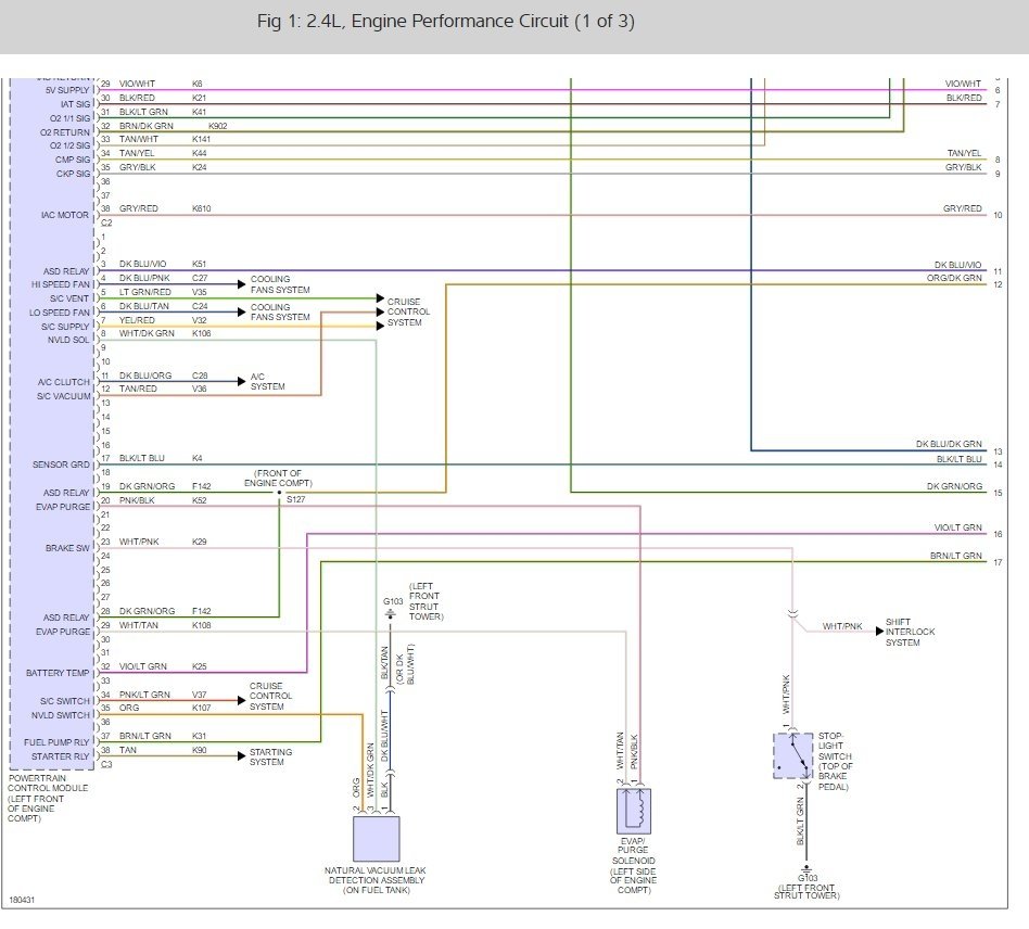
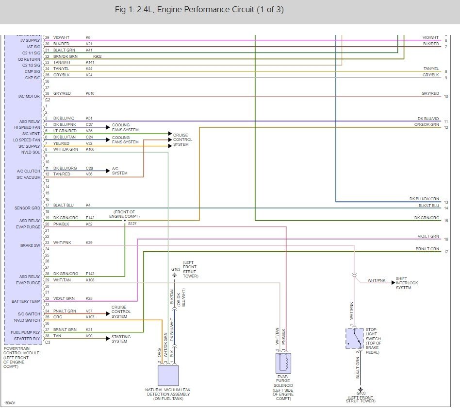
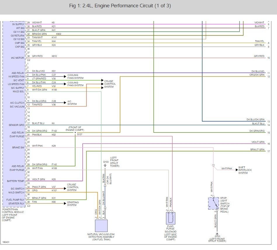
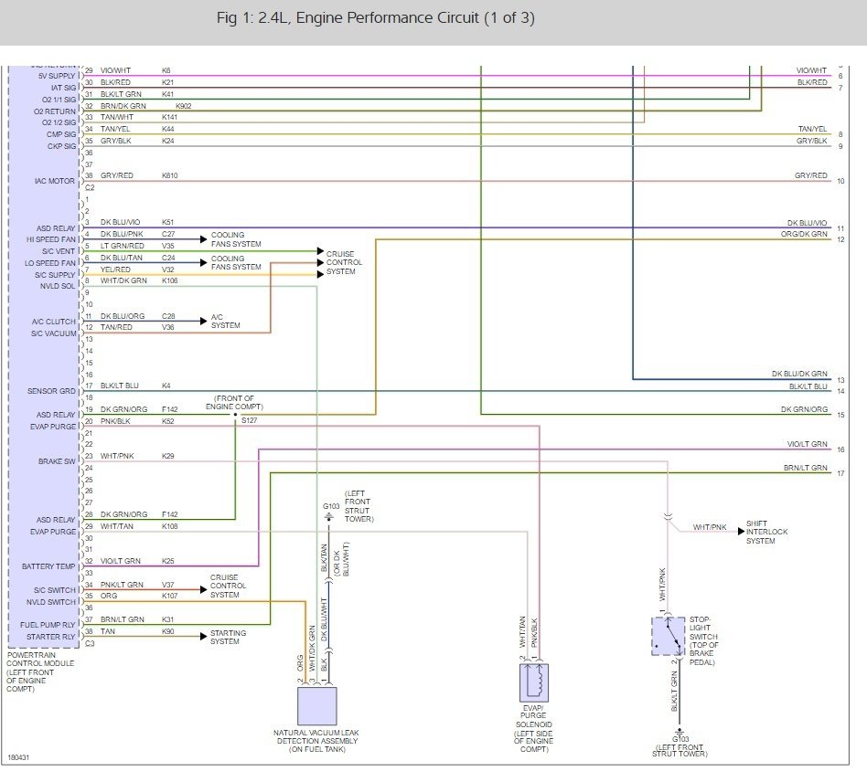
Please check to see if the ASD is getting power and grounds when the key is on. Here are some engine wiring diagrams and a guide to help you get started.

https://www.2carpros.com/articles/how-to-check-an-electrical-relay-and-wiring-control-circuit

Please run this test and get back to us so we can continue helping you.

Cheers, Ken
Was this
answer
helpful?
Yes
No
+1
Monday, May 29th, 2017 AT 1:44 PM

Please login or register to post a reply.