Kept getting code PO356 on my cheap scanner?

Tiny
SLICK125
  • MEMBER
  • 2010 FORD EDGE
  • 3.5L
  • V6
  • 2WD
  • AUTOMATIC
  • 230,000 MILES
So, I changed all 6 coil packs on my vehicle listed above and spark plugs and I'm still getting PO356 error code I'm not really sure if it's the connector, the wiring, or PCM. Don't have a lot of money so I'm attempting to fix or replace on my own I just need to know how to test each to isolate problem.
Saturday, February 8th, 2025 AT 6:20 AM

2 Replies

Tiny
AL514
  • MECHANIC
  • 5,572 POSTS
Hello, do you have a multimeter for some basic testing? Ignition Coil F looks to be coil #6(cylinder 6). With the key On, engine off, I would check for power at the coil connector first, if you have the old coil still, I would also check the resistance on the two pins of the #6 coil to see if it is shorted or very low resistance, compared to one of the newer and older ones. Unfortunately, this being a 2-wire coil, sometimes if the PCM doesn't or can't shut down coil control and the coil shorts out, excessive current flow can cause the coil driver inside PCM to burn out.
I have had them where I could check the resistance at the coil connector, on the PCM coil control wire, and see a direct short to ground through the PCM. Where it should be an open circuit when the coil is not being commanded on, this is with the key out of the vehicle, so nothing is powered up. And then you can run into a situation where the PCM driver internally is burned out but is now an open circuit because the power transistor (MOSFET) that burned up, just completely went to an open circuit.
You can also check for coil control with a test light, I'll post the wiring diagrams for you to check for power to begin with. But clear the code before testing, if possible, especially when checking for control with a test light, which I'll explain.
Was this
answer
helpful?
Yes
No
Saturday, February 8th, 2025 AT 12:56 PM
Tiny
AL514
  • MECHANIC
  • 5,572 POSTS
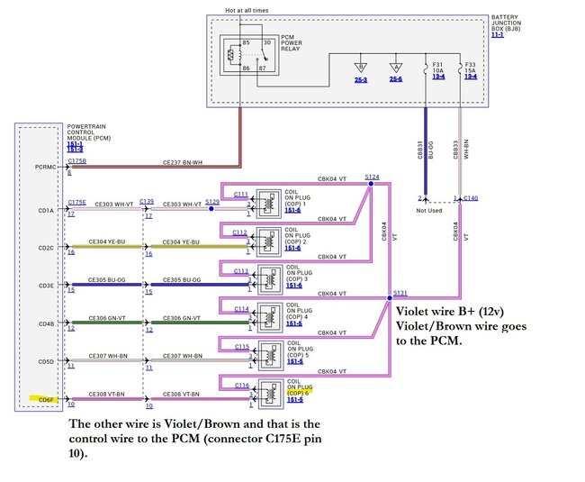
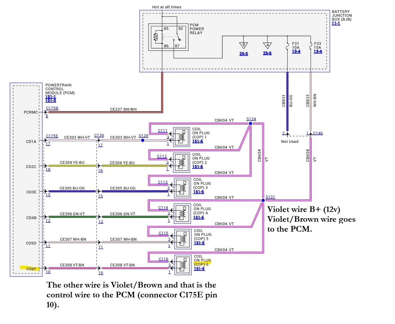
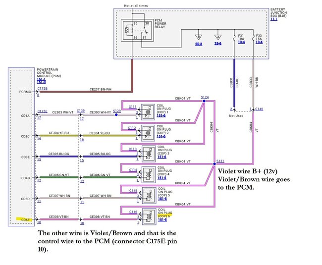
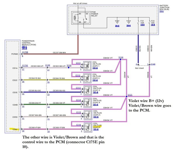
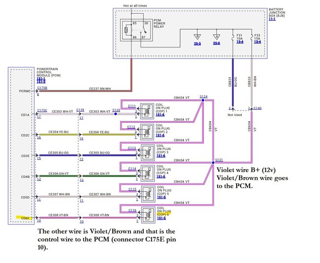
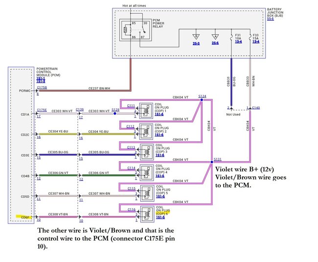
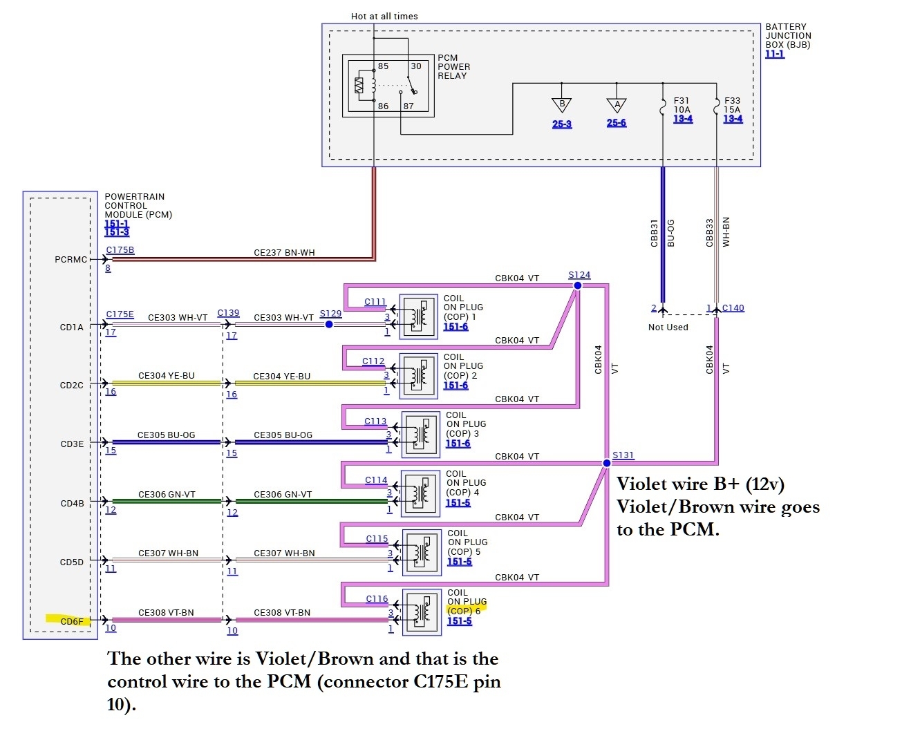
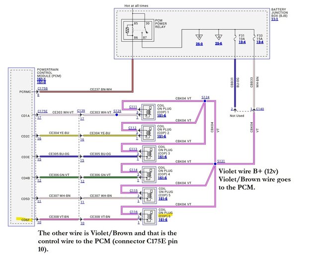
Here are the OEM Ford wiring diagrams for the coils, along with the PCM connector location and pinout so you can check from the coil connector to the PCM connector for an open circuit as well. It will still be the Violet/Brown wire the PCM middle connector, pin 10 is for cylinder 6 (coil F) control wire. So, with the PCM connector unplugged and the coil unplugged, check the resistance from the coil connector to the PCM connector for less than 5 ohms, and also check from the PCM connector to Ground to make sure that wire is not shorted to ground. Technically that should have blown the fuse, but some PCMs can now shut down control circuits to protect the PCM if it detects excessive current flow, but not all of them can do that. Hopefully the PCM is not damaged.

You can check the control wire using a test light with the coil connector back probed the control pin, there should be a dim pulse on the test light when the PCM is pulsing the ground (control) wire. If the PCM has no control of the coil, the test light will just stay lit.
But check the old coil across the 2 primary connector pins (will have a lower resistance), and then one pin should read a resistance reading to where the spark plug goes into the coil at a much higher resistance (coil secondary) will usually be 10k Ohms or higher.

So according to Ford in diagram 9, if the control wire is shorted to ground, it will not damage the PCM, but this does not mention a coil shorting out, For the Edge is also shows a 3 wire connector at the coil, but only pins 1 and 3 are supposed to be used, apparently not to confuse anyone. But I have seen 2 wire coils damage PCMs when they short out.
As for you question on the coil connector, make sure the pins inside the connector are tight, I use a pin that is the same size or smaller as the one you see inside the coil itself, that's the size you want to use when checking the tension of the harness side connector, make sure when using your test pin, there is good drag when pulling it out of the harness connector, it shouldn't just fall out by itself.
If you have any other questions about any of this testing just ask.
Was this
answer
helpful?
Yes
No
Saturday, February 8th, 2025 AT 2:39 PM

Please login or register to post a reply.