Sunday, October 9th, 2022 AT 7:18 PM
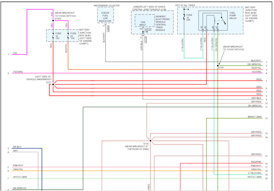
Hello, I was getting a few code po171, po174, po442. So, I looked under the hood and found what I think was the po442 code, it was a bad hose, fix it. I also got a new gas cap. But now I getting only the po174 code. I tested the evap purge solenoid it is holding vacuum, but when I blow into the evap canister side air leaks out a little and when I blow into the intake side no air is coming out. So, my question is, can the evap purge solenoid cause P0174 code? I cleared the code P0174 a couple days ago and I’ve been driving around, and it hasn’t shown a code yet, but I do feel a little bit of engine shaking. The truck listed above is a Heritage model.






































