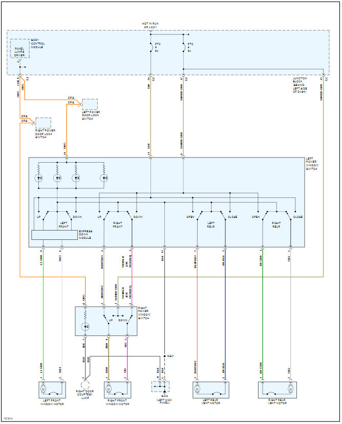
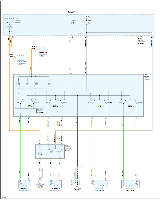
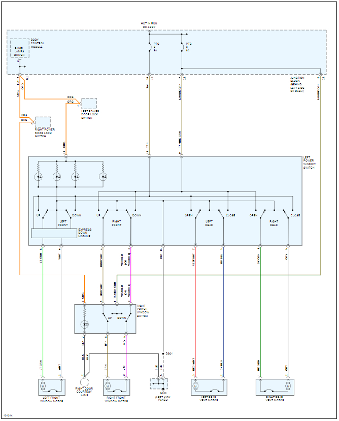
I replace the switch that operates my power windows twice believing this was defective as on rare occasions the front passenger window will not work. After leaving the car overnight it will suddenly work again. I have had the wires checked and this is not an issue. Now it has been suggested that I replace the motor in the front right passenger door.
My question is how can I be sure this is the cause and not be wasting more money?
Thank you.
Sunday, January 6th, 2008 AT 5:15 PM

