Thursday, October 10th, 2024 AT 5:27 PM
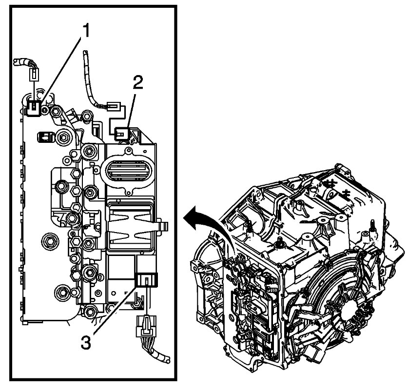
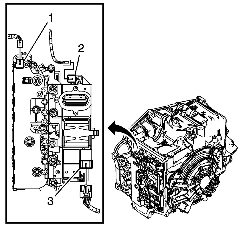
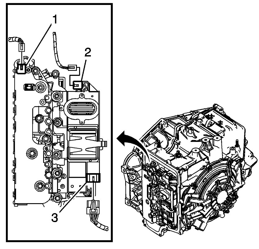
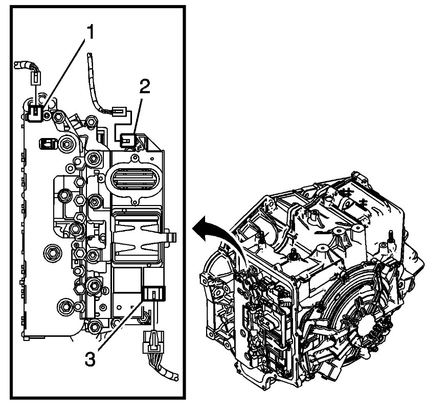
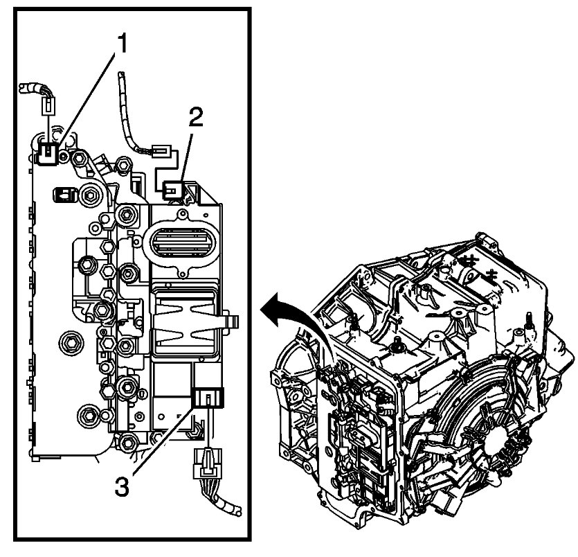
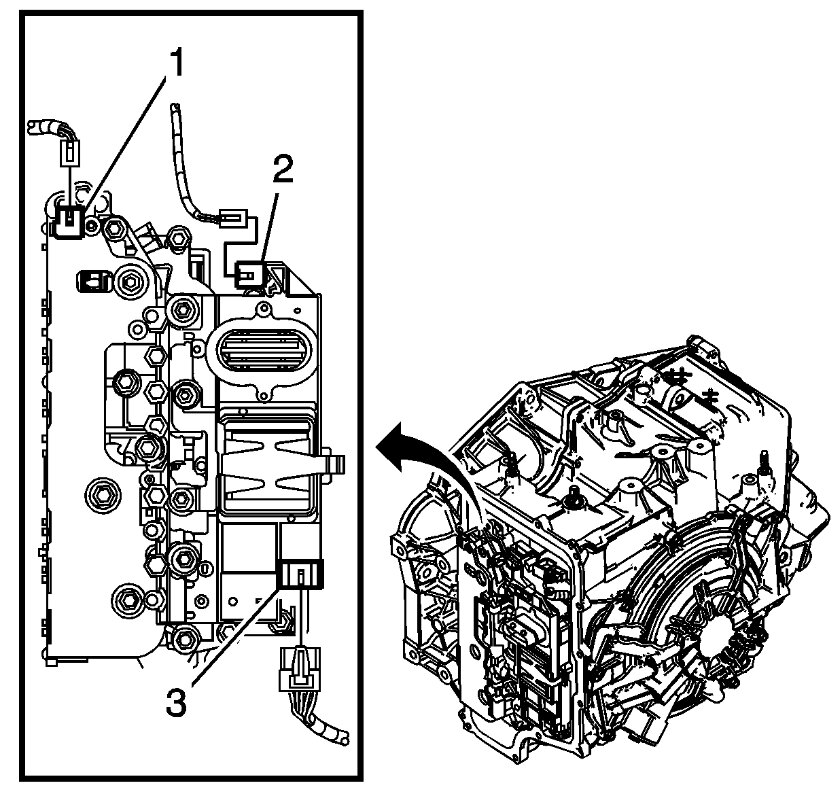
Addressing the P0963 code, by checking the solenoid, wiring and connectors is crucial restoring proper pressure and preventing further transmission damage given the symptoms of slipping and not shifting into 3rd or 4th gear after flushing, changing solenoid, is it possible the issue is with the hydraulic pressure that is tied directly to this fault code.








