Wednesday, April 2nd, 2025 AT 7:47 AM
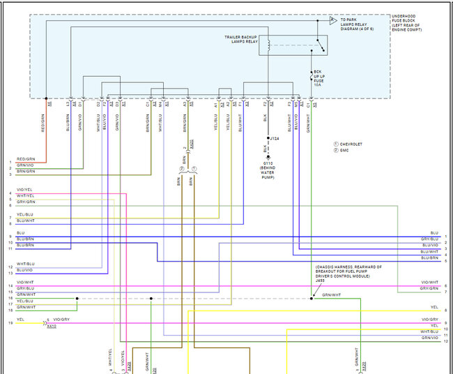
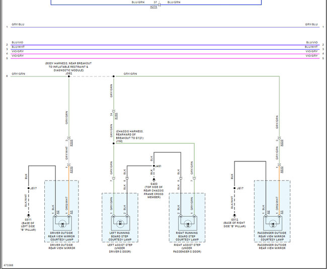
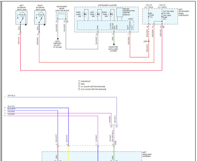
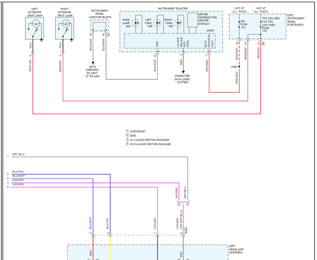
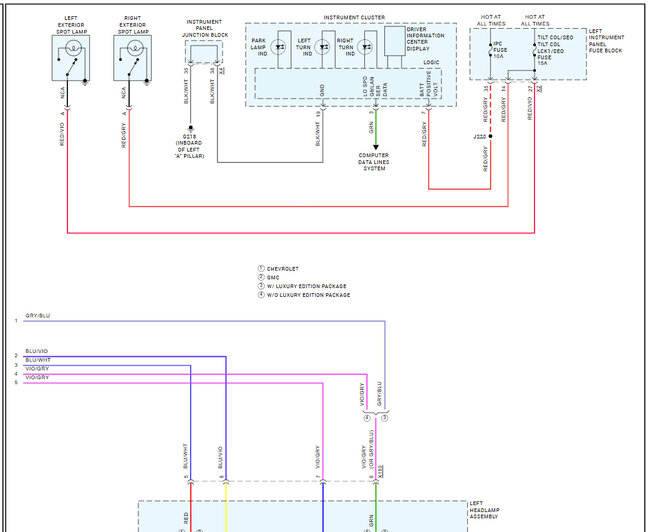
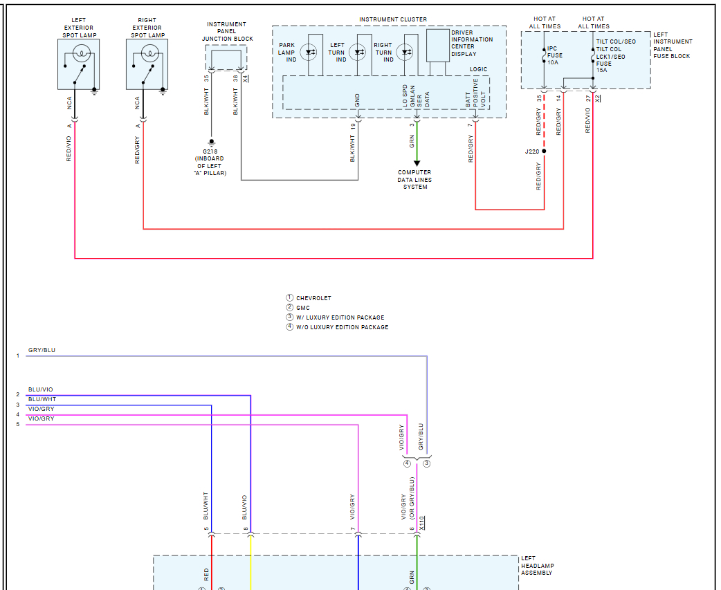
The plate lights on my vehicle listed above XL are not turning on after replacement, I have also checked all the fuses in hood. I am also getting warnings for my rear backup assist (but back up cam is working fine Connected computer to vehicle to check for codes found code B0956 parking assist front sensor right middle circuit open circuit, stored in the park assist module. Found code B3883 license plate lamp circuit short to battery listed as current in the body control module.). This is a new vehicle for our family, and I have not been able to find a good source of wiring diagrams for this vehicle yet. I bought a pdf off eBay which has a bunch of repair information but does not seem to include a wiring diagram for the exterior lighting system. Could you please provide diagrams for the external lighting circuits and the parking assist circuits? Thank you











