Pinouts of the computer

Tiny
PACIFICISLANDER
  • MEMBER
  • 1996 HYUNDAI ACCENT
  • 4 CYL
  • 2WD
  • AUTOMATIC
  • 70,000 MILES
No spark.
Monday, March 23rd, 2020 AT 9:30 PM

8 Replies

Tiny
JACOBANDNICKOLAS
  • MECHANIC
  • 110,192 POSTS
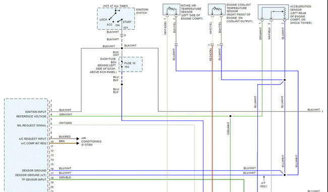
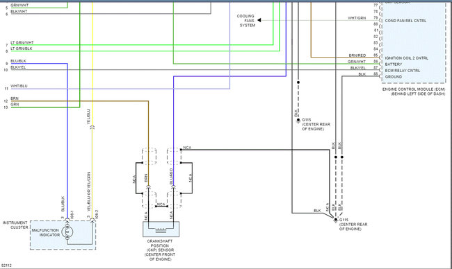
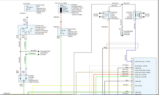
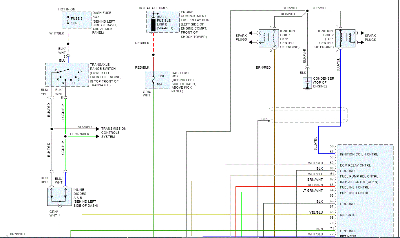
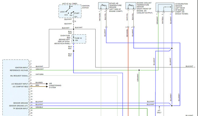
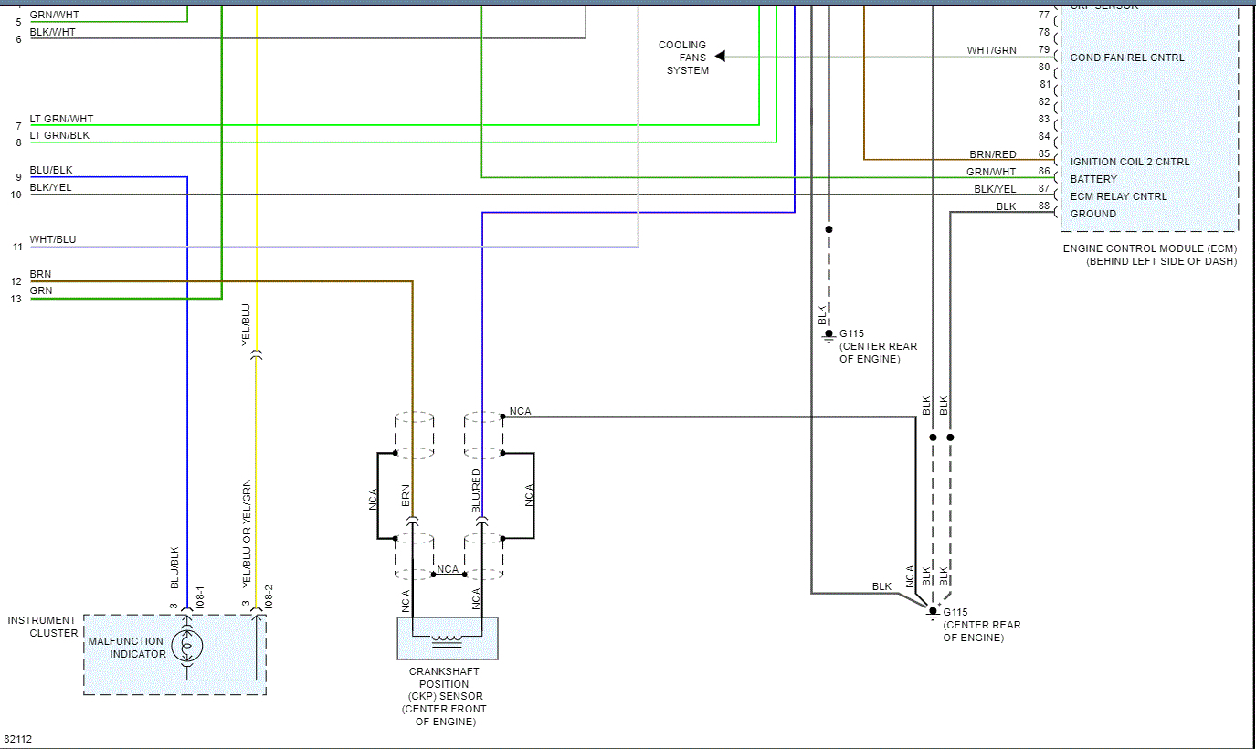
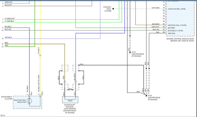
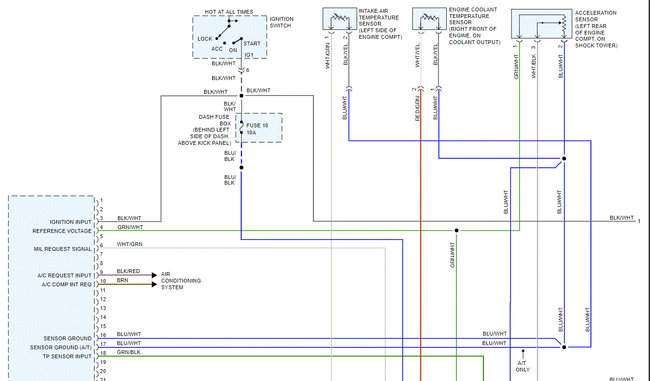
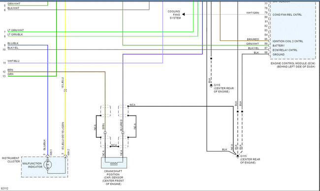
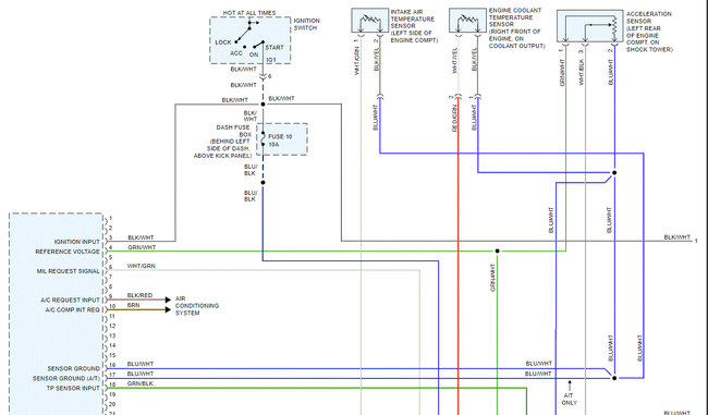
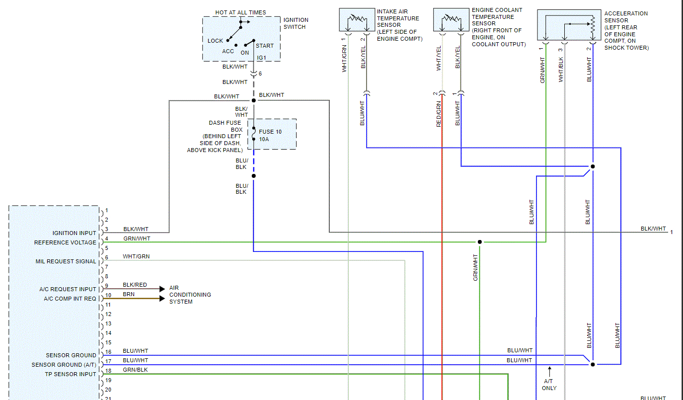
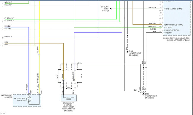
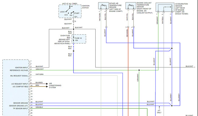
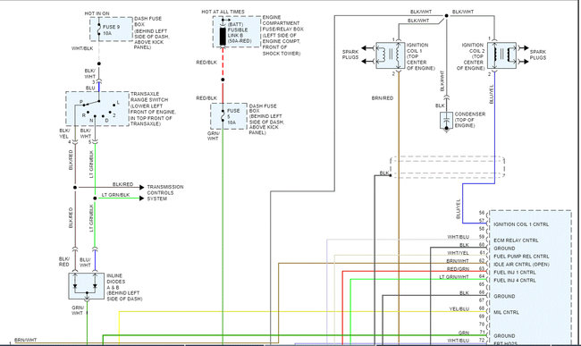
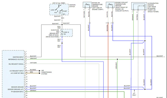
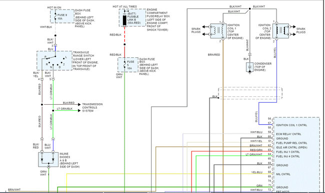
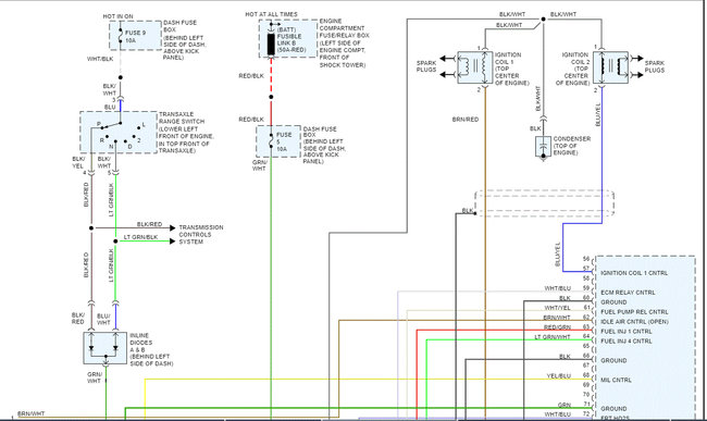
Hey buddy. I attached the schematics for the entire engine control system. The last two are what I think you need to look through first.

Are you getting an RPM signal?

Take care,
Joe
Was this
answer
helpful?
Yes
No
Monday, March 23rd, 2020 AT 9:53 PM
Tiny
PACIFICISLANDER
  • MEMBER
  • 240 POSTS
Thank you, Joe Stay inside or Mr Virus going to bite your bud-there 27 affected with that 1 dead all in isolation do something Mr. Trump. God pray for us Joe;it's a small island in the Pacific.
Was this
answer
helpful?
Yes
No
Monday, March 23rd, 2020 AT 10:03 PM
Tiny
JACOBANDNICKOLAS
  • MECHANIC
  • 110,192 POSTS
You be careful. If anything happens to you, please let me know. And remember, hope, pray, and don't worry. Words I live by thanks to Padre Pio. Look up the name. It isn't in the hands of any human.

Take care my friend.

Joe
Was this
answer
helpful?
Yes
No
Monday, March 23rd, 2020 AT 10:07 PM
Tiny
PACIFICISLANDER
  • MEMBER
  • 240 POSTS
I do we worship Padre Pio in our island. Thanks Joe be checking you later.
Was this
answer
helpful?
Yes
No
Monday, March 23rd, 2020 AT 10:45 PM
Tiny
PACIFICISLANDER
  • MEMBER
  • 240 POSTS
I need the no's on the PCM connector so I can determine from the connector to the sensors. Thanks

Joe its this I'm looking for so I will check wire to wire and then to sensor.
Was this
answer
helpful?
Yes
No
Monday, March 23rd, 2020 AT 11:18 PM
Tiny
JACOBANDNICKOLAS
  • MECHANIC
  • 110,192 POSTS
Here is what I have as far as connectors. Does that help?
Was this
answer
helpful?
Yes
No
Tuesday, March 24th, 2020 AT 10:20 AM
Tiny
PACIFICISLANDER
  • MEMBER
  • 240 POSTS
Joe, I'll talk with you later things are getting hairy here so much to worry about. Talk later. Thank you
Was this
answer
helpful?
Yes
No
Tuesday, March 24th, 2020 AT 9:40 PM
Tiny
JACOBANDNICKOLAS
  • MECHANIC
  • 110,192 POSTS
I hope everything is okay. Please stay in touch and let me know if I can help.

Take care,
Joe
Was this
answer
helpful?
Yes
No
Tuesday, March 24th, 2020 AT 10:07 PM

Please login or register to post a reply.