Pin out for the transmission wiring harness needed?

Tiny
SMITHWESC
  • MEMBER
  • 2000 FORD F-150
  • 4WD
  • AUTOMATIC
  • 199,000 MILES
I put a transmission from a 2005 or 2003 Expedition in my truck listed above, but I had an extra sensor or something that I had to cut from the 2003 harness and put on mine but. The speedometer shows me going 50 when I'm going 5 and it's not shifting right
are the pinouts coming from the transmission in different spot than my harness so it's not reading right, idk.
i need a pin out for a transmission harness for the Expedition and my truck listed above if that's possible.
Saturday, February 17th, 2024 AT 3:35 PM

8 Replies

Tiny
JACOBANDNICKOLAS
  • MECHANIC
  • 110,192 POSTS
Hi,

I need to confirm the model years. Is the truck a 2000? What year was the expedition? What harness was cut? Was the "extra harness" for the same sensor and only the connector was different or is it something your truck simply doesn't have?

Let me know.

Joe
Was this
answer
helpful?
Yes
No
Saturday, February 17th, 2024 AT 7:14 PM
Tiny
SMITHWESC
  • MEMBER
  • 5 POSTS
So, the 2000 f150 only had 1 sensor and the 2003 Expedition had 2 so.
I cut it from the Expedition. Do I need the ECM from the Expedition?
Was this
answer
helpful?
Yes
No
Saturday, February 17th, 2024 AT 7:52 PM
Tiny
JACOBANDNICKOLAS
  • MECHANIC
  • 110,192 POSTS
Hi,

It is possible that you may need it. That leads to a different concern, engine controls. They make nothing easy anymore.

What year was the Expedition?

Joe
Was this
answer
helpful?
Yes
No
Saturday, February 17th, 2024 AT 8:09 PM
Tiny
SMITHWESC
  • MEMBER
  • 5 POSTS
It's 2003.

But I was also thinking the pins coming off the expedition transmission might be in different spots (I will see what I can find) than the Ford female end.

I'm sorry I'm difficult haha, I have no clue what I'm doing.
Was this
answer
helpful?
Yes
No
Saturday, February 17th, 2024 AT 8:42 PM
Tiny
JACOBANDNICKOLAS
  • MECHANIC
  • 110,192 POSTS
Hi,

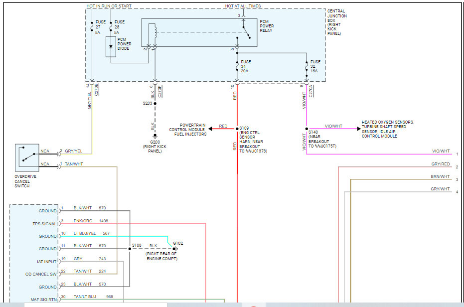
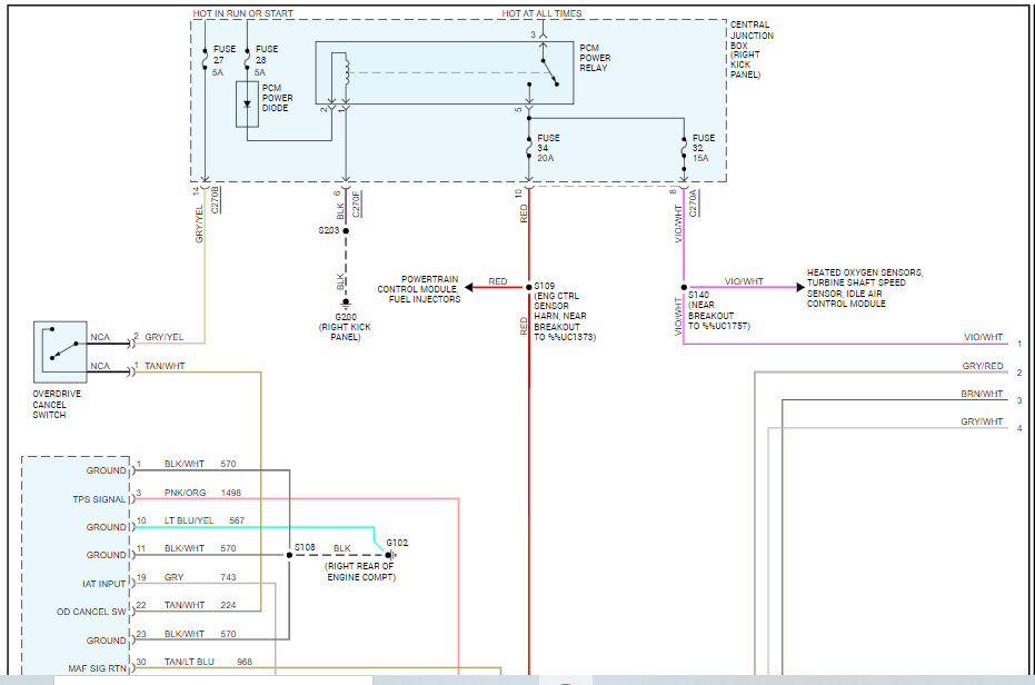
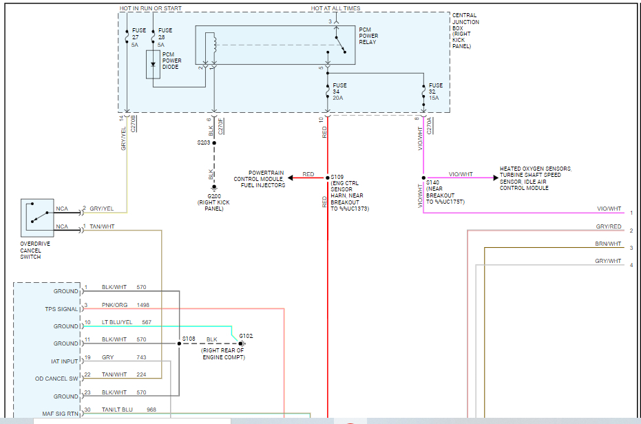
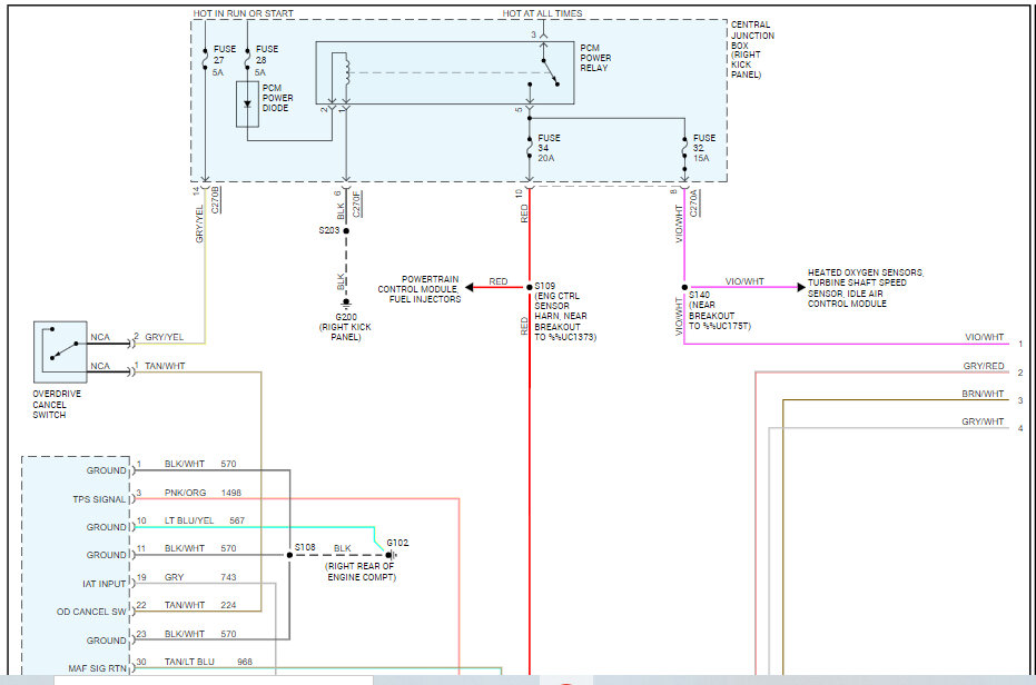
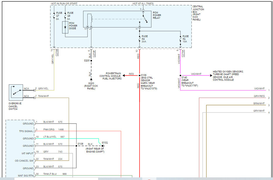
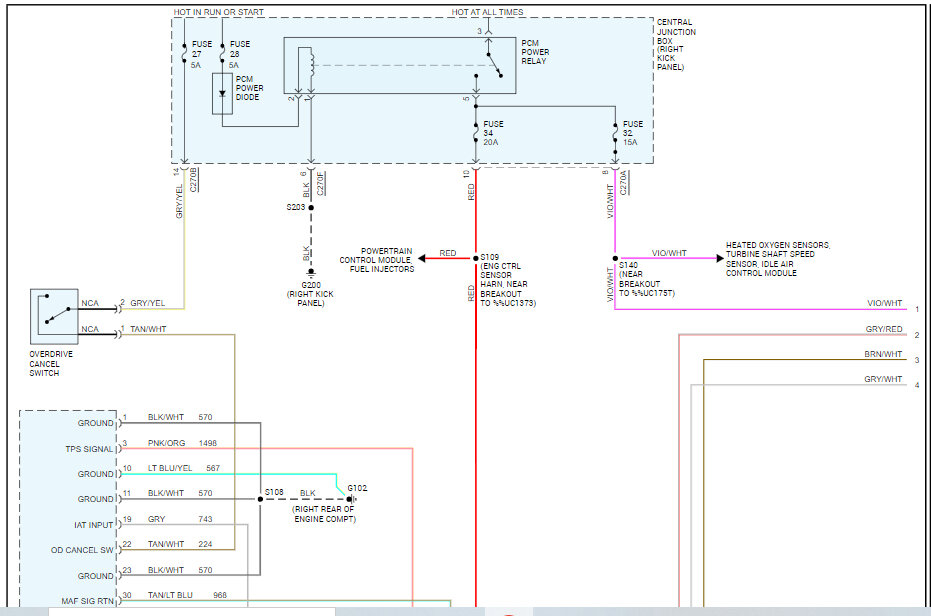
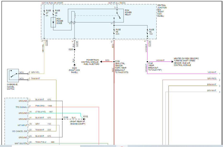
I went through the wiring schematics. In 2003, the Expedition had one engine option, a 4R70W. The wiring schematic is two pages long for this vehicle. However, I had to cut each pic in half to make them readable. Therefore, the first 4 pics below are from the Expedition.

Pic 5 is related to the 2000 F150. There were two different possible transmissions. One is a 4R70W and the other is a 4R100. I'm not sure what your truck had originally. Here is another concern. The wiring schematic for a 2000 F150 with the 4R70W is only one page. Therefore, something is different. Pics 6 and 7 are the wiring schematic for the 2000 F150 4R70W. The last two pictures are of the 2000 F150 4R100 transmission.

At this point, I would start by determining the OEM transmission model your truck came from and then start trying to match wiring colors for confirmation. Then, determine which connector was cut from the Expedition, and locate the wire colors on the schematic to determine what you cut and if it exists on the truck's harness.

Also, if you still have the transmission you removed from the truck, lay it side by side with the replacement and compare connectors.

Let me know.

Joe

See pics below.
Was this
answer
helpful?
Yes
No
Saturday, February 17th, 2024 AT 10:38 PM
Tiny
SMITHWESC
  • MEMBER
  • 5 POSTS
So, on my transmission there was only 1 plug on the opposite side of the neutral safety switch and on the Expedition, it had two.
So, I cut the plug and spliced it into mine wat was that plug for do you know.
Was this
answer
helpful?
Yes
No
Saturday, February 24th, 2024 AT 2:43 AM
Tiny
SMITHWESC
  • MEMBER
  • 5 POSTS
Also, would I need to use the expedition harness? I think I most certainly need the computer box.
Was this
answer
helpful?
Yes
No
Saturday, February 24th, 2024 AT 2:44 AM
Tiny
JACOBANDNICKOLAS
  • MECHANIC
  • 110,192 POSTS
Hi,

I'm not sure how you spliced it. As far as the harness is concerned, this is untested territory. I can't guarantee it will work. But yes, I would be using the harness from the expedition and the module.

Joe
Was this
answer
helpful?
Yes
No
Saturday, February 24th, 2024 AT 7:42 PM

Please login or register to post a reply.