HOME
ASK A QUESTION
REPAIR GUIDES
BECOME A MEMBER
LOG IN
Login with Facebook
OR
Remember me
NOT A MEMBER?
FORGOT PASSWORD?
CONTACT US
PRIVACY POLICY
TERMS AND CONDITIONS
☰
Home
Nissan
Hardbody
Engine
Computer
Location
PCM/ECM pin location
PACIFICISLANDER
MEMBER
1997 NISSAN HARDBODY
2.4L
2WD
MANUAL
100,000 MILES
Need pin location on PCM/ECM for circuit numbers 47/48 and to include wire color.
Saturday, October 5th, 2019 AT 12:27 AM
6 Replies
JIS001
MECHANIC
3,412 POSTS
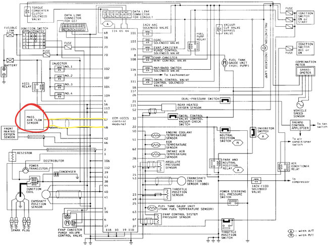
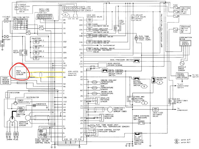
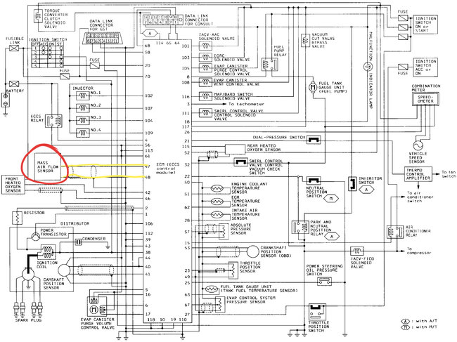
Hello and welcome to 2CarPros. The circuit you are talking about looks like the mass air flow sensor circuit? Is this correct?
Image (Click to make bigger)
Was this
answer
helpful?
Yes
No
Saturday, October 5th, 2019 AT 12:40 AM
PACIFICISLANDER
MEMBER
240 POSTS
Yes, sir MAF sensor.
Was this
answer
helpful?
Yes
No
Saturday, October 5th, 2019 AT 1:04 AM
PACIFICISLANDER
MEMBER
240 POSTS
Can you show me exactly by looking at the PCM wheres those 2 pins at?
Was this
answer
helpful?
Yes
No
Saturday, October 5th, 2019 AT 1:11 AM
JIS001
MECHANIC
3,412 POSTS
Here you go. Let us know if the information helped.
Images (Click to make bigger)
Was this
answer
helpful?
Yes
No
Saturday, October 5th, 2019 AT 8:22 AM
PACIFICISLANDER
MEMBER
240 POSTS
Thank you very much, Sir this is what I needed. Again thank you.
Was this
answer
helpful?
Yes
No
Saturday, October 5th, 2019 AT 1:24 PM
JIS001
MECHANIC
3,412 POSTS
You are welcome.
Was this
answer
helpful?
Yes
No
Saturday, October 5th, 2019 AT 5:12 PM
Please
login
or
register
to post a reply.
Related Engine Computer Location Content
1990 Nissan Hardbody Ecu Ground Points
Hello, We Just Purchased A 1990 Nissan Hardbody And It Has Issues With Not Starting After Running For Awhile (no Set Amounts Of Time...
Asked by
poohbearb4u
·
3 ANSWERS
1990
NISSAN HARDBODY
Does Control Module Have To Be Reset When Replaced
Replaced Control Module On 94 Nissan Pickjup Now It Cannot Get It Timed So It Has Any Power
Asked by
toshak
·
4 ANSWERS
1994
NISSAN HARDBODY
Engine Performance
At Idle No A/c On. Rpm At750-800. Rpms Drop About 100 Rpm An Then Smooth Out Again. Also Right Before Stopping At Time Of Pressing Clutch In...
Asked by
qtip24
·
2 ANSWERS
1997
NISSAN HARDBODY
Engine Installation Problem
We Can't Get The Engine To Fit Flush To The Bell Housing. We Have Tried Lining It Up Several Times.
Asked by
SFV
·
3 ANSWERS
1986
NISSAN HARDBODY
1995 Nissan Hardbody Replace Engine.
Need To Know If The V6 Motor From A 1995 Nissan 4x4 Will Interchange With A 1991 Model That Had A 4 Cylinder In It. Both Trucks Are 4x4's....
Asked by
BigCountry8504
·
1 ANSWER
1995
NISSAN HARDBODY
VIEW MORE
Ask a Car Question. It's Free!
Coolant Leak Repair
Change Engine Oil and Filter Toyota Prius
Serpentine Belt Replacement Mercedes Benz