Thursday, January 30th, 2020 AT 7:35 AM
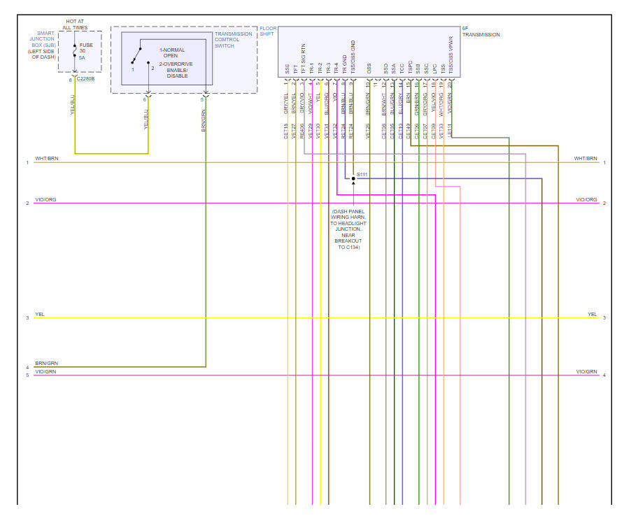
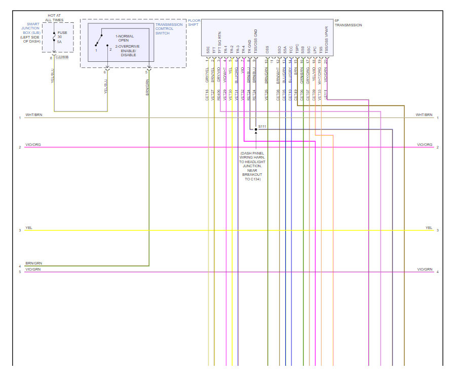
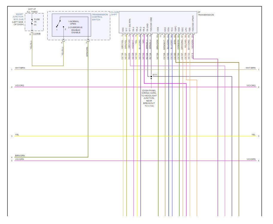
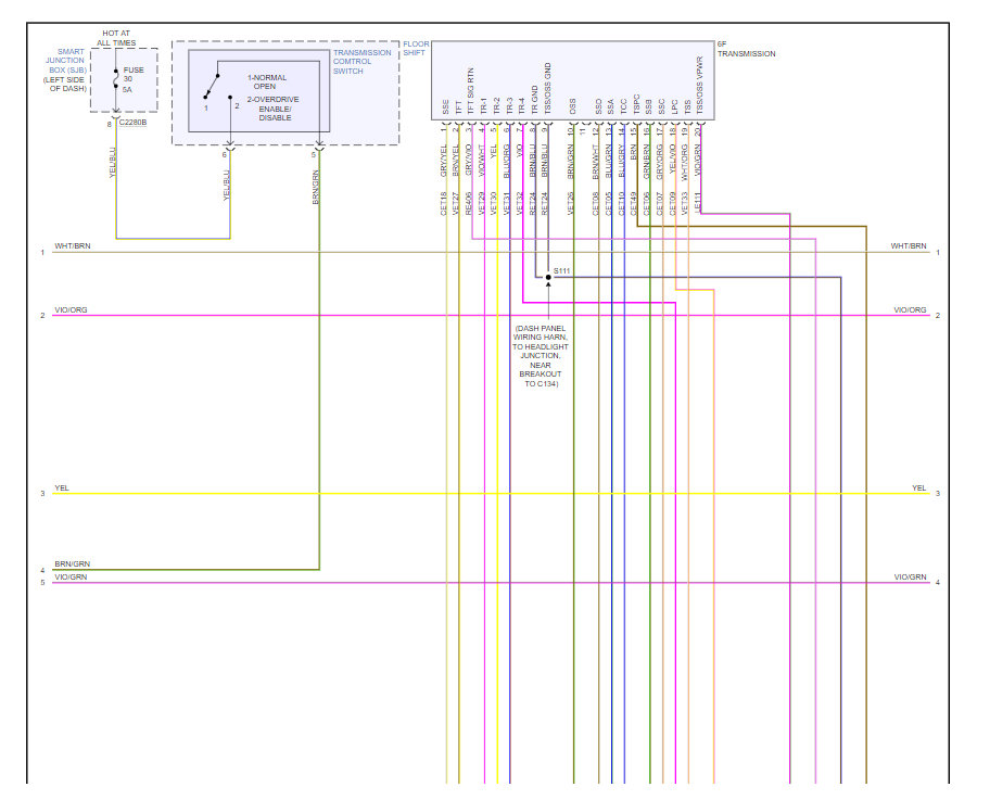
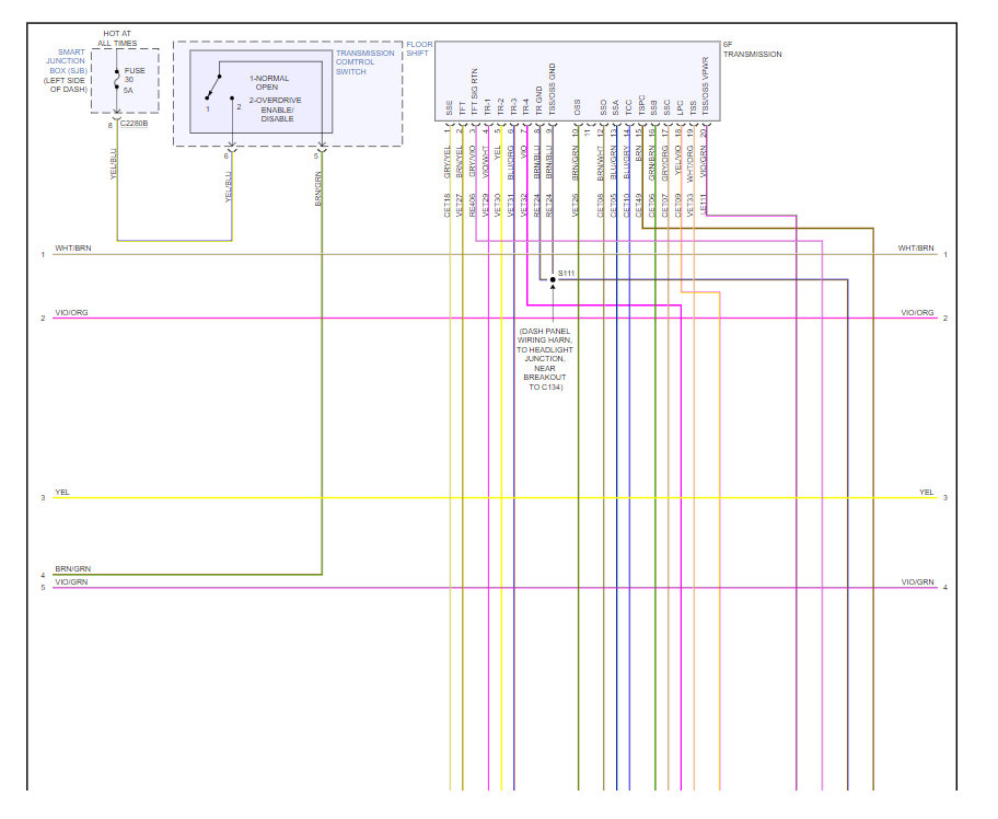
I’m trying find PCM pin out wiring diagram so I can check to see if it is burnt out. I know about coils going bad frying PCM, but my coils looks good on cylinder 1 and 4.















