Hello,
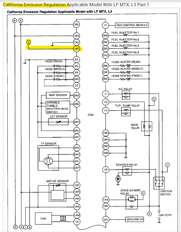
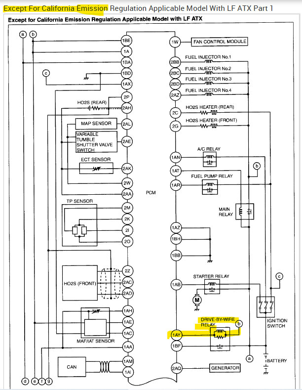
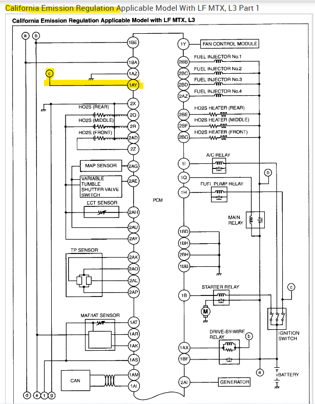
I mistakenly reversed the battery connection and the PCM got fried almost immediately.
After replacing PCM, some fuel injectors will not come on.
The first PCM turn on only injectors 1 and 2 and the second PCM turns on only 1 and 4.
All injectors Resistance test shows 12.5ohms. Wiring harness to the PCM also have a good continuity (multimeter beeps).
if i plug the socket of one injector to the fuel injector, the continuity of its PCM terminal will also be redistributed and also have continuity to only the grounds of the other three terminals.
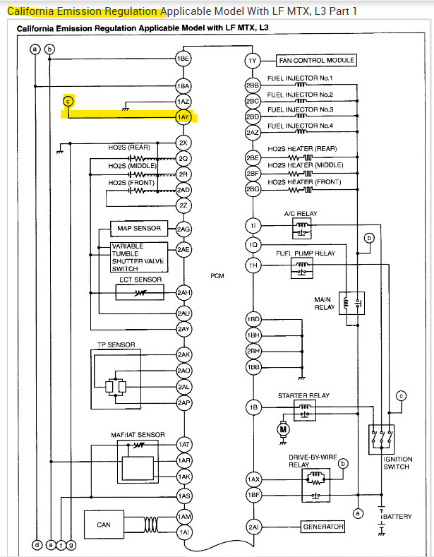
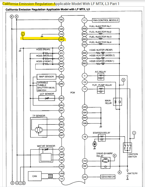
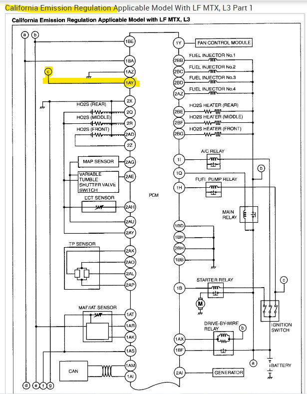
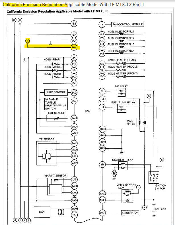
I mistakenly reversed the battery connection and the PCM got fried almost immediately.
After replacing PCM, some fuel injectors will not come on.
The first PCM turn on only injectors 1 and 2 and the second PCM turns on only 1 and 4.
All injectors Resistance test shows 12.5ohms. Wiring harness to the PCM also have a good continuity (multimeter beeps).
if i plug the socket of one injector to the fuel injector, the continuity of its PCM terminal will also be redistributed and also have continuity to only the grounds of the other three terminals.
May 8, 2024 at 11:45 PM































