Can I get the PCM pin out?

Tiny
FRENZA2012
  • MEMBER
  • 2015 DODGE CARAVAN
  • 3.6L
  • V6
  • 2WD
  • AUTOMATIC
  • 250,000 MILES
Having communication issues and need to find a pin out of the PCM.
Wednesday, January 31st, 2024 AT 6:21 PM

7 Replies

Tiny
JACOBANDNICKOLAS
  • MECHANIC
  • 110,192 POSTS
Hi,

As far as the connector pinout, I attached it below. After the connector view, there is a legend for the pins, wire type/color, gauge, and pin numbers

I'm not sure what is happening. Based on your post, it sounds like you should be looking at the information bus schematic (computer data lines). If that is the case, let me know.

Let me know if this helps or if you have other questions.

Take care,

Joe

See pics below.
Was this
answer
helpful?
Yes
No
+1
Wednesday, January 31st, 2024 AT 6:51 PM
Tiny
FRENZA2012
  • MEMBER
  • 4 POSTS
If you have them to I'd love to have them! What a wonderful website, 13 years in the industry never heard of this site.
Was this
answer
helpful?
Yes
No
Wednesday, January 31st, 2024 AT 9:36 PM
Tiny
JACOBANDNICKOLAS
  • MECHANIC
  • 110,192 POSTS
Hi,

The first questions were answered in 1999. LOL (25th anniversary this year). Regardless, I'm glad the information helped.

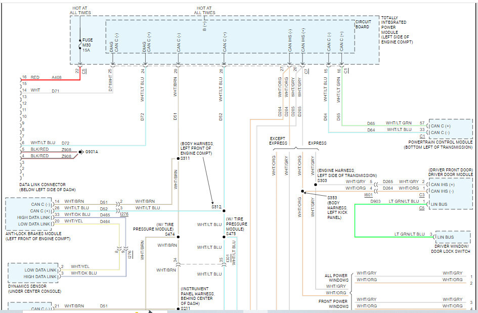
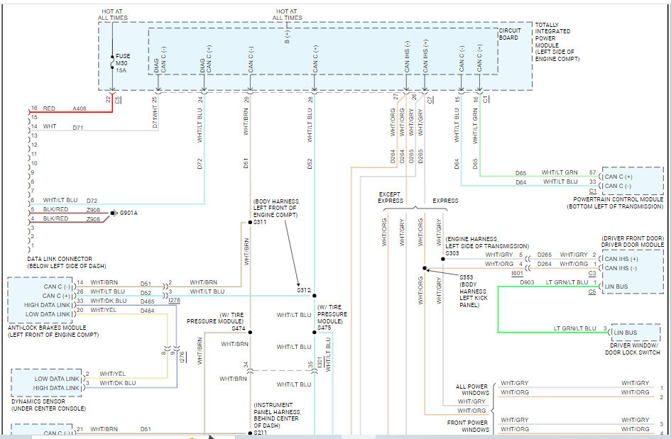
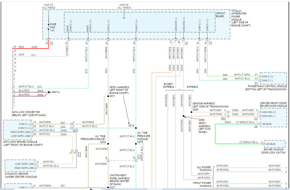
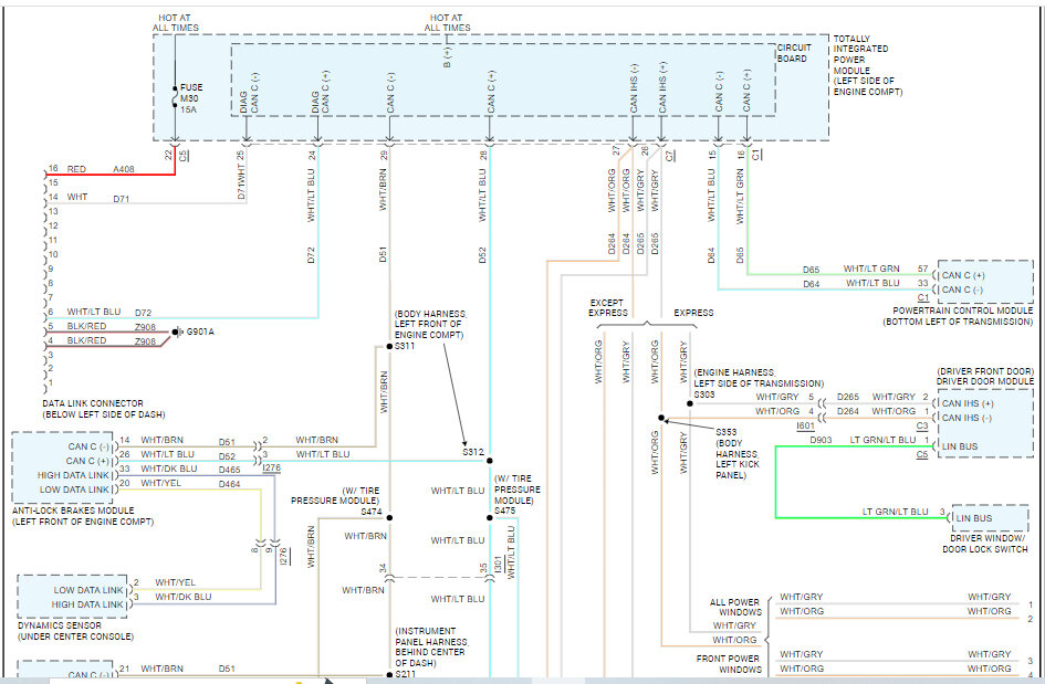
As far as the information bus, I attached the wiring schematics below. There were three pages of schematics. I had to cut each page in half to make them readable. I did overlap them so you can follow from one to the next.

Take good care of yourself and feel free to come back anytime in the future.

Joe

See pics below.
Was this
answer
helpful?
Yes
No
Thursday, February 1st, 2024 AT 5:55 PM
Tiny
FRENZA2012
  • MEMBER
  • 4 POSTS
Amazing! Another quick question, does all this apply to a 2015 ram c/v? It looks identical to a caravan but it has no back seats. The pcm has a slightly different part number(last 2 digits). My guess is it might be a fuel map difference but it's still a 3.6. It also doesn't show up in the sites make and. Model unless it's the dodge van perhaps.
Was this
answer
helpful?
Yes
No
Friday, February 2nd, 2024 AT 9:54 AM
Tiny
JACOBANDNICKOLAS
  • MECHANIC
  • 110,192 POSTS
Hi,

Sorry for the delay. This is job 3. LOL

I checked two manuals and saw no difference. The powertrain remains the same. As far as the number difference, that is likely related to option differences.

Let me know if this helps or if you have other questions.

Take care,

Joe
Was this
answer
helpful?
Yes
No
Friday, February 2nd, 2024 AT 9:17 PM
Tiny
FRENZA2012
  • MEMBER
  • 4 POSTS
Hey Joe,

Sorry for the delay, we haven't had a chance to work on it yet until now.
Would you happen to have the second connector for the PCM? So far, your help is greatly appreciated!

Thank you!
Was this
answer
helpful?
Yes
No
Monday, February 19th, 2024 AT 10:12 AM
Tiny
JACOBANDNICKOLAS
  • MECHANIC
  • 110,192 POSTS
Hi,

For some reason, the connector view itself isn't available. The only thing, in two different manuals, that I could find was what each pin does with no orientation.

I don't know if it will help but take a look and let me know.

Joe

See pics below.
Was this
answer
helpful?
Yes
No
Monday, February 19th, 2024 AT 7:46 PM

Please login or register to post a reply.