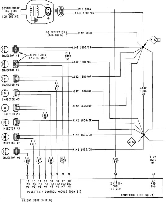
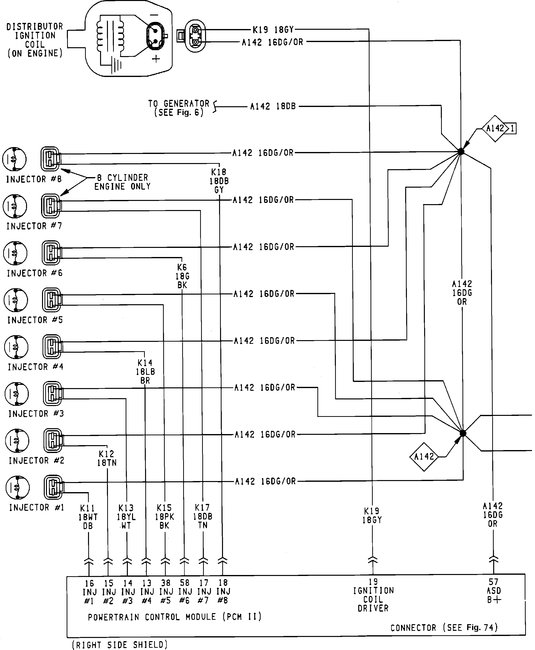
PCM diagram

Tiny
FORENSICS
  • MEMBER
  • 1993 DODGE DAKOTA
  • 3.9L
  • V6
  • 4WD
  • MANUAL
  • 198,000 MILES
Hello and thank you to all who read my question. I need to know where the wires for the seventh and eighth injector wires would go on the PCM connector. I'm looking to swap my v6 with the 318 magnum. I've already sourced my engine from a 1994 Dakota but I need to add the extra injector plugs for it to run properly.

Thanks for any help.
Sunday, August 11th, 2019 AT 6:43 PM

3 Replies

Tiny
DANNY L
  • MECHANIC
  • 5,648 POSTS
Hello , I'm Danny.

Here is a tutorial showing how to test wiring:

https://www.2carpros.com/articles/how-to-check-wiring

I've attached a picture below with the PCM/injector wiring. Hope this helps and thanks for using 2CarPros.

Danny-
Was this
answer
helpful?
Yes
No
+1
Sunday, August 11th, 2019 AT 8:12 PM
Tiny
FORENSICS
  • MEMBER
  • 108 POSTS
Thank you very much this diagram helped out a lot. Now I'll be mating the 318 to the ax15 transmission and I know I have to swap the flex plate out for a flywheel but would I use the v6 clutch on the 318?
Was this
answer
helpful?
Yes
No
Monday, August 12th, 2019 AT 11:32 AM
Tiny
DANNY L
  • MECHANIC
  • 5,648 POSTS
Hello again.

No, I would use the V8 version clutch due to it being stronger/handling the added power. The AX15 transmission is used for both the V6 and V8 engines so the input shaft splines are the same. Hope this helps and thanks again for using 2CarPros.

Danny-
Was this
answer
helpful?
Yes
No
Monday, August 12th, 2019 AT 4:27 PM

Please login or register to post a reply.