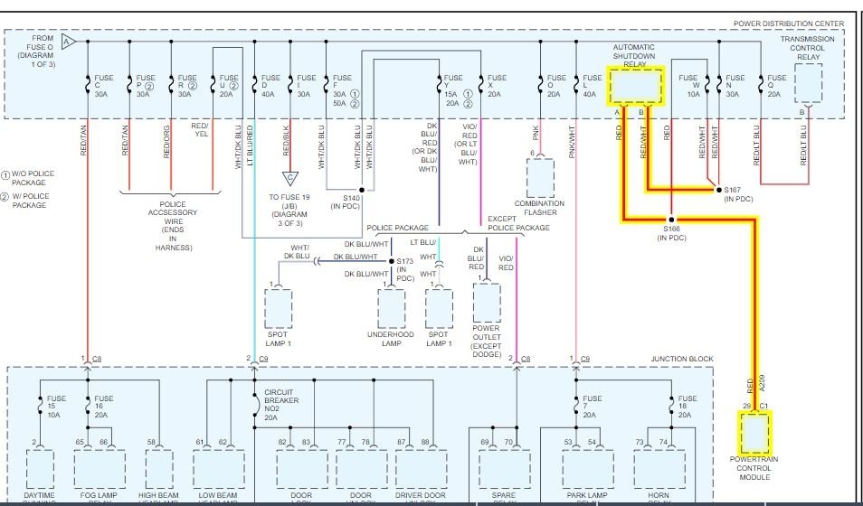
Thursday, November 28th, 2019 AT 3:32 PM
The fuse keeps blowing all the car was fine until thermostat was changed which is underneath the car. Ran great before that. But when to turn the ignition had power to car but it wouldn't even turn over and fuse keeps popping.









