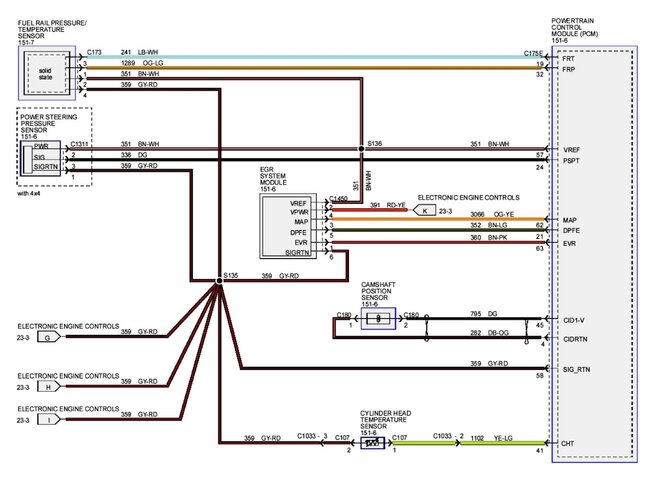
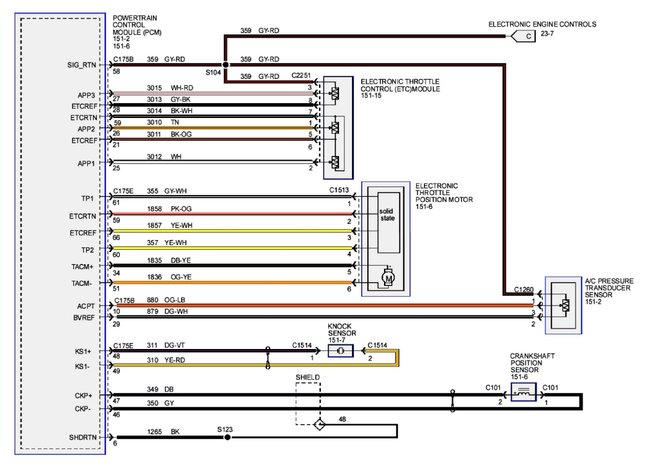
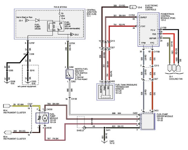
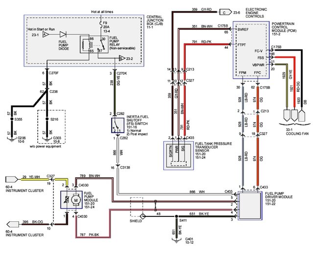
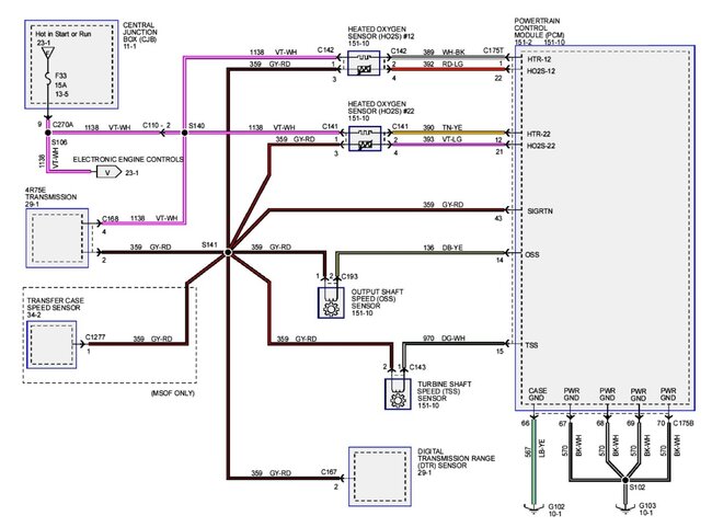
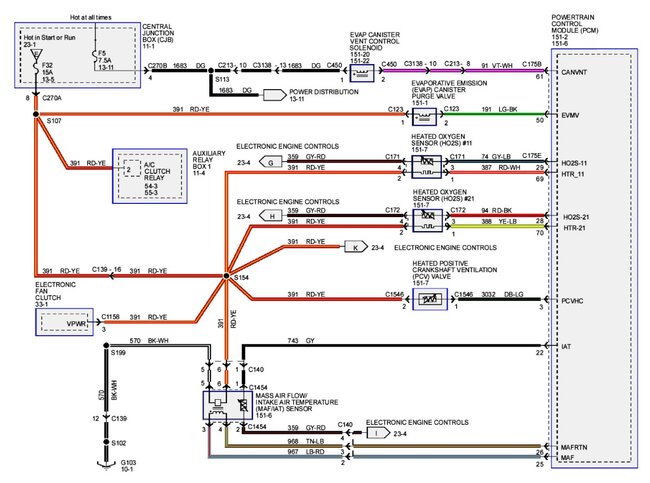
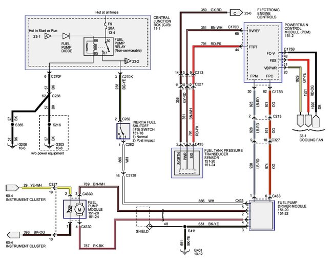
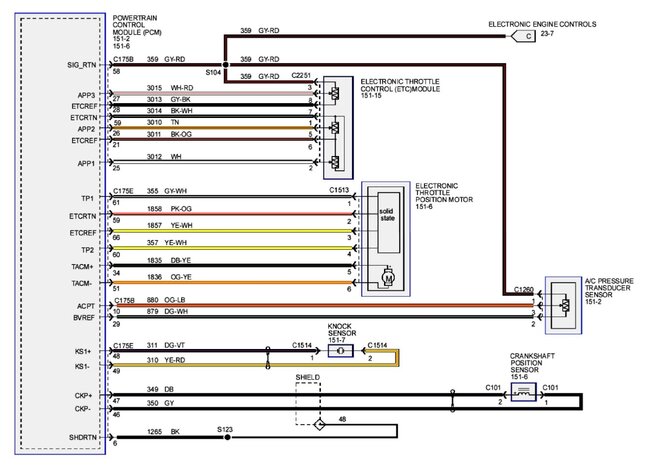
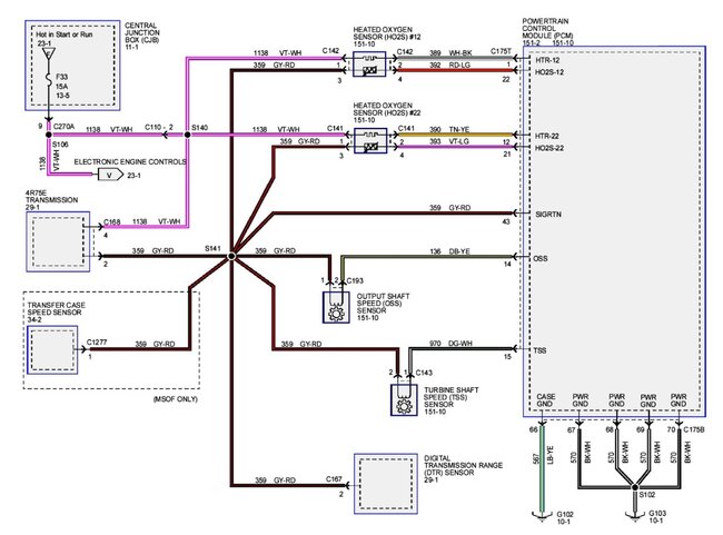
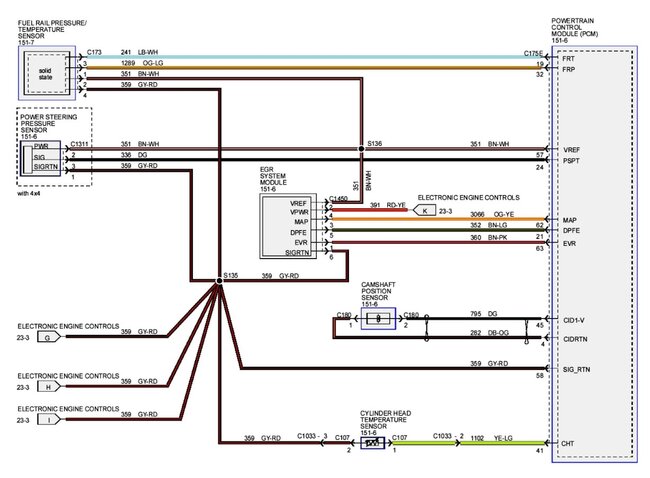
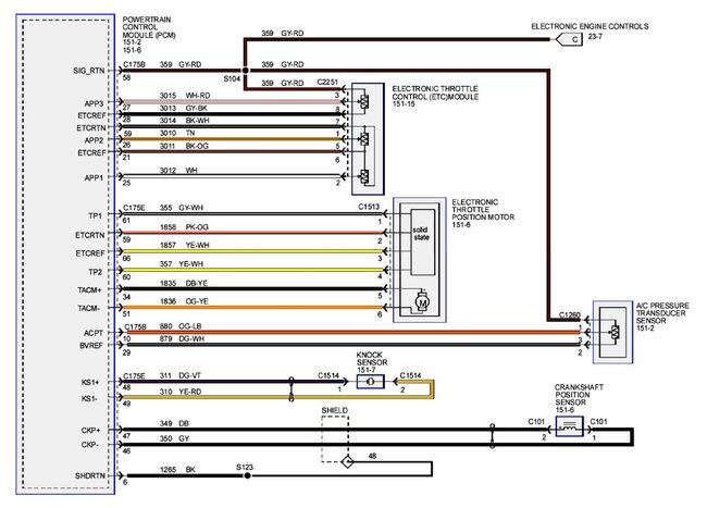
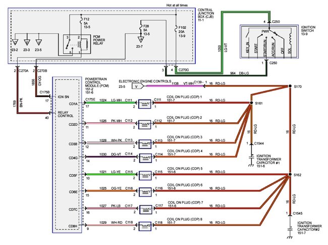
Could I get a diagram of the PCM wiring out to the engine sensors?

Tiny
DANIELR
  • MEMBER
  • 2007 FORD F-150
  • 4.6L
  • V8
  • 2WD
  • AUTOMATIC
  • 260,000 MILES
IE; MAF, fuel rail pressure sensor, etc.
Thursday, October 24th, 2024 AT 7:43 PM

3 Replies

Tiny
AL514
  • MECHANIC
  • 5,584 POSTS
Hello, yes, we can get that ready for you in a few minutes.
Was this
answer
helpful?
Yes
No
Friday, October 25th, 2024 AT 6:17 AM
Tiny
AL514
  • MECHANIC
  • 5,584 POSTS
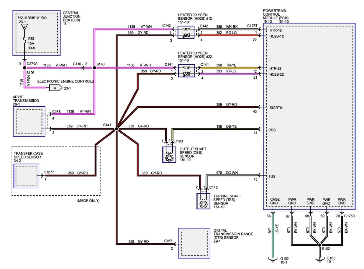
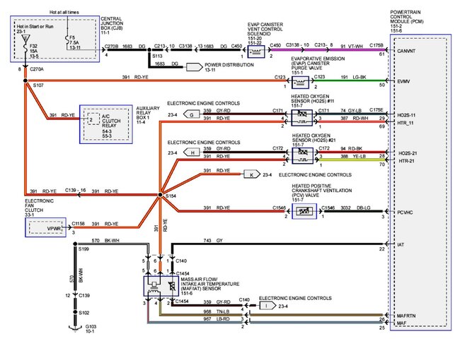
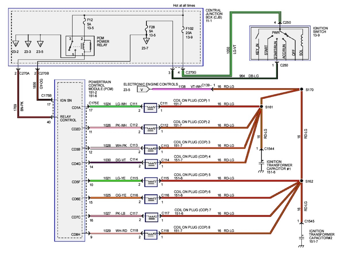
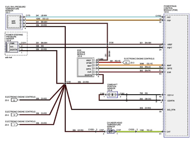
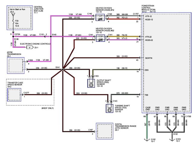
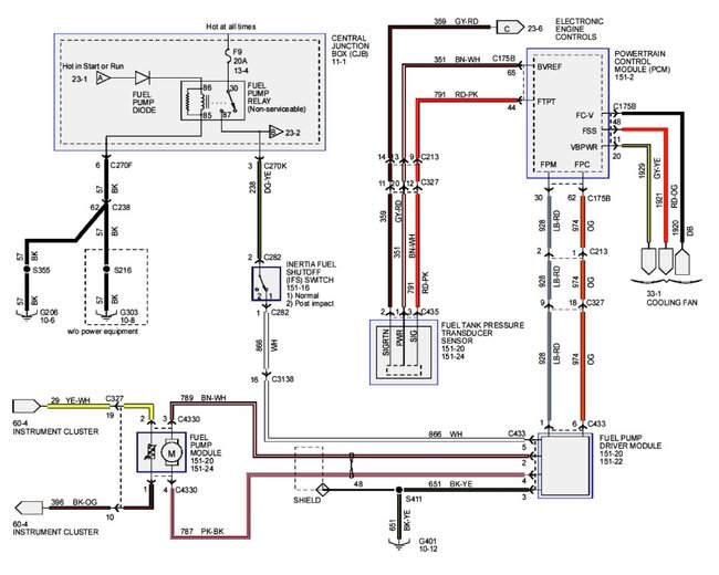
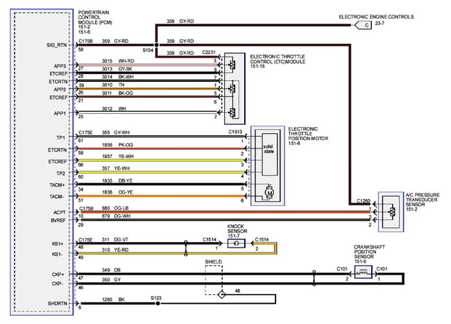
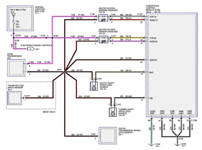
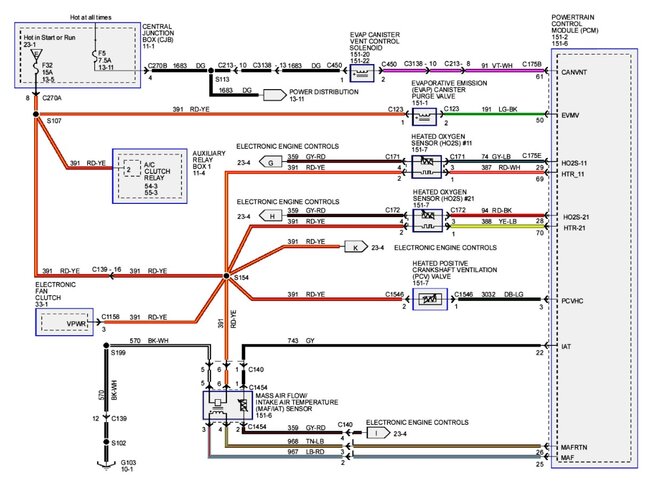
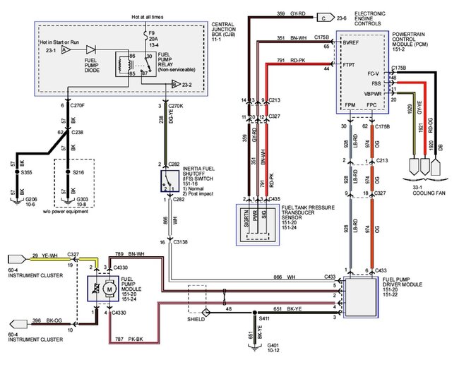
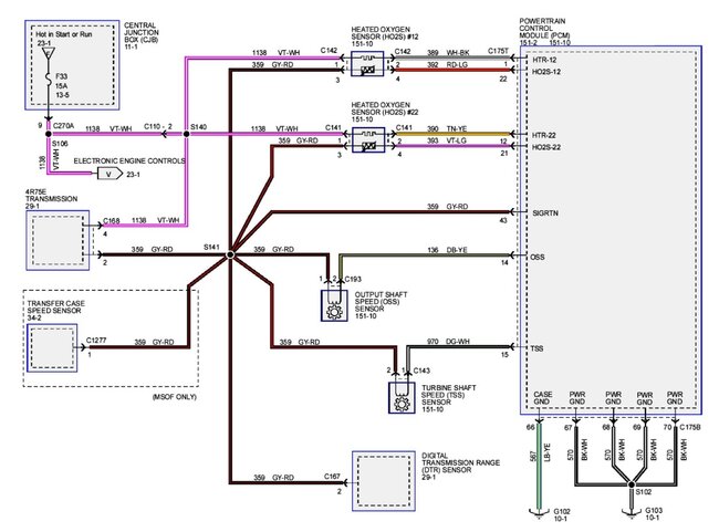
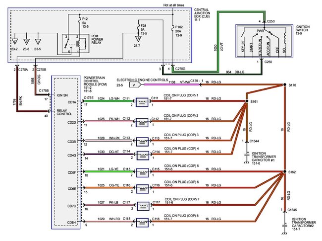
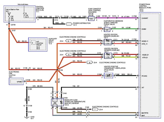
These are the OEM Ford PCM diagrams, do you need the PCM connector pinout diagrams to go along with this?
Was this
answer
helpful?
Yes
No
+1
Friday, October 25th, 2024 AT 6:26 AM
Tiny
AL514
  • MECHANIC
  • 5,584 POSTS
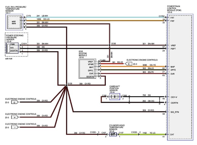
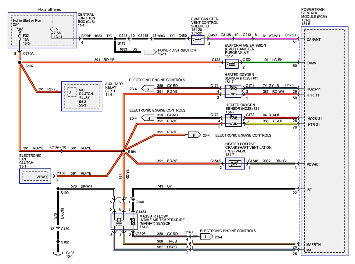
These are all 3 PCM connector pinouts and hopefully the correct location on the PCM as well if needed. But try to go by wire color and location in each connector to be sure.
Was this
answer
helpful?
Yes
No
Friday, October 25th, 2024 AT 7:26 AM

Please login or register to post a reply.